| Автор | Сообщение | 
		
				|  | 
					
						|  | Заголовок сообщения: | Re: Mod#065 (Четырехканальный сенсорный переключатель нагруз | Цитата |  | 
			
				| 
					
						| 
							
								| 
 
 
										
											| Вложения: |  
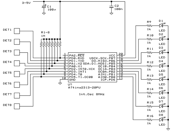
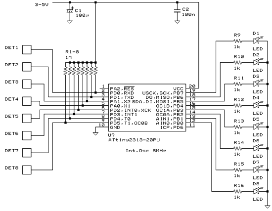
												|  touchsens3.gif [ 27.65 КБ | Просмотров: 9326 ]
 
 |  [quote="GetChiper"]Какие числа получились по каналам? Проблемный канал получилось подтянуть?[/quote]Здравствуйте. Не поможите с прошивкой-нужно 8 сенсорных кнопок с фиксацией и восемь выходов
 |  |  
						| 
							
								|  |  | Добавлено: 15 дек 2016, 13:59 |  |  | 
			
				|  | 
		
				|  | 
					
						|  | Заголовок сообщения: | Re: Mod#065 (Четырехканальный сенсорный переключатель нагруз | Цитата |  | 
			
				| 
					
						| 
							
								| [quote="GetChiper"]Какие числа получились по каналам? Проблемный канал получилось подтянуть?[/quote] |  |  
						| 
							
								|  |  | Добавлено: 15 дек 2016, 13:55 |  |  | 
			
				|  | 
		
				|  | 
					
						|  | Заголовок сообщения: | Re: Mod#065 (Четырехканальный сенсорный переключатель нагруз | Цитата |  | 
			
				| 
					
						| 
							
								| Какие числа получились по каналам? Проблемный канал получилось подтянуть? Какие числа получились по каналам? Проблемный канал получилось подтянуть? |  |  
						| 
							
								|  |  | Добавлено: 26 май 2016, 00:01 |  |  | 
			
				|  | 
		
				|  | 
					
						|  | Заголовок сообщения: | Re: Mod#065 (Четырехканальный сенсорный переключатель нагруз | Цитата |  | 
			
				| 
					
						| 
							
								| Евгений, всё работает. Спасибо :OK:  :OK:  :OK: |  |  
						| 
							
								|  |  | Добавлено: 25 май 2016, 23:59 |  |  | 
			
				|  | 
		
				|  | 
					
						|  | Заголовок сообщения: | Re: Mod#065 (Четырехканальный сенсорный переключатель нагруз | Цитата |  | 
			
				| 
					
						| 
							
								| Немного подправил. пробуй каждый раз одинаковыми уставками для всех каналов и из ряда 3, 5, 10, 15, 20, 30 
 
 Немного подправил. пробуй каждый раз одинаковыми уставками для всех каналов и из ряда 3, 5, 10, 15, 20, 30 |  |  
						| 
							
								|  |  | Добавлено: 24 май 2016, 23:09 |  |  | 
			
				|  | 
		
				|  | 
					
						|  | Заголовок сообщения: | Re: Mod#065 (Четырехканальный сенсорный переключатель нагруз | Цитата |  | 
			
				| 
					
						| 
							
								| Всёравно не работает. Пробывал от 1 до 10 каждый канал. Всёравно не работает. Пробывал от 1 до 10 каждый канал. |  |  
						| 
							
								|  |  | Добавлено: 24 май 2016, 18:26 |  |  | 
			
				|  | 
		
				|  | 
					
						|  | Заголовок сообщения: | Re: Mod#065 (Четырехканальный сенсорный переключатель нагруз | Цитата |  | 
			
				| 
					
						| 
							
								| Ааа. Понятно. Буду экспериментировать. Ааа. Понятно. Буду экспериментировать. |  |  
						| 
							
								|  |  | Добавлено: 24 май 2016, 00:10 |  |  | 
			
				|  | 
		
				|  | 
					
						|  | Заголовок сообщения: | Re: Mod#065 (Четырехканальный сенсорный переключатель нагруз | Цитата |  | 
			
				| 
					
						| 
							
								| В данной прошивке устройство автоматически не устанавливает чувствительность. Ее нужно самому установить в SENSE_OVER_n  по каналам и сделать это нужно опытным путем. В данной прошивке устройство автоматически не устанавливает чувствительность. Ее нужно самому установить в SENSE_OVER_n  по каналам и сделать это нужно опытным путем. |  |  
						| 
							
								|  |  | Добавлено: 23 май 2016, 23:58 |  |  | 
			
				|  | 
		
				|  | 
					
						|  | Заголовок сообщения: | Re: Mod#065 (Четырехканальный сенсорный переключатель нагруз | Цитата |  | 
			
				| 
					
						| 
							
								| [quote="serega2323"]Не работает ни один канал.[/quote]
 Не реагируют на прикосновения.
 |  |  
						| 
							
								|  |  | Добавлено: 23 май 2016, 20:08 |  |  | 
			
				|  | 
		
				|  | 
					
						|  | Заголовок сообщения: | Re: Mod#065 (Четырехканальный сенсорный переключатель нагруз | Цитата |  | 
			
				| 
					
						| 
							
								| Не работает ни один канал. Не работает ни один канал. |  |  
						| 
							
								|  |  | Добавлено: 22 май 2016, 23:02 |  |  | 
			
				|  |