Перейти к блогу GetChip.net - блог        JilTE[1] - в разработке     Модификации устройств - модификации

 
Текущее время: 03 мар 2026, 02:25

Часовой пояс: UTC + 3 часа [ Летнее время ]



Ответить
Имя пользователя:
Заголовок:
Текст сообщения:
Введите текст вашего сообщения. Длина сообщения в символах не более: 60000

Размер шрифта:
Цвет шрифта
Настройки:
BBCode ВКЛЮЧЁН
[img] ВКЛЮЧЁН
[flash] ВЫКЛЮЧЕН
[url] ВКЛЮЧЁН
Смайлики ВЫКЛЮЧЕНЫ
Отключить в этом сообщении BBCode
Не преобразовывать адреса URL в ссылки
Анти-спам
Анти-спам:
Выполните задание
   

Обзор темы - стоп, поворотники, габорит, задняя на 2313
Автор Сообщение
  Заголовок сообщения:  Re: стоп, поворотники, габорит, задняя на 2313  
Цитата
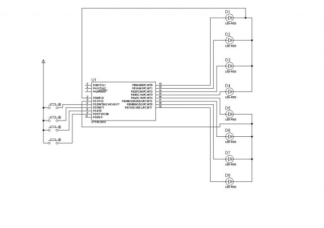
Схема по просьбе N360


Вложения:
povorot.JPG
povorot.JPG [ 43.54 КБ | Просмотров: 17225 ]
Сообщение Добавлено: 19 фев 2015, 02:21
  Заголовок сообщения:  Re: стоп, поворотники, габорит, задняя на 2313  
Цитата
:lol: Народ кто то на железе воплотил в жизнь сей девайс, или просто для ознакомления качаем? :?:
Сообщение Добавлено: 30 окт 2013, 23:00
  Заголовок сообщения:  Re: стоп, поворотники, габорит, задняя на 2313  
Цитата
Уже все в архиве :OK:


Вложения:
Povorotnik.rar [27.12 КБ]
Скачиваний: 1691
Сообщение Добавлено: 04 сен 2013, 23:30
  Заголовок сообщения:  Re: стоп, поворотники, габорит, задняя на 2313  
Цитата
А фюзьi какие будеть?
Сообщение Добавлено: 30 авг 2013, 22:00
  Заголовок сообщения:  Re: стоп, поворотники, габорит, задняя на 2313  
Цитата
Подкоректировал работает. Хотел добавить ШИМ на 3 канала но пока руки не доходят и мозги :crazy:
Сообщение Добавлено: 30 авг 2013, 02:01
  Заголовок сообщения:  Re: стоп, поворотники, габорит, задняя на 2313  
Цитата


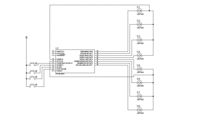
Вложения:
povorot.JPG
povorot.JPG [ 43.54 КБ | Просмотров: 20876 ]
Сообщение Добавлено: 15 авг 2012, 10:07
  Заголовок сообщения:  Re: стоп, поворотники, габорит, задняя на 2313  
Цитата
Большая просьба . Разжуйте для маленького человека как проверить что Вы набросали??? со схемой ПОЖАЛУЙСТА
Сообщение Добавлено: 14 авг 2012, 19:59
  Заголовок сообщения:  Re: стоп, поворотники, габорит, задняя на 2313  
Цитата
Сообщение Добавлено: 30 июн 2012, 22:11
  Заголовок сообщения:  Re: стоп, поворотники, габорит, задняя на 2313  
Цитата
Пока автор думает решил (как и обещал) набросать "костяк" программы. Кому нужно, пробуйте, давайте замечания - будем дорабатывать. В железе не собирал, но программу проверил на стенде.

Схему не рисовал, пока попробую объяснить все на словах:
- порт B весь выделен поз 8 светодиодов.
- порт D частично работает на вход, частично на выход. Пины порта описаны в комментариях в программе.
Входы нужно бросать на землю через резисторы 1к, а управлять +.

В программе кадры эффектов расписаны для включения светодиодов как с общим анодом так и с общим катодом. Схемы транзисторных ключей
для обоих половинок, соответственно, подбираются под схемы включения светодиодов. В том виде как написана программа - она максимально
приближена к схеме оригинала (см.начало этого топика)

Все эффекты пока написаны для 16 шагов с повторением это цикла. Кто хочет, может делать и плавнее и длиннее - программа позволяет.
В самой программе все расписано в комментариях, включая частотные настройки процессора.


Вложения:
Комментарий к файлу: Вот собственно и сама программа
Povorotnik.rar [9.49 КБ]
Скачиваний: 1651
Сообщение Добавлено: 14 июн 2012, 23:19
  Заголовок сообщения:  Re: стоп, поворотники, габорит, задняя на 2313  
Цитата
Написал письмо автору устройства с просьбой присоединиться и разместить тут на сайте всю информацию. Очень надеюсь, что сможем заинтересовать его поделиться с нами его собственными наработками. Если нет - придется изобретать "велосипед" самим.
Сообщение Добавлено: 08 июн 2012, 08:46

Часовой пояс: UTC + 3 часа [ Летнее время ]


Перейти:  
cron
Powered by phpBB © 2000, 2002, 2005, 2007 phpBB Group
Русская поддержка phpBB