| Автор |
Сообщение |
|
|
| |
Заголовок сообщения: |
Re: стоп, поворотники, габорит, задняя на 2313 |
Цитата |
|
|
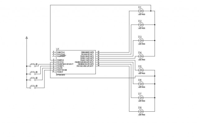
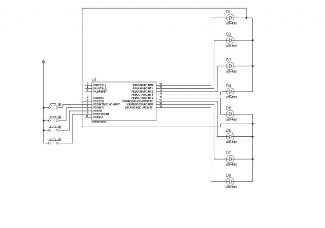
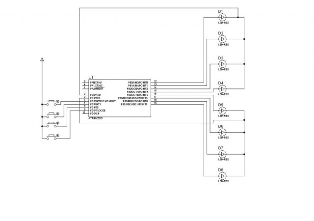
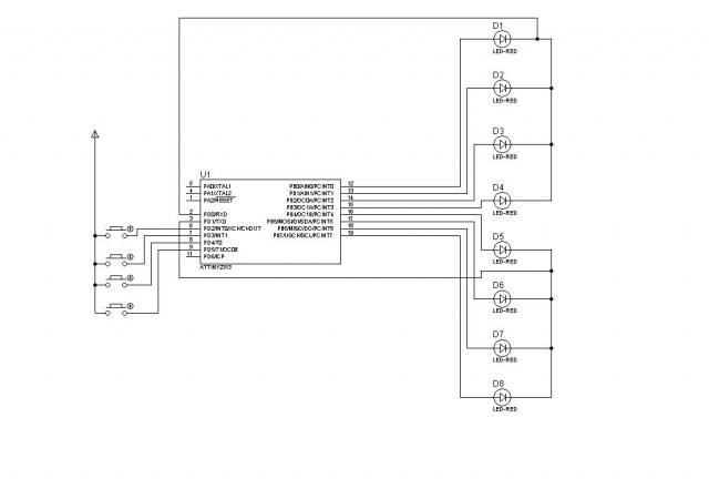
Схема по просьбе N360
| Вложения: |

povorot.JPG [ 43.54 КБ | Просмотров: 18831 ]
|
Схема по просьбе N360
|
|
|
 |
Добавлено: 19 фев 2015, 02:21 |
|
|
 |
|
|
| |
Заголовок сообщения: |
Re: стоп, поворотники, габорит, задняя на 2313 |
Цитата |
|
 Народ кто то на железе воплотил в жизнь сей девайс, или просто для ознакомления качаем? 
:lol: Народ кто то на железе воплотил в жизнь сей девайс, или просто для ознакомления качаем? :?:
|
|
|
 |
Добавлено: 30 окт 2013, 23:00 |
|
|
 |
|
|
| |
Заголовок сообщения: |
Re: стоп, поворотники, габорит, задняя на 2313 |
Цитата |
|
Уже все в архиве 
Уже все в архиве :OK:
|
|
|
 |
Добавлено: 04 сен 2013, 23:30 |
|
|
 |
|
|
| |
Заголовок сообщения: |
Re: стоп, поворотники, габорит, задняя на 2313 |
Цитата |
|
|
А фюзьi какие будеть?
А фюзьi какие будеть?
|
|
|
 |
Добавлено: 30 авг 2013, 22:00 |
|
|
 |
|
|
| |
Заголовок сообщения: |
Re: стоп, поворотники, габорит, задняя на 2313 |
Цитата |
|
Подкоректировал работает. Хотел добавить ШИМ на 3 канала но пока руки не доходят и мозги 
Подкоректировал работает. Хотел добавить ШИМ на 3 канала но пока руки не доходят и мозги :crazy:
|
|
|
 |
Добавлено: 30 авг 2013, 02:01 |
|
|
 |
|
|
| |
Заголовок сообщения: |
Re: стоп, поворотники, габорит, задняя на 2313 |
Цитата |
|
| Вложения: |

povorot.JPG [ 43.54 КБ | Просмотров: 22482 ]
|
[quote="Гость"]Большая просьба . Разжуйте для маленького человека как проверить что Вы набросали??? со схемой ПОЖАЛУЙСТА[/quote] [spoiler=вот схематично набрасал схемку...][attachment=0]povorot.JPG[/attachment][/spoiler] P.S. проверил с прошивкой... чота как то она не работает как надо :)
|
|
|
 |
Добавлено: 15 авг 2012, 10:07 |
|
|
 |
|
|
| |
Заголовок сообщения: |
Re: стоп, поворотники, габорит, задняя на 2313 |
Цитата |
|
|
Большая просьба . Разжуйте для маленького человека как проверить что Вы набросали??? со схемой ПОЖАЛУЙСТА
Большая просьба . Разжуйте для маленького человека как проверить что Вы набросали??? со схемой ПОЖАЛУЙСТА
|
|
|
 |
Добавлено: 14 авг 2012, 19:59 |
|
|
 |
|
|
| |
Заголовок сообщения: |
Re: стоп, поворотники, габорит, задняя на 2313 |
Цитата |
|
|
[quote="Kolini"]Пока автор думает решил (как и обещал) набросать "костяк" программы. Кому нужно, пробуйте, давайте замечания - будем дорабатывать. В железе не собирал, но программу проверил на стенде.
Схему не рисовал, пока попробую объяснить все на словах: - порт B весь выделен поз 8 светодиодов. - порт D частично работает на вход, частично на выход. Пины порта описаны в комментариях в программе. Входы нужно бросать на землю через резисторы 1к, а управлять +.
В программе кадры эффектов расписаны для включения светодиодов как с общим анодом так и с общим катодом. Схемы транзисторных ключей для обоих половинок, соответственно, подбираются под схемы включения светодиодов. В том виде как написана программа - она максимально приближена к схеме оригинала (см.начало этого топика)
Все эффекты пока написаны для 16 шагов с повторением это цикла. Кто хочет, может делать и плавнее и длиннее - программа позволяет. В самой программе все расписано в комментариях, включая частотные настройки процессора.[/quote] А можно схему нарисовать???
|
|
|
 |
Добавлено: 30 июн 2012, 22:11 |
|
|
 |
|
|
| |
Заголовок сообщения: |
Re: стоп, поворотники, габорит, задняя на 2313 |
Цитата |
|
|
Пока автор думает решил (как и обещал) набросать "костяк" программы. Кому нужно, пробуйте, давайте замечания - будем дорабатывать. В железе не собирал, но программу проверил на стенде.
Схему не рисовал, пока попробую объяснить все на словах: - порт B весь выделен поз 8 светодиодов. - порт D частично работает на вход, частично на выход. Пины порта описаны в комментариях в программе. Входы нужно бросать на землю через резисторы 1к, а управлять +.
В программе кадры эффектов расписаны для включения светодиодов как с общим анодом так и с общим катодом. Схемы транзисторных ключей для обоих половинок, соответственно, подбираются под схемы включения светодиодов. В том виде как написана программа - она максимально приближена к схеме оригинала (см.начало этого топика)
Все эффекты пока написаны для 16 шагов с повторением это цикла. Кто хочет, может делать и плавнее и длиннее - программа позволяет. В самой программе все расписано в комментариях, включая частотные настройки процессора.
| Вложения: |
Комментарий к файлу: Вот собственно и сама программа
Povorotnik.rar [9.49 КБ]
Скачиваний: 1805
|
Пока автор думает решил (как и обещал) набросать "костяк" программы. Кому нужно, пробуйте, давайте замечания - будем дорабатывать. В железе не собирал, но программу проверил на стенде.
Схему не рисовал, пока попробую объяснить все на словах: - порт B весь выделен поз 8 светодиодов. - порт D частично работает на вход, частично на выход. Пины порта описаны в комментариях в программе. Входы нужно бросать на землю через резисторы 1к, а управлять +.
В программе кадры эффектов расписаны для включения светодиодов как с общим анодом так и с общим катодом. Схемы транзисторных ключей для обоих половинок, соответственно, подбираются под схемы включения светодиодов. В том виде как написана программа - она максимально приближена к схеме оригинала (см.начало этого топика)
Все эффекты пока написаны для 16 шагов с повторением это цикла. Кто хочет, может делать и плавнее и длиннее - программа позволяет. В самой программе все расписано в комментариях, включая частотные настройки процессора.
|
|
|
 |
Добавлено: 14 июн 2012, 23:19 |
|
|
 |
|
|
| |
Заголовок сообщения: |
Re: стоп, поворотники, габорит, задняя на 2313 |
Цитата |
|
|
Написал письмо автору устройства с просьбой присоединиться и разместить тут на сайте всю информацию. Очень надеюсь, что сможем заинтересовать его поделиться с нами его собственными наработками. Если нет - придется изобретать "велосипед" самим.
Написал письмо автору устройства с просьбой присоединиться и разместить тут на сайте всю информацию. Очень надеюсь, что сможем заинтересовать его поделиться с нами его собственными наработками. Если нет - придется изобретать "велосипед" самим.
|
|
|
 |
Добавлено: 08 июн 2012, 08:46 |
|
|
 |
|