| Автор |
Сообщение |
|
|
| |
Заголовок сообщения: |
Re: Модуль ZiBlog-IR |
Цитата |
|
|
Не думаю,что наши хотелки ускорят дело.Потому наверное лучше вам не мешать работать)))
Не думаю,что наши хотелки ускорят дело.Потому наверное лучше вам не мешать работать)))
|
|
|
 |
Добавлено: 19 янв 2014, 13:03 |
|
|
 |
|
|
| |
Заголовок сообщения: |
Re: Модуль ZiBlog-IR |
Цитата |
|
|
Как только будет устоявшаяся версия тюнера и, соответственно, логика работы (настройки) устройства. Будет создано базовое устройство. После создания базового устройства, остальные устройства с произвольными модулями в них (датчики, термометры, дисплеи, индикаторы...) можно будет создавать гораздо проще и быстрее (вся инфраструктура устройства ZiChip будет наследоваться с базового устройства нужно будет добавлять только отдельные модули).
Как только будет устоявшаяся версия тюнера и, соответственно, логика работы (настройки) устройства. Будет создано базовое устройство. После создания базового устройства, остальные устройства с произвольными модулями в них (датчики, термометры, дисплеи, индикаторы...) можно будет создавать гораздо проще и быстрее (вся инфраструктура устройства ZiChip будет наследоваться с базового устройства нужно будет добавлять только отдельные модули).
|
|
|
 |
Добавлено: 18 янв 2014, 14:18 |
|
|
 |
|
|
| |
Заголовок сообщения: |
Re: Модуль ZiBlog-IR |
Цитата |
|
|
Верное замечание.
Тут все просто с ИК приёмника мы начинали и у него есть конфигурируемая часть - коды клавиш.
Изначально в программе тюнер было заложено фиксированное (предустановленное кол-во) модулей, что требует изменения программы для добавления нового.
На текущий момент появилась идея как это исправить и Евгений согласился что переделывать нужно сейчас. Это позволит оптимизировать использование памяти для сценариев (EEPROM). Процесс двигается медленно, потому что в HiAsm я полный ноль и Евгений пишет тюнер в одиночку.
В целом я хочу сказать, что сейчас мы работаем по большей части над логикой нежели над новыми устройствами. А на счет модулей и устройств я уже писал, что было бы не плохо иметь ветку на форуме где собирать в кучу все хотели, но мы просто забыли. Нужно будет добавить...
Верное замечание.
Тут все просто с ИК приёмника мы начинали и у него есть конфигурируемая часть - коды клавиш.
Изначально в программе тюнер было заложено фиксированное (предустановленное кол-во) модулей, что требует изменения программы для добавления нового.
На текущий момент появилась идея как это исправить и Евгений согласился что переделывать нужно сейчас. Это позволит оптимизировать использование памяти для сценариев (EEPROM). Процесс двигается медленно, потому что в HiAsm я полный ноль и Евгений пишет тюнер в одиночку.
В целом я хочу сказать, что сейчас мы работаем по большей части над логикой нежели над новыми устройствами. А на счет модулей и устройств я уже писал, что было бы не плохо иметь ветку на форуме где собирать в кучу все хотели, но мы просто забыли. Нужно будет добавить...
|
|
|
 |
Добавлено: 18 янв 2014, 06:54 |
|
|
 |
|
|
| |
Заголовок сообщения: |
Re: Модуль ZiBlog-IR |
Цитата |
|
|
Если это устройство зичип,то почему всегда у устройств зичип есть модуль ТСОП и обработчик?А иного модуля нет(Тогоже тонального набора.Ну и обработчика в программе.Или радиомодуля и его обработчика)Я понял что в перспективе так будет.И я ее очень жду.Так может не отвлекаться и ,так сказать, бросить все силы на что-то одно?
Если это устройство зичип,то почему всегда у устройств зичип есть модуль ТСОП и обработчик?А иного модуля нет(Тогоже тонального набора.Ну и обработчика в программе.Или радиомодуля и его обработчика)Я понял что в перспективе так будет.И я ее очень жду.Так может не отвлекаться и ,так сказать, бросить все силы на что-то одно?
|
|
|
 |
Добавлено: 18 янв 2014, 00:23 |
|
|
 |
|
|
| |
Заголовок сообщения: |
Re: Модуль ZiBlog-IR |
Цитата |
|
|
Эми... Не много не то, это модуль зичип-устройство. Цель повторения в первую очередь показать как работает и для чего задумывался зичип в сравнении с "обычным" устройством. Во вторую функциональная нагрузка. Пока не уверен в объёме памяти, но думаю для малых сценариев его хватит. В теории можно будет "самому" реализовать большинство модификаций прототипа без участия программеров. Например задать уровень выходного сигнала или длительность его удержания после приёма ИК-посылки от пульта. Основная цель моих комментариев привлечение внимания зичип, я понимаю что на данный момент мы толком ни чего не показали, но реалии таковы что на хобби не получается выделять много времени поэтому процесс и затягивается. Вдруг у кого-то будут замечания по схеме или по плате.
После хоть какой-то откачки уже можно будет говорить о расширении функциональности зичип. В том числе и дтмф есть в планах реализовать простенький.
Эми... Не много не то, это модуль зичип-устройство. Цель повторения в первую очередь показать как работает и для чего задумывался зичип в сравнении с "обычным" устройством. Во вторую функциональная нагрузка. Пока не уверен в объёме памяти, но думаю для малых сценариев его хватит. В теории можно будет "самому" реализовать большинство модификаций прототипа без участия программеров. Например задать уровень выходного сигнала или длительность его удержания после приёма ИК-посылки от пульта. Основная цель моих комментариев привлечение внимания зичип, я понимаю что на данный момент мы толком ни чего не показали, но реалии таковы что на хобби не получается выделять много времени поэтому процесс и затягивается. Вдруг у кого-то будут замечания по схеме или по плате.
После хоть какой-то откачки уже можно будет говорить о расширении функциональности зичип. В том числе и дтмф есть в планах реализовать простенький.
|
|
|
 |
Добавлено: 17 янв 2014, 19:22 |
|
|
 |
|
|
| |
Заголовок сообщения: |
Re: Модуль ZiBlog-IR |
Цитата |
|
|
Так есть же такое на тиньке 2313.Смысл повторять одно и тоже?Может что новое разработать,если есть желание.Тот же тональный набор с мобилы?Или какой климатконтроль в авто...Да масса интересных возможностей....Эх разбирался я бы так в программировании...
Так есть же такое на тиньке 2313.Смысл повторять одно и тоже?Может что новое разработать,если есть желание.Тот же тональный набор с мобилы?Или какой климатконтроль в авто...Да масса интересных возможностей....Эх разбирался я бы так в программировании...
|
|
|
 |
Добавлено: 17 янв 2014, 18:31 |
|
|
 |
|
|
| |
Заголовок сообщения: |
Модуль ZiBlog-IR |
Цитата |
|
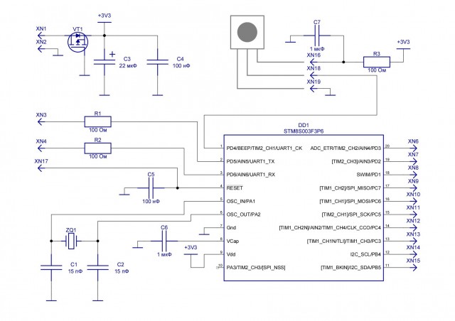
Хочу сделать в качестве мелкого модуля зичипа некий аналог "Управление нагрузками при помощи IR-пульта", вот набросал схемку и платку. Может у кого есть какие-то мысли и предложения ?
123.jpg [ 149.45 КБ | Просмотров: 21339 ]
123.PNG [ 25.42 КБ | Просмотров: 21339 ]
Хочу сделать в качестве мелкого модуля зичипа некий аналог "Управление нагрузками при помощи IR-пульта", вот набросал схемку и платку. Может у кого есть какие-то мысли и предложения ? :)
[size=150][url]http://zichip.ru/projects/ziblog-ir/[/url][/size]
[attachment=0]123.jpg[/attachment]
[attachment=1]123.PNG[/attachment]
|
|
|
 |
Добавлено: 17 янв 2014, 08:45 |
|
|
 |
|