Перейти к блогу GetChip.net - блог        JilTE[1] - в разработке     Модификации устройств - модификации

 
Текущее время: 20 окт 2025, 21:33

Часовой пояс: UTC + 3 часа [ Летнее время ]



Ответить
Имя пользователя:
Заголовок:
Текст сообщения:
Введите текст вашего сообщения. Длина сообщения в символах не более: 60000

Размер шрифта:
Цвет шрифта
Настройки:
BBCode ВКЛЮЧЁН
[img] ВКЛЮЧЁН
[flash] ВЫКЛЮЧЕН
[url] ВКЛЮЧЁН
Смайлики ВЫКЛЮЧЕНЫ
Отключить в этом сообщении BBCode
Не преобразовывать адреса URL в ссылки
Анти-спам
Анти-спам:
Выполните задание
   

Обзор темы - Электронный сигнализатор поклевки
Автор Сообщение
  Заголовок сообщения:  Re: Электронный сигнализатор поклевки  
Цитата
Всем привет! Ребят, дайте пожалуйста ссылку на проект от ZAS. Схема, прошивка сигнализатора поклевки не акселиромтре.
Сообщение Добавлено: 05 ноя 2021, 00:25
  Заголовок сообщения:  Re: Электронный сигнализатор поклевки  
Цитата
Сообщение Добавлено: 23 июн 2021, 14:13
  Заголовок сообщения:  Re: Электронный сигнализатор поклевки  
Цитата
Я вот так сделал подключение и там при прикасании вкл и переключение функций должнобыть.


Вложения:
подключение TTP223.png
подключение TTP223.png [ 226.95 КБ | Просмотров: 54288 ]
Сообщение Добавлено: 23 июн 2021, 11:56
  Заголовок сообщения:  Re: Электронный сигнализатор поклевки  
Цитата
Сообщение Добавлено: 22 июн 2021, 14:22
  Заголовок сообщения:  Re: Электронный сигнализатор поклевки  
Цитата
Схема.jpg
Схема.jpg [ 76.75 КБ | Просмотров: 54528 ]
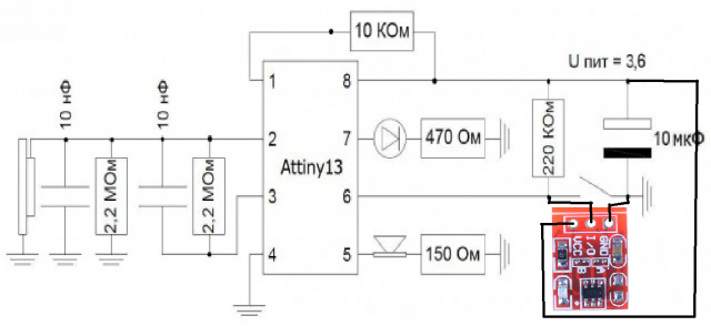
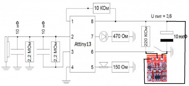
Ребята подскажите как подключить правильно
Ттр223 сенсорный выкючатель Сигнализатор от ZAS с прошивкой с автоотключением. Я сенсор подключаю в место кнопки и тогда бузер перестаёт работать. Куда его правельно подключить на этой схеме?
Сообщение Добавлено: 11 июн 2021, 00:38
  Заголовок сообщения:  Re: Электронный сигнализатор поклевки  
Цитата
Здравствуйте, собрал сигнализатор по схеме товарища ZAS, прошивку брал тут (немного поменял) ,в домашних условиях все работает, на водоёме ещё не было времени проверить.
Теперь собственно вопрос. есть 2 (два) датчика с объектива Canon, Epson XV-3500 можно ли их применить для наших нужд (сигнализатор поклевки) я так понимаю он аналоговый ?
Спасибо.
Сообщение Добавлено: 16 май 2021, 16:46
  Заголовок сообщения:  Re: Электронный сигнализатор поклевки  
Цитата
Есть еще один интересный аналоговый акселерометр - MMA7361L.
аксель.jpg
аксель.jpg [ 27.19 КБ | Просмотров: 55210 ]

features.jpg
features.jpg [ 48.52 КБ | Просмотров: 55210 ]
Сообщение Добавлено: 07 май 2021, 08:33
  Заголовок сообщения:  Re: Электронный сигнализатор поклевки  
Цитата
Сигнал такой же как и с пьезо, правда со смещением в 1/2 напряжения питания для определения направления ускорения.
Сообщение Добавлено: 06 май 2021, 10:00
  Заголовок сообщения:  Re: Электронный сигнализатор поклевки  
Цитата
Сообщение Добавлено: 06 май 2021, 09:55
  Заголовок сообщения:  Re: Электронный сигнализатор поклевки  
Цитата
Возвращаясь к теме сигнализатора на ATtiny85.
И все же оригинальное решение в выборе датчика для него есть!!!
Это аналоговый акселерометр.
Например ADXL335.
Высокая чувствительность, выносливость. Простое использование.
Ни каких SPI и всего один пин микроконтроллера для подключения.
Возможность детектирования заброса и подсечки. 85 & ADXL335.jpg
85 & ADXL335.jpg [ 293.5 КБ | Просмотров: 14359 ]
Сообщение Добавлено: 06 май 2021, 09:31

Часовой пояс: UTC + 3 часа [ Летнее время ]


Перейти:  
Powered by phpBB © 2000, 2002, 2005, 2007 phpBB Group
Русская поддержка phpBB