| Автор |
Сообщение |
|
|
| |
Заголовок сообщения: |
Re: Электронный сигнализатор поклевки |
Цитата |
|
|
Всем привет! Ребят, дайте пожалуйста ссылку на проект от ZAS. Схема, прошивка сигнализатора поклевки не акселиромтре.
Всем привет! Ребят, дайте пожалуйста ссылку на проект от ZAS. Схема, прошивка сигнализатора поклевки не акселиромтре.
|
|
|
 |
Добавлено: 05 ноя 2021, 00:25 |
|
|
 |
|
|
| |
Заголовок сообщения: |
Re: Электронный сигнализатор поклевки |
Цитата |
|
|
[quote="stik"]Я вот так сделал подключение и там при прикасании вкл и переключение функций должнобыть.[/quote] Посмотрите на конфигурацию TTP223 почитайте в интернете , может быть в этом проблема
|
|
|
 |
Добавлено: 23 июн 2021, 14:13 |
|
|
 |
|
|
| |
Заголовок сообщения: |
Re: Электронный сигнализатор поклевки |
Цитата |
|
|
Я вот так сделал подключение и там при прикасании вкл и переключение функций должнобыть.
| Вложения: |

подключение TTP223.png [ 226.95 КБ | Просмотров: 65478 ]
|
Я вот так сделал подключение и там при прикасании вкл и переключение функций должнобыть.
|
|
|
 |
Добавлено: 23 июн 2021, 11:56 |
|
|
 |
|
|
| |
Заголовок сообщения: |
Re: Электронный сигнализатор поклевки |
Цитата |
|
|
[quote]stik[/quote] Вы правильно настроили TTP223?
|
|
|
 |
Добавлено: 22 июн 2021, 14:22 |
|
|
 |
|
|
| |
Заголовок сообщения: |
Re: Электронный сигнализатор поклевки |
Цитата |
|
Схема.jpg [ 76.75 КБ | Просмотров: 65718 ]
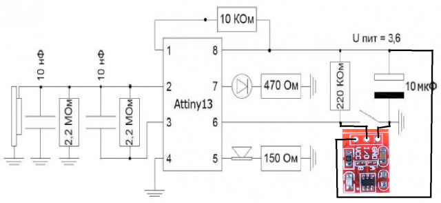
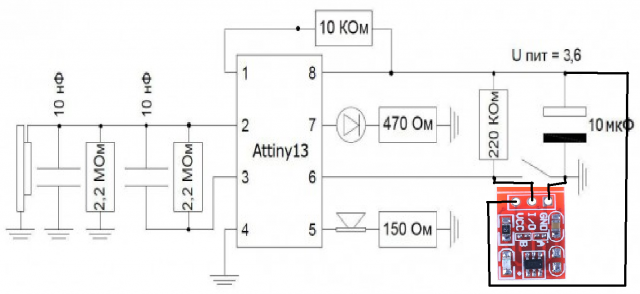
Ребята подскажите как подключить правильно Ттр223 сенсорный выкючатель Сигнализатор от ZAS с прошивкой с автоотключением. Я сенсор подключаю в место кнопки и тогда бузер перестаёт работать. Куда его правельно подключить на этой схеме?
[attachment=0]Схема.jpg[/attachment]Ребята подскажите как подключить правильно Ттр223 сенсорный выкючатель Сигнализатор от ZAS с прошивкой с автоотключением. Я сенсор подключаю в место кнопки и тогда бузер перестаёт работать. Куда его правельно подключить на этой схеме?
|
|
|
 |
Добавлено: 11 июн 2021, 00:38 |
|
|
 |
|
|
| |
Заголовок сообщения: |
Re: Электронный сигнализатор поклевки |
Цитата |
|
|
Здравствуйте, собрал сигнализатор по схеме товарища ZAS, прошивку брал тут (немного поменял) ,в домашних условиях все работает, на водоёме ещё не было времени проверить. Теперь собственно вопрос. есть 2 (два) датчика с объектива Canon, Epson XV-3500 можно ли их применить для наших нужд (сигнализатор поклевки) я так понимаю он аналоговый ? Спасибо.
Здравствуйте, собрал сигнализатор по схеме товарища ZAS, прошивку брал тут (немного поменял) ,в домашних условиях все работает, на водоёме ещё не было времени проверить. Теперь собственно вопрос. есть 2 (два) датчика с объектива Canon, Epson XV-3500 [url]https://kc.kexinshe.com/r/108324?t=attachment[/url] можно ли их применить для наших нужд (сигнализатор поклевки) я так понимаю он аналоговый ? Спасибо.
|
|
|
 |
Добавлено: 16 май 2021, 16:46 |
|
|
 |
|
|
| |
Заголовок сообщения: |
Re: Электронный сигнализатор поклевки |
Цитата |
|
Есть еще один интересный аналоговый акселерометр - MMA7361L.
аксель.jpg [ 27.19 КБ | Просмотров: 66400 ]
features.jpg [ 48.52 КБ | Просмотров: 66400 ]
Есть еще один интересный аналоговый акселерометр - MMA7361L. [attachment=1]аксель.jpg[/attachment] [attachment=0]features.jpg[/attachment]
|
|
|
 |
Добавлено: 07 май 2021, 08:33 |
|
|
 |
|
|
| |
Заголовок сообщения: |
Re: Электронный сигнализатор поклевки |
Цитата |
|
|
Сигнал такой же как и с пьезо, правда со смещением в 1/2 напряжения питания для определения направления ускорения.
Сигнал такой же как и с пьезо, правда со смещением в 1/2 напряжения питания для определения направления ускорения.
|
|
|
 |
Добавлено: 06 май 2021, 10:00 |
|
|
 |
|
|
| |
Заголовок сообщения: |
Re: Электронный сигнализатор поклевки |
Цитата |
|
|
[quote="rioi"]аналоговый акселерометр. Например ADXL335.[/quote] [b]rioi[/b], а какой силнал на его выходе?
|
|
|
 |
Добавлено: 06 май 2021, 09:55 |
|
|
 |
|
|
| |
Заголовок сообщения: |
Re: Электронный сигнализатор поклевки |
Цитата |
|
Возвращаясь к теме сигнализатора на ATtiny85. И все же оригинальное решение в выборе датчика для него есть!!! Это аналоговый акселерометр. Например ADXL335. Высокая чувствительность, выносливость. Простое использование. Ни каких SPI и всего один пин микроконтроллера для подключения. Возможность детектирования заброса и подсечки.
85 & ADXL335.jpg [ 293.5 КБ | Просмотров: 19225 ]
Возвращаясь к теме сигнализатора на ATtiny85. И все же оригинальное решение в выборе датчика для него есть!!! Это аналоговый акселерометр. Например ADXL335. Высокая чувствительность, выносливость. Простое использование. Ни каких SPI и всего один пин микроконтроллера для подключения. Возможность детектирования заброса и подсечки.[attachment=0]85 & ADXL335.jpg[/attachment]
|
|
|
 |
Добавлено: 06 май 2021, 09:31 |
|
|
 |