Перейти к блогу GetChip.net - блог        JilTE[1] - в разработке     Модификации устройств - модификации

 
Текущее время: 26 май 2026, 12:54

Часовой пояс: UTC + 3 часа [ Летнее время ]



Начать новую тему Ответить на тему  [ Сообщений: 3 ] 
Автор Сообщение
 Заголовок сообщения: AVR+ТСМ_50М
СообщениеДобавлено: 15 июл 2012, 21:49 
Не в сети

Зарегистрирован: 23 май 2012, 22:07
Сообщения: 38
Нормирующий преобразователь взял отсюда: http://kravitnik.narod.ru/other/termo3.html

При -50 гр.(39,24 Ом) выставляю ноль,а при +50 гр.(60,7 Ом) выставляю 2,56 В. Показания во всем диапазоне линейны,работает отлично.Хочу подать все это счастье на mega8A,но есть две проблемы:
1. При обрыве датчика напруга на выходе преобразователя прыгает до напряжения питания преобразователя,а оно 12 В и mega8 скоропостижно сгорает.
2. При отключении питания напруга улетает в минус (питание у пребразователя двуполярное,я намотал трансформатор со средней точкой по 15В и поставил 7812 и 7912) и mega8 тоже скоропостижно сгорает.

Пробовал ставить на выход преобразователя диод, а после него стабилитрон 5,1В через резистор 22 Ом на землю - помогает, но показания становятся нелинейными. Этот вариант не подходит. Может кто подскажет,как поступить.


Вернуться к началу
 Профиль Отправить личное сообщение  
Ответить с цитатой  
 Заголовок сообщения: Re: AVR+ТСМ_50М
СообщениеДобавлено: 16 июл 2012, 09:12 
Не в сети

Зарегистрирован: 20 май 2011, 23:58
Сообщения: 545
Ну поставьте резистор килом в 100. 2 диода на плюс питания и на землю

_________________
Чтобы получить правильные ответы, надо задавать правильные вопросы!


Вернуться к началу
 Профиль Отправить личное сообщение  
Ответить с цитатой  
 Заголовок сообщения: Re: AVR+ТСМ_50М
СообщениеДобавлено: 17 июл 2012, 15:11 
Не в сети

Зарегистрирован: 23 май 2012, 22:07
Сообщения: 38
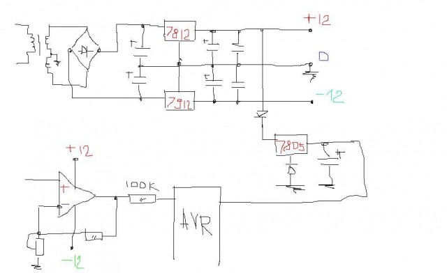
Извините,не понял. Диоды по питанию КОНТРОЛЛЕРА,а резистор на вход АЦП? А показания из-за резистора искажаться не будут?


Вложения:
Cxema.JPG
Cxema.JPG [ 38.29 КБ | Просмотров: 14196 ]
Вернуться к началу
 Профиль Отправить личное сообщение  
Ответить с цитатой  
Показать сообщения за:  Поле сортировки  
Начать новую тему Ответить на тему  [ Сообщений: 3 ] 

Часовой пояс: UTC + 3 часа [ Летнее время ]


Кто сейчас на конференции

Сейчас этот форум просматривают: нет зарегистрированных пользователей и гости: 1


Вы можете начинать темы
Вы можете отвечать на сообщения
Вы не можете редактировать свои сообщения
Вы не можете удалять свои сообщения
Вы не можете добавлять вложения

Найти:
Перейти:  
cron
Powered by phpBB © 2000, 2002, 2005, 2007 phpBB Group
Русская поддержка phpBB