Перейти к блогу GetChip.net - блог        JilTE[1] - в разработке     Модификации устройств - модификации

 
Текущее время: 30 ноя 2025, 01:08

Часовой пояс: UTC + 3 часа [ Летнее время ]



Начать новую тему Ответить на тему  [ Сообщений: 20 ]  На страницу 1, 2  След.
Автор Сообщение
 Заголовок сообщения: "Прозвонка"
СообщениеДобавлено: 26 авг 2011, 00:37 
Не в сети

Зарегистрирован: 20 май 2011, 23:58
Сообщения: 39
Ребята, помогите пожалуйста определиться со схемотехникой.
Суть: у меня есть два мультиметра от UNI-Trend, у обоих режим прозвонки, но есть две беды:
1. оба прибора по неведомым причинам очень долго думают, прежде чем запищать;
2. они довольно крупные.

Хочу собрать свой с блекджеком :)
Устройство должно выполнять функцию прозвонки (пищать), при сопротивлении цепи не более 100 Ом. Все устройство я планирую поместить в корпус маркера и питаться от (!) одной батарейки AAA - это принципиально. Операционный усилитель на напряжение 0.8-2.0В я нашел (для импровизированного Ом-метра, правда со схемой до конца еще не определился), а как быть со звуковым генератором? Ни могу ничего придумать, что будет пищать при столь низком напряжении.

Друзья, помогите пожалуйста, устройство очень нужное по-жизни!


Вернуться к началу
 Профиль Отправить личное сообщение  
Ответить с цитатой  
 Заголовок сообщения: Re: "Прозвонка"
СообщениеДобавлено: 26 авг 2011, 08:43 
Не в сети
Аватара пользователя

Зарегистрирован: 06 июн 2011, 23:15
Сообщения: 141
Мультивибратор на двух транзисторах по-идее должен выручить. На выход - баззер от ПЦ-мамы. Даже операционник не понадобится.


Вернуться к началу
 Профиль Отправить личное сообщение  
Ответить с цитатой  
 Заголовок сообщения: Re: "Прозвонка"
СообщениеДобавлено: 26 авг 2011, 11:13 
Не в сети

Зарегистрирован: 20 май 2011, 23:58
Сообщения: 39


Вложения:
01.png
01.png [ 117.91 КБ | Просмотров: 28177 ]
Вернуться к началу
 Профиль Отправить личное сообщение  
Ответить с цитатой  
 Заголовок сообщения: Re: "Прозвонка"
СообщениеДобавлено: 26 авг 2011, 11:26 
Не в сети
Аватара пользователя

Зарегистрирован: 06 июн 2011, 23:15
Сообщения: 141
баззер - он же пьзопищалка, в народе ошибочно именуемый буззером :)
Транзисторы - не знаю, по идее - любые мелкомощные.


Вернуться к началу
 Профиль Отправить личное сообщение  
Ответить с цитатой  
 Заголовок сообщения: Re: "Прозвонка"
СообщениеДобавлено: 26 авг 2011, 12:49 
Не в сети

Зарегистрирован: 20 май 2011, 23:58
Сообщения: 39
А пьезодинамики бывают на 0.8 Вольта?


Вернуться к началу
 Профиль Отправить личное сообщение  
Ответить с цитатой  
 Заголовок сообщения: Re: "Прозвонка"
СообщениеДобавлено: 27 авг 2011, 21:26 
Не в сети
Аватара пользователя

Зарегистрирован: 29 май 2011, 17:59
Сообщения: 3769
Откуда: Россия
Пьезоизлучатель вполне хорошо работает при таком напряжении. Громкость звука для прозвонки вполне будет достаточной. А что за ОУ используешь? Теоретически схема верна, но на практике, есть некоторые сомнения относительно дрейфа нуля. Если бы не оговорка (100 Ом), то это устройство легко выполнить на двух транзисторах. А при оговорке (не более 100 Ом), я думаю, мультивибратор на двух транзисторах не выручит, так как очень маленькое напряжение питания. Хотя можно и попробовать. :)


Вернуться к началу
 Профиль Отправить личное сообщение  
Ответить с цитатой  
 Заголовок сообщения: Re: "Прозвонка"
СообщениеДобавлено: 27 авг 2011, 21:54 
Не в сети

Зарегистрирован: 20 май 2011, 23:58
Сообщения: 39
100 ОМ +-10%. С дрейфом нуля я думаю можно бороться подстроечником, вместо одного из резисторов на инвертирующем входе.

Операционник TS1001IJ5T.

Буду искать активную ультракомпактную пьезу в общем :) Есть какие-нибудь предложения по выбору?


Вернуться к началу
 Профиль Отправить личное сообщение  
Ответить с цитатой  
 Заголовок сообщения: Re: "Прозвонка"
СообщениеДобавлено: 28 авг 2011, 15:11 
Не в сети
Аватара пользователя

Зарегистрирован: 29 май 2011, 17:59
Сообщения: 3769
Откуда: Россия
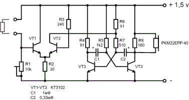
Если с ОУ не получится, то вот токая схема должна работать нормально. Единственный минус, чувствительность к напряжению питания. При снижении напряжения питания, необходимо подстраивать делитель с помощью R1. Для снижения тока потребления, в коллектор VT1, можно установить резистор 91 Ом.
Прозвонка.gif
Прозвонка.gif [ 6.9 КБ | Просмотров: 28139 ]


Вернуться к началу
 Профиль Отправить личное сообщение  
Ответить с цитатой  
 Заголовок сообщения: Re: "Прозвонка"
СообщениеДобавлено: 28 авг 2011, 18:28 
Не в сети

Зарегистрирован: 20 май 2011, 23:58
Сообщения: 39
Спасибо! Я там понял, это дифференциальный каскад и мультивибратор. А есть альтернатива транзисторам, я все это дело думаю сделать на smd, в данный момент есть только bc847.

И еще: вот пьезоизлучатель будет работать на низком напряжении? Просто судя по даташиту - нет, но более низковольтных я что-то не нахожу...


Вернуться к началу
 Профиль Отправить личное сообщение  
Ответить с цитатой  
 Заголовок сообщения: Re: "Прозвонка"
СообщениеДобавлено: 28 авг 2011, 19:13 
Не в сети
Аватара пользователя

Зарегистрирован: 29 май 2011, 17:59
Сообщения: 3769
Откуда: Россия


Вернуться к началу
 Профиль Отправить личное сообщение  
Ответить с цитатой  
Показать сообщения за:  Поле сортировки  
Начать новую тему Ответить на тему  [ Сообщений: 20 ]  На страницу 1, 2  След.

Часовой пояс: UTC + 3 часа [ Летнее время ]


Кто сейчас на конференции

Сейчас этот форум просматривают: нет зарегистрированных пользователей и гости: 3


Вы можете начинать темы
Вы можете отвечать на сообщения
Вы не можете редактировать свои сообщения
Вы не можете удалять свои сообщения
Вы не можете добавлять вложения

Найти:
Перейти:  
cron
Powered by phpBB © 2000, 2002, 2005, 2007 phpBB Group
Русская поддержка phpBB