Привет коллеги! Собственно это не чисто библиотека, а информация к размышлению и уже почти готовый проект. Помещаю для ознакомления и "жду похвал" . Технические подробности по запросу. Вопросы приветствуются. Прикладываю ссылки послужившие "толчком" к разработке.
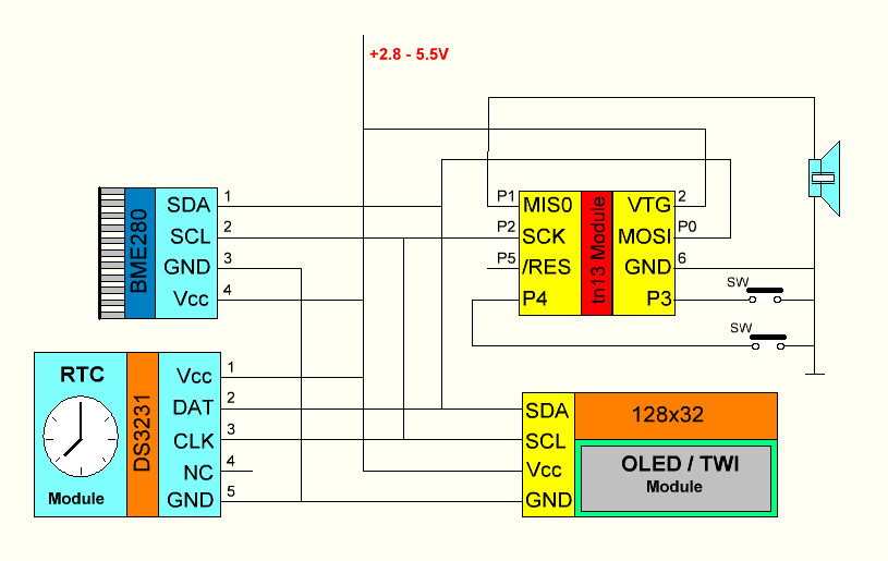
На экране дисплея (128Х32) Большими цифрами (16Х32) последовательно отображаются:
- Напряжение на кристалле и его температура
- температура с АМ2320
- влажность с АМ2320
- часы и минуты с DS3231
- день, месяц и год с DS3231
- температура с DS3231
цикл бесконечен.
Установка часов производится при старте программы с любой нажатой кнопкой
Порядок установки:
- год, месяц, день, часы, минуты
изменение параметра кнопкой плюс, переход к следующему кнопкой SET.
и переход к бесконечному циклу...
Изменяемый параметр мигает. Изменения параметра происходит только в сторону увеличения в разумных пределах:
год 20-59
месяц 1-12
дата 1-31
часы 00-23
минуты 00-59
При достижении верхнего максимума, переход на минимальное значение и так по кругу....
Пока всё...
P.S. Есть видео работы, но здесь не помещается
