Перейти к блогу GetChip.net - блог        JilTE[1] - в разработке     Модификации устройств - модификации

 
Текущее время: 16 дек 2025, 07:59

Часовой пояс: UTC + 3 часа [ Летнее время ]



Начать новую тему Ответить на тему  [ Сообщений: 113 ]  На страницу Пред.  1, 2, 3, 4, 5 ... 12  След.
Автор Сообщение
 Заголовок сообщения: Re: Мод #065 (Четырехканальный сенсорный переключатель нагру
СообщениеДобавлено: 18 янв 2013, 02:19 
Не в сети
Администратор
Аватара пользователя

Зарегистрирован: 15 май 2011, 23:00
Сообщения: 1904


Вернуться к началу
 Профиль Отправить личное сообщение  
Ответить с цитатой  
 Заголовок сообщения: Re: Мод #065 (Четырехканальный сенсорный переключатель нагру
СообщениеДобавлено: 23 янв 2013, 18:40 
Не в сети

Зарегистрирован: 20 окт 2011, 12:52
Сообщения: 9
алгоритм простой 4 канала работают как вкл выкл другие 4 тоже вкл выкл но при удержании сенсора шим от 0 до 100% и при наборе 100% если сенсор не отпустить то идёт на убавление от 100% и до 0


Вернуться к началу
 Профиль Отправить личное сообщение  
Ответить с цитатой  
 Заголовок сообщения: Re: Мод #065 (Четырехканальный сенсорный переключатель нагру
СообщениеДобавлено: 24 янв 2013, 00:02 
Не в сети
Администратор
Аватара пользователя

Зарегистрирован: 15 май 2011, 23:00
Сообщения: 1904
Закончу новое устройство на его базе можно будет сделать модификацию


Вернуться к началу
 Профиль Отправить личное сообщение  
Ответить с цитатой  
 Заголовок сообщения: Re: Мод #065 (Четырехканальный сенсорный переключатель нагру
СообщениеДобавлено: 24 янв 2013, 00:21 
Не в сети
Аватара пользователя

Зарегистрирован: 13 янв 2013, 03:35
Сообщения: 161

_________________
Оно и не что-либо как и не как-либо что. А что касательно относительно - то безусловно. Оно и не надо было бы, но доведись такое дело - вот я вам и пожалуйста. Я все.

PS: используйте вышеприведенную информацию на свой страх и риск..


Вернуться к началу
 Профиль Отправить личное сообщение  
Ответить с цитатой  
 Заголовок сообщения: Re: Мод #065 (Четырехканальный сенсорный переключатель нагру
СообщениеДобавлено: 24 янв 2013, 18:09 
Не в сети

Зарегистрирован: 20 окт 2011, 12:52
Сообщения: 9
да я в принципе с тобой согласен


Вернуться к началу
 Профиль Отправить личное сообщение  
Ответить с цитатой  
 Заголовок сообщения: Re: Мод #065 (Четырехканальный сенсорный переключатель нагру
СообщениеДобавлено: 21 фев 2013, 20:56 
Не в сети

Зарегистрирован: 20 окт 2011, 12:52
Сообщения: 9
GetChiper вечер добрый. ну как там дела с модом?


Вернуться к началу
 Профиль Отправить личное сообщение  
Ответить с цитатой  
 Заголовок сообщения: Re: Мод #065 (Четырехканальный сенсорный переключатель нагру
СообщениеДобавлено: 21 фев 2013, 22:05 
Не в сети
Администратор
Аватара пользователя

Зарегистрирован: 15 май 2011, 23:00
Сообщения: 1904
Сейчас в разработке устройство которое сможет делать такие штуки


Вернуться к началу
 Профиль Отправить личное сообщение  
Ответить с цитатой  
 Заголовок сообщения: Re: Мод #065 (Четырехканальный сенсорный переключатель нагру
СообщениеДобавлено: 05 мар 2013, 22:03 
Не в сети
Аватара пользователя

Зарегистрирован: 05 ноя 2012, 22:04
Сообщения: 7
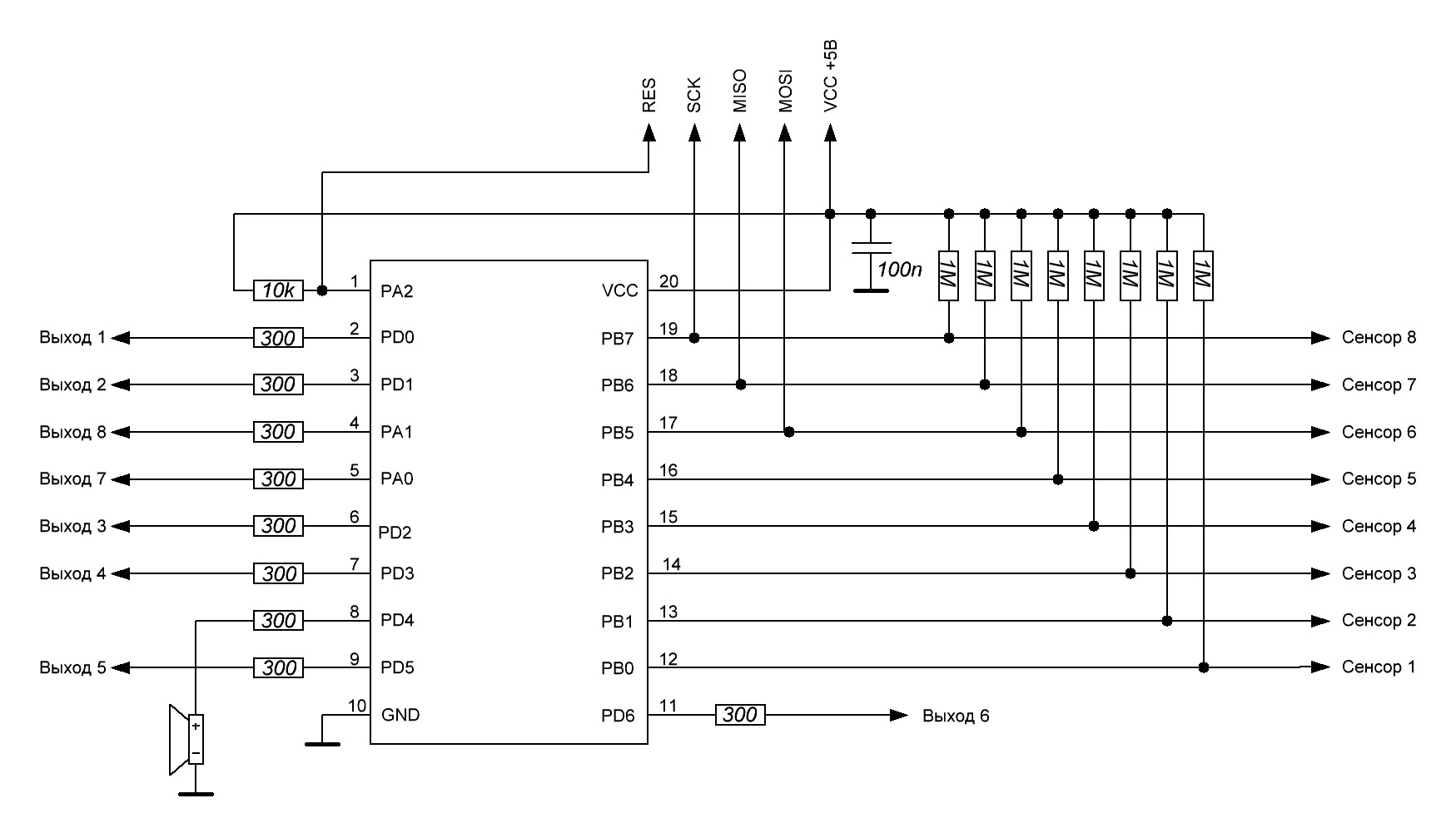
Модифицировал схему, сделал так - 8 сенсоров - 8 протов управления нагрузкой. Пока сенсор "нажат" напряжение на соответствующем выводе присутствует. Делал для управления сервоприводом камеры. Выкладываю схему и исходник с прошивкой. Спасибо автору за столь необычное и современное устройство!


Вложения:
Программа.rar [18.43 КБ]
Скачиваний: 1059
8_кнопок_8_нагрузок.JPG
8_кнопок_8_нагрузок.JPG [ 146.39 КБ | Просмотров: 18190 ]
Вернуться к началу
 Профиль Отправить личное сообщение  
Ответить с цитатой  
 Заголовок сообщения: Re: Мод #065 (Четырехканальный сенсорный переключатель нагру
СообщениеДобавлено: 07 мар 2013, 21:40 
Не в сети
Аватара пользователя

Зарегистрирован: 05 ноя 2012, 22:04
Сообщения: 7
Выкладываю обновлённую прошивку, исправлена возможность зависания и ещё некоторые недочёты. Зависание происходило в подпрограмме Ex_Key из-за запрещённых в макросе Get_Sens прерываниях при переполнении регистра Accum_FR.


Вложения:
Программа.rar [18.7 КБ]
Скачиваний: 1059
Вернуться к началу
 Профиль Отправить личное сообщение  
Ответить с цитатой  
 Заголовок сообщения: Re: Мод #065 (Четырехканальный сенсорный переключатель нагру
СообщениеДобавлено: 22 янв 2014, 15:18 
Не в сети

Зарегистрирован: 22 янв 2014, 15:10
Сообщения: 11
Здравствуйте1
Собрал устройство по последней схеме, где 8 кнопок и 8 не фиксированных выходов.
Но почему-то отказывается работать а только щелкает пьезо-динамик постоянно.
В чем причина подскажите?
Печатную плату вытравил способом лут, фьюзы вроде правильно выставил.
Пробовал рисовать эту схему в протеусе, результат тот-же щелкает и все.


Вернуться к началу
 Профиль Отправить личное сообщение  
Ответить с цитатой  
Показать сообщения за:  Поле сортировки  
Начать новую тему Ответить на тему  [ Сообщений: 113 ]  На страницу Пред.  1, 2, 3, 4, 5 ... 12  След.

Часовой пояс: UTC + 3 часа [ Летнее время ]


Кто сейчас на конференции

Сейчас этот форум просматривают: нет зарегистрированных пользователей и гости: 2


Вы можете начинать темы
Вы можете отвечать на сообщения
Вы не можете редактировать свои сообщения
Вы не можете удалять свои сообщения
Вы не можете добавлять вложения

Найти:
Перейти:  
cron
Powered by phpBB © 2000, 2002, 2005, 2007 phpBB Group
Русская поддержка phpBB