Перейти к блогу GetChip.net - блог        JilTE[1] - в разработке     Модификации устройств - модификации

 
Текущее время: 14 май 2026, 02:06

Часовой пояс: UTC + 3 часа [ Летнее время ]



Начать новую тему Ответить на тему  [ Сообщений: 27 ]  На страницу Пред.  1, 2, 3
Автор Сообщение
 Заголовок сообщения: Re: стоп, поворотники, габорит, задняя на 2313
СообщениеДобавлено: 14 авг 2012, 19:59 
Большая просьба . Разжуйте для маленького человека как проверить что Вы набросали??? со схемой ПОЖАЛУЙСТА


Вернуться к началу
  
Ответить с цитатой  
 Заголовок сообщения: Re: стоп, поворотники, габорит, задняя на 2313
СообщениеДобавлено: 15 авг 2012, 10:07 
Не в сети
Аватара пользователя

Зарегистрирован: 09 сен 2011, 06:43
Сообщения: 294


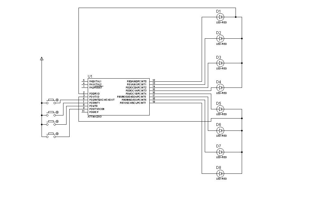
Вложения:
povorot.JPG
povorot.JPG [ 43.54 КБ | Просмотров: 23574 ]
Вернуться к началу
 Профиль Отправить личное сообщение  
Ответить с цитатой  
 Заголовок сообщения: Re: стоп, поворотники, габорит, задняя на 2313
СообщениеДобавлено: 30 авг 2013, 02:01 
Не в сети
Аватара пользователя

Зарегистрирован: 15 ноя 2012, 00:21
Сообщения: 6
Подкоректировал работает. Хотел добавить ШИМ на 3 канала но пока руки не доходят и мозги :crazy:


Последний раз редактировалось S@per 30 окт 2013, 23:04, всего редактировалось 2 раз(а).

Вернуться к началу
 Профиль Отправить личное сообщение  
Ответить с цитатой  
 Заголовок сообщения: Re: стоп, поворотники, габорит, задняя на 2313
СообщениеДобавлено: 30 авг 2013, 22:00 
Не в сети

Зарегистрирован: 16 дек 2012, 18:20
Сообщения: 11
А фюзьi какие будеть?


Вернуться к началу
 Профиль Отправить личное сообщение  
Ответить с цитатой  
 Заголовок сообщения: Re: стоп, поворотники, габорит, задняя на 2313
СообщениеДобавлено: 04 сен 2013, 23:30 
Не в сети
Аватара пользователя

Зарегистрирован: 15 ноя 2012, 00:21
Сообщения: 6
Уже все в архиве :OK:


Вложения:
Povorotnik.rar [27.12 КБ]
Скачиваний: 1955
Вернуться к началу
 Профиль Отправить личное сообщение  
Ответить с цитатой  
 Заголовок сообщения: Re: стоп, поворотники, габорит, задняя на 2313
СообщениеДобавлено: 30 окт 2013, 23:00 
Не в сети
Аватара пользователя

Зарегистрирован: 15 ноя 2012, 00:21
Сообщения: 6
:lol: Народ кто то на железе воплотил в жизнь сей девайс, или просто для ознакомления качаем? :?:


Вернуться к началу
 Профиль Отправить личное сообщение  
Ответить с цитатой  
 Заголовок сообщения: Re: стоп, поворотники, габорит, задняя на 2313
СообщениеДобавлено: 19 фев 2015, 02:21 
Не в сети
Аватара пользователя

Зарегистрирован: 15 ноя 2012, 00:21
Сообщения: 6
Схема по просьбе N360


Вложения:
povorot.JPG
povorot.JPG [ 43.54 КБ | Просмотров: 19923 ]
Вернуться к началу
 Профиль Отправить личное сообщение  
Ответить с цитатой  
Показать сообщения за:  Поле сортировки  
Начать новую тему Ответить на тему  [ Сообщений: 27 ]  На страницу Пред.  1, 2, 3

Часовой пояс: UTC + 3 часа [ Летнее время ]


Кто сейчас на конференции

Сейчас этот форум просматривают: нет зарегистрированных пользователей и гости: 2


Вы можете начинать темы
Вы можете отвечать на сообщения
Вы не можете редактировать свои сообщения
Вы не можете удалять свои сообщения
Вы не можете добавлять вложения

Найти:
Перейти:  
cron
Powered by phpBB © 2000, 2002, 2005, 2007 phpBB Group
Русская поддержка phpBB