Перейти к блогу GetChip.net - блог        JilTE[1] - в разработке     Модификации устройств - модификации

 
Текущее время: 30 янв 2026, 10:30

Часовой пояс: UTC + 3 часа [ Летнее время ]



Начать новую тему Ответить на тему  [ Сообщений: 27 ]  На страницу 1, 2, 3  След.
Автор Сообщение
 Заголовок сообщения: Mod#074 Управления нагрузками на attiny2313
СообщениеДобавлено: 03 июл 2013, 07:32 
Не в сети
Аватара пользователя

Зарегистрирован: 09 сен 2011, 06:43
Сообщения: 294
Всем привет.
Вот решил сделать управления нагрузками на ATtiny2313... получается аж 12 каналов... но я пока реализовал 6... алгоритм такой первый канал нажал включилась нажал отключилось. остальные пять нажал горит отпустил не горит... за основу взял 074-Преобразователь IR-to-UART на ATtiny2313 убрал подтяжку резисторов, TSOP посадил на (PD3), светодиод на (PD5).... в режим программирования входит при включении по замыканию PD3+GND... если чо то пишите.....


Вложения:
T2313-IR-to-Pin_mod1.rar [11.8 КБ]
Скачиваний: 1820
Вернуться к началу
 Профиль Отправить личное сообщение  
Ответить с цитатой  
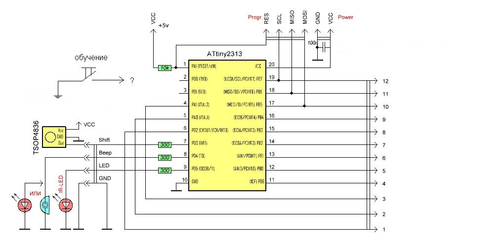
 Заголовок сообщения: Re: Управления нагрузками на attiny2313
СообщениеДобавлено: 03 июл 2013, 11:32 
Не в сети
Аватара пользователя

Зарегистрирован: 14 мар 2012, 16:34
Сообщения: 21
огромное спасыбо...
есть некоторые вопросы

1. какой из 6 выодов работает (для печатки нужен)...
2. биты конфигурации...
3. если можно обучение было не PD3 а на другой порт...

заранее благодарен....


Вложения:
074-Tiny2313-IR-to-UART-schem.jpg
074-Tiny2313-IR-to-UART-schem.jpg [ 50.68 КБ | Просмотров: 31447 ]
Вернуться к началу
 Профиль Отправить личное сообщение  
Ответить с цитатой  
 Заголовок сообщения: Re: Управления нагрузками на attiny2313
СообщениеДобавлено: 04 июл 2013, 14:43 
Не в сети
Аватара пользователя

Зарегистрирован: 09 сен 2011, 06:43
Сообщения: 294
по поводу порта для программирования, пока нет времени.. на выходных возможно займусь..


Вложения:
074-Tiny2313-IR-to-UART-schem.jpg
074-Tiny2313-IR-to-UART-schem.jpg [ 84.3 КБ | Просмотров: 31391 ]
Вернуться к началу
 Профиль Отправить личное сообщение  
Ответить с цитатой  
 Заголовок сообщения: Re: Управления нагрузками на attiny2313
СообщениеДобавлено: 10 июл 2013, 12:59 
Не в сети
Аватара пользователя

Зарегистрирован: 14 мар 2012, 16:34
Сообщения: 21
ну наконец собрал макетку..
PD5 видит пулта... светодиод моргает при нажатии кнопки ИК пульта.
PD3 закоротил на GND и последовательно нажал кнопку на пульте 1--2--3--4--5--6
IR-LED моргает но ничего не присхот в портах... при нажании кнопки в пулте призволно включается порт PD2 ...
PD4 порту соединен пищалка но тоже не реагирует...


Вернуться к началу
 Профиль Отправить личное сообщение  
Ответить с цитатой  
 Заголовок сообщения: Re: Управления нагрузками на attiny2313
СообщениеДобавлено: 12 июл 2013, 07:40 
Не в сети
Аватара пользователя

Зарегистрирован: 09 сен 2011, 06:43
Сообщения: 294
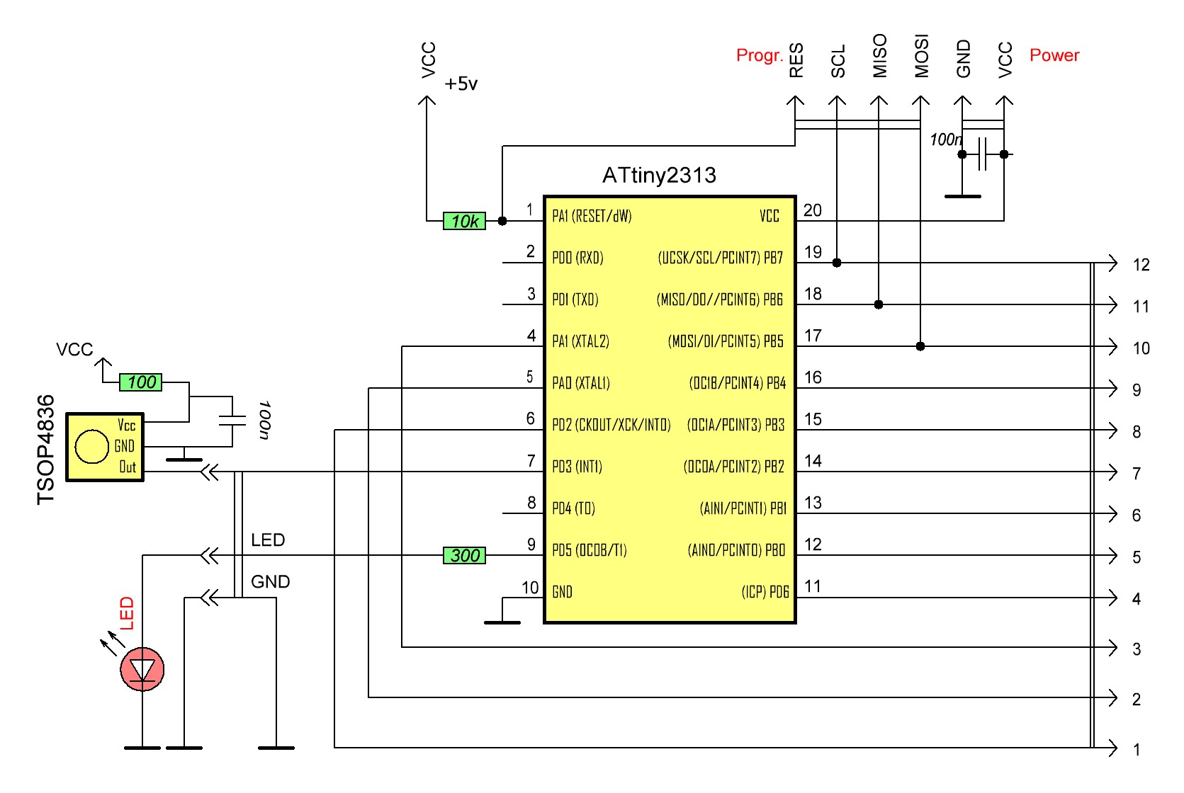
странно... у меня в железе все работает.. вот как подключено у меня.. еще для удобства увеличил задержку на мигания светодиода... когда он входит в режим программирования то должен промаргатся два раза..


Вложения:
T2313-IR-to-Pin_mod1.rar [11.79 КБ]
Скачиваний: 1512
fuse.JPG
fuse.JPG [ 32.67 КБ | Просмотров: 31280 ]
Tiny2313-IR.JPG
Tiny2313-IR.JPG [ 180.66 КБ | Просмотров: 31280 ]
Вернуться к началу
 Профиль Отправить личное сообщение  
Ответить с цитатой  
 Заголовок сообщения: Re: Управления нагрузками на attiny2313
СообщениеДобавлено: 12 июл 2013, 11:54 
Не в сети
Аватара пользователя

Зарегистрирован: 14 мар 2012, 16:34
Сообщения: 21


Вернуться к началу
 Профиль Отправить личное сообщение  
Ответить с цитатой  
 Заголовок сообщения: Re: Управления нагрузками на attiny2313
СообщениеДобавлено: 12 июл 2013, 12:49 
Не в сети

Зарегистрирован: 08 ноя 2012, 23:06
Сообщения: 300
DUST. А возможно реализовать триггерные выходы на все пока имеющихся 6 выходов. Просто очень нуждаюсь в этом устройстве.


Вернуться к началу
 Профиль Отправить личное сообщение  
Ответить с цитатой  
 Заголовок сообщения: Re: Управления нагрузками на attiny2313
СообщениеДобавлено: 12 июл 2013, 13:42 
Не в сети
Аватара пользователя

Зарегистрирован: 09 сен 2011, 06:43
Сообщения: 294


Вложения:
Комментарий к файлу: ВОТ...
T2313-IR-to-Pin_mod1.rar [13.42 КБ]
Скачиваний: 1459
Вернуться к началу
 Профиль Отправить личное сообщение  
Ответить с цитатой  
 Заголовок сообщения: Re: Управления нагрузками на attiny2313
СообщениеДобавлено: 12 июл 2013, 16:52 
Не в сети

Зарегистрирован: 08 ноя 2012, 23:06
Сообщения: 300
Спасибо DUST!!!! :OK: в понедельник попробую собрать. А ты печатку не делал? Если есть хоть какие наброски,скинь пожалуйста. ;)


Вернуться к началу
 Профиль Отправить личное сообщение  
Ответить с цитатой  
 Заголовок сообщения: Re: Управления нагрузками на attiny2313
СообщениеДобавлено: 12 июл 2013, 17:46 
Не в сети
Аватара пользователя

Зарегистрирован: 14 мар 2012, 16:34
Сообщения: 21
при тестировании выяснилось следующее:
1. если не нацелить пульт приемника каналы не включается.
2. при первом нажатии кнопки ИК пульта канал на тинки не включается и сразу при втором нажатии канал включается.
3. индикатор премника (LED-->PD5) сигнал чувствует даже отраженный от стены не включает каналы.
менял пулты и преемник 36Khz--38Khz но тоже самое...


Вернуться к началу
 Профиль Отправить личное сообщение  
Ответить с цитатой  
Показать сообщения за:  Поле сортировки  
Начать новую тему Ответить на тему  [ Сообщений: 27 ]  На страницу 1, 2, 3  След.

Часовой пояс: UTC + 3 часа [ Летнее время ]


Кто сейчас на конференции

Сейчас этот форум просматривают: нет зарегистрированных пользователей и гости: 3


Вы можете начинать темы
Вы можете отвечать на сообщения
Вы не можете редактировать свои сообщения
Вы не можете удалять свои сообщения
Вы не можете добавлять вложения

Найти:
Перейти:  
cron
Powered by phpBB © 2000, 2002, 2005, 2007 phpBB Group
Русская поддержка phpBB