Перейти к блогу GetChip.net - блог        JilTE[1] - в разработке     Модификации устройств - модификации

 
Текущее время: 27 фев 2026, 16:20

Часовой пояс: UTC + 3 часа [ Летнее время ]



Начать новую тему Ответить на тему  [ Сообщений: 27 ]  На страницу 1, 2, 3  След.
Автор Сообщение
 Заголовок сообщения: Интеллектуальный девайс для обслуживания аккумуляторов.
СообщениеДобавлено: 15 сен 2012, 20:36 
Не в сети
Администратор
Аватара пользователя

Зарегистрирован: 15 май 2011, 23:00
Сообщения: 1904


Вернуться к началу
 Профиль Отправить личное сообщение  
Ответить с цитатой  
 Заголовок сообщения: Re: Интеллектуальный девайс для обслуживания аккумуляторов.
СообщениеДобавлено: 15 сен 2012, 22:08 
Не в сети
Аватара пользователя

Зарегистрирован: 29 май 2011, 17:59
Сообщения: 3769
Откуда: Россия
Вообще-то хотелось бы полноценное отдельное устройство, а уже на этой основе можно куски кода помещать по разным устройствам при необходимости.
Выскажу своё видение этого устройства. Девайс должен иметь:
- ЖКИ дисплей (думаю подойдёт из серии МТ 16S2D).
- независимо обслуживать от 1 до 4 аккумуляторов.
- Ток заряда одного аккумулятора до 1500 мА.
- Ручную установку тока заряда от 200 мА до 1500 мА и разряда от 100 мА до 500 мА, для каждого аккумулятора.
- Режим восстановление аккумуляторов (циклы заряд-разряд).
- Определять ёмкость аккумулятора.
- Завершать заряд не по одному, а по нескольким критериям одновременно.
- Уметь определять неисправные аккумуляторы до начала заряда (измерять внутреннее сопротивление).

Может кто-то ещё что-то добавит.

Вот что пока «накопал»:


Вернуться к началу
 Профиль Отправить личное сообщение  
Ответить с цитатой  
 Заголовок сообщения: Re: Интеллектуальный девайс для обслуживания аккумуляторов.
СообщениеДобавлено: 15 сен 2012, 23:12 
Не в сети
Администратор
Аватара пользователя

Зарегистрирован: 15 май 2011, 23:00
Сообщения: 1904
Неплохие есть готовые решения. Чем не устраивают (например у кота)?

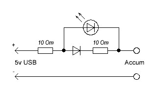
Как раз в тему. Купил я себе недавно беспроводную мышу. Все хорошо, но батарейку (ААА) она кушает с аппетитом! Решил переходить на аккумуляторы - один в использовании, второй подзаряжается и лежит в резерве. Так как моя подзарядка умеет подзаряжать аккумуляторы только парами решил приобрести подзарядное специально для мыши. Требования: зарядка от USB, и возможность заряда одного аккумулятора размера ААА. Нашлось такое дело в интернет-магазине. Заказал. Сегодня пришло. IMG_2649.jpg
IMG_2649.jpg [ 33.56 КБ | Просмотров: 45828 ]

Порадовала небольшая стоимость устройства. После разборки (все что не на гарантии у меня, в обязательном порядке, подвергается разбору и изучению) понял отчего такая цена:

Вот такой интеллектуальный девайс сейчас торчит в USB и заряжает мне аккумулятор :(
Схемное решение не фонтан (мягко сказано), но имеет место быть.


Вложения:
schem.JPG
schem.JPG [ 8.39 КБ | Просмотров: 45828 ]
IMG_2639.jpg
IMG_2639.jpg [ 40.29 КБ | Просмотров: 45828 ]
Вернуться к началу
 Профиль Отправить личное сообщение  
Ответить с цитатой  
 Заголовок сообщения: Re: Интеллектуальный девайс для обслуживания аккумуляторов.
СообщениеДобавлено: 03 окт 2012, 21:57 
Не в сети
Администратор
Аватара пользователя

Зарегистрирован: 15 май 2011, 23:00
Сообщения: 1904
На потом посмотреть


Вернуться к началу
 Профиль Отправить личное сообщение  
Ответить с цитатой  
 Заголовок сообщения: Re: Интеллектуальный девайс для обслуживания аккумуляторов.
СообщениеДобавлено: 04 окт 2012, 00:06 
По причине тупых зарядных уже несколько человек напоролись на китайские фонарики с свинцовыми батареями.Несколько зарядок-и фонарик на мусорник (к этому времени половина светодиодов дохнет вместе с акб )...


Вернуться к началу
  
Ответить с цитатой  
 Заголовок сообщения: Re: Интеллектуальный девайс для обслуживания аккумуляторов.
СообщениеДобавлено: 08 окт 2012, 21:29 
Не в сети

Зарегистрирован: 12 авг 2012, 21:33
Сообщения: 3
Здравствуйте! Я тут новый, но паяльник у меня старый)) Поэтому тоже задумывался об универсальной зарядке.
Главное, чтоб в конце-концов эта тема не вылилась в новое изобретение девайса .

Мои пять копеек:
Аппаратная часть:
БП, сама зарядка, и подключаемые контакты (для аккумуляторов разных типов) - отдельно. Хотя тут вариабельно, можно мелкий импульсник запихнуть вместе с зарядником, если корпус подходящий плюс в сам корпус встроить два гнезда для "пальчиковых" батарей типа АА, как самых распостраненых.
Электронная часть:
В принципе, согласен со всем вышеизложенным, но небольшие уточнения.
Четыре канала -, но только один "полный". То есть по нему можно пропустить 1.5А полностью, остальные примерно по 500 мА.
Все устройство потребляет - 1,5 А. Не вижу смысла поднимать планку, ибо тогда проще купить вышеприведенное. И редко когда надо заряжать все аккумуляторы одновременно.
Отдельно вывести штекер для подключения датчиков температуры для каждого канала. По-одному на канал. Датчики - что-то типа LM35.
Встроенная пищалка, светодиод - сигнал ошибки, окончания зарядки и вообще, что понадобится.
Программная часть:
Клавиатура 3х4, где кнопки 4 - менюшка, остальные запись готовых программ.
Алгоритм первого включения:
1. Выбор канала
2. Выбор типа аккумулятора
3. Выбор номинального напряжения.
4. Выбор емкости.
5. Выбор тока заряда (ручной в мА или относительный в 0,1С; 0,2С и т.д.)
6. Предложение сохранить программу на будущее под номером кнопки (1-8, из оставшихся).
Потом, когда надо зарядить этот же аккумулятор, жмем две кнопки - номер канала и номер сохраненной программы. И все.
Устройство само определяет наличие датчика температуры, правильную полюсовку, от чего корректирует свой алгоритм зарядки.


Вернуться к началу
 Профиль Отправить личное сообщение  
Ответить с цитатой  
 Заголовок сообщения: Re: Интеллектуальный девайс для обслуживания аккумуляторов.
СообщениеДобавлено: 08 окт 2012, 21:51 
Не в сети
Администратор
Аватара пользователя

Зарегистрирован: 15 май 2011, 23:00
Сообщения: 1904


Вернуться к началу
 Профиль Отправить личное сообщение  
Ответить с цитатой  
 Заголовок сообщения: Re: Интеллектуальный девайс для обслуживания аккумуляторов.
СообщениеДобавлено: 08 окт 2012, 21:53 
Не в сети
Аватара пользователя

Зарегистрирован: 29 май 2011, 17:59
Сообщения: 3769
Откуда: Россия


Вернуться к началу
 Профиль Отправить личное сообщение  
Ответить с цитатой  
 Заголовок сообщения: Re: Интеллектуальный девайс для обслуживания аккумуляторов.
СообщениеДобавлено: 09 окт 2012, 16:39 
Не в сети

Зарегистрирован: 12 авг 2012, 21:33
Сообщения: 3


Вернуться к началу
 Профиль Отправить личное сообщение  
Ответить с цитатой  
 Заголовок сообщения: Re: Интеллектуальный девайс для обслуживания аккумуляторов.
СообщениеДобавлено: 09 окт 2012, 17:14 
Не в сети
Аватара пользователя

Зарегистрирован: 29 май 2011, 17:59
Сообщения: 3769
Откуда: Россия
Выход 5В, 4,4А (NFM-20-5) или Выход 5В, 12А (MPS-65-5). Размеры почти одинаковые 90х50х20.


Вложения:
MPS_65.jpg
MPS_65.jpg [ 26.33 КБ | Просмотров: 45596 ]
NFM_20.jpg
NFM_20.jpg [ 24.12 КБ | Просмотров: 45596 ]
Вернуться к началу
 Профиль Отправить личное сообщение  
Ответить с цитатой  
Показать сообщения за:  Поле сортировки  
Начать новую тему Ответить на тему  [ Сообщений: 27 ]  На страницу 1, 2, 3  След.

Часовой пояс: UTC + 3 часа [ Летнее время ]


Кто сейчас на конференции

Сейчас этот форум просматривают: нет зарегистрированных пользователей и гости: 7


Вы не можете начинать темы
Вы можете отвечать на сообщения
Вы не можете редактировать свои сообщения
Вы не можете удалять свои сообщения
Вы не можете добавлять вложения

Найти:
Перейти:  
cron
Powered by phpBB © 2000, 2002, 2005, 2007 phpBB Group
Русская поддержка phpBB