Перейти к блогу GetChip.net - блог        JilTE[1] - в разработке     Модификации устройств - модификации

 
Текущее время: 28 мар 2026, 11:23

Часовой пояс: UTC + 3 часа [ Летнее время ]



Начать новую тему Ответить на тему  [ Сообщений: 666 ]  На страницу Пред.  1, 2, 3, 4, 5, 6, 7, 8 ... 67  След.
Автор Сообщение
 Заголовок сообщения: Re: адаптируйте прошивку под тини
СообщениеДобавлено: 26 янв 2013, 15:19 
Не в сети

Зарегистрирован: 08 ноя 2012, 23:06
Сообщения: 300
Да я ее собирал,она только на 30см реагирует а дальше нет. Что только уже не перепробовал. :( И Тсоп менял и частоту подстраивал - никак блин не хочет... Но все равно спасибо!!! :-)


Вернуться к началу
 Профиль Отправить личное сообщение  
Ответить с цитатой  
 Заголовок сообщения: Re: адаптируйте прошивку под тини
СообщениеДобавлено: 26 янв 2013, 16:52 
Не в сети
Аватара пользователя

Зарегистрирован: 29 май 2011, 17:59
Сообщения: 3769
Откуда: Россия


Вернуться к началу
 Профиль Отправить личное сообщение  
Ответить с цитатой  
 Заголовок сообщения: Re: адаптируйте прошивку под тини
СообщениеДобавлено: 26 янв 2013, 17:50 
Не в сети

Зарегистрирован: 08 ноя 2012, 23:06
Сообщения: 300
Попробую... ;)


Вернуться к началу
 Профиль Отправить личное сообщение  
Ответить с цитатой  
 Заголовок сообщения: Re: адаптируйте прошивку под тини
СообщениеДобавлено: 02 фев 2013, 14:48 
Не в сети

Зарегистрирован: 08 ноя 2012, 23:06
Сообщения: 300
Короче я совсем уже запутался. Собрал я этот приемник и передатчик,все страбатывает,но если оставить незагороженным датчик,то импульсы с приемника и передатчика (мое предположение) генерят на порт контроллера,и загорается только один светодиод. :( Стоит только преградить рукой ик диод,и все диоды начинают включаться как положенно... SVN помоги пожалуйста. :oops: . Как можно добиться чистой единицы при перечечении луча на выходе приемника либо может как то прошивку переделать.Просто я полный чайник в АВ. :( Даже принцип понять не могу(( Да и макетки уже не хватет,столько уже на нее напичкал. :-)


Вернуться к началу
 Профиль Отправить личное сообщение  
Ответить с цитатой  
 Заголовок сообщения: Re: адаптируйте прошивку под тини
СообщениеДобавлено: 02 фев 2013, 17:24 
Не в сети
Аватара пользователя

Зарегистрирован: 29 май 2011, 17:59
Сообщения: 3769
Откуда: Россия
Нарисуй полную схему твоего устройства с датчиками.


Вернуться к началу
 Профиль Отправить личное сообщение  
Ответить с цитатой  
 Заголовок сообщения: Re: адаптируйте прошивку под тини
СообщениеДобавлено: 02 фев 2013, 20:33 
Не в сети

Зарегистрирован: 08 ноя 2012, 23:06
Сообщения: 300
Хорошо! Но только завтра получится. ;)


Вернуться к началу
 Профиль Отправить личное сообщение  
Ответить с цитатой  
 Заголовок сообщения: Re: адаптируйте прошивку под тини
СообщениеДобавлено: 03 фев 2013, 10:24 
Не в сети

Зарегистрирован: 08 ноя 2012, 23:06
Сообщения: 300
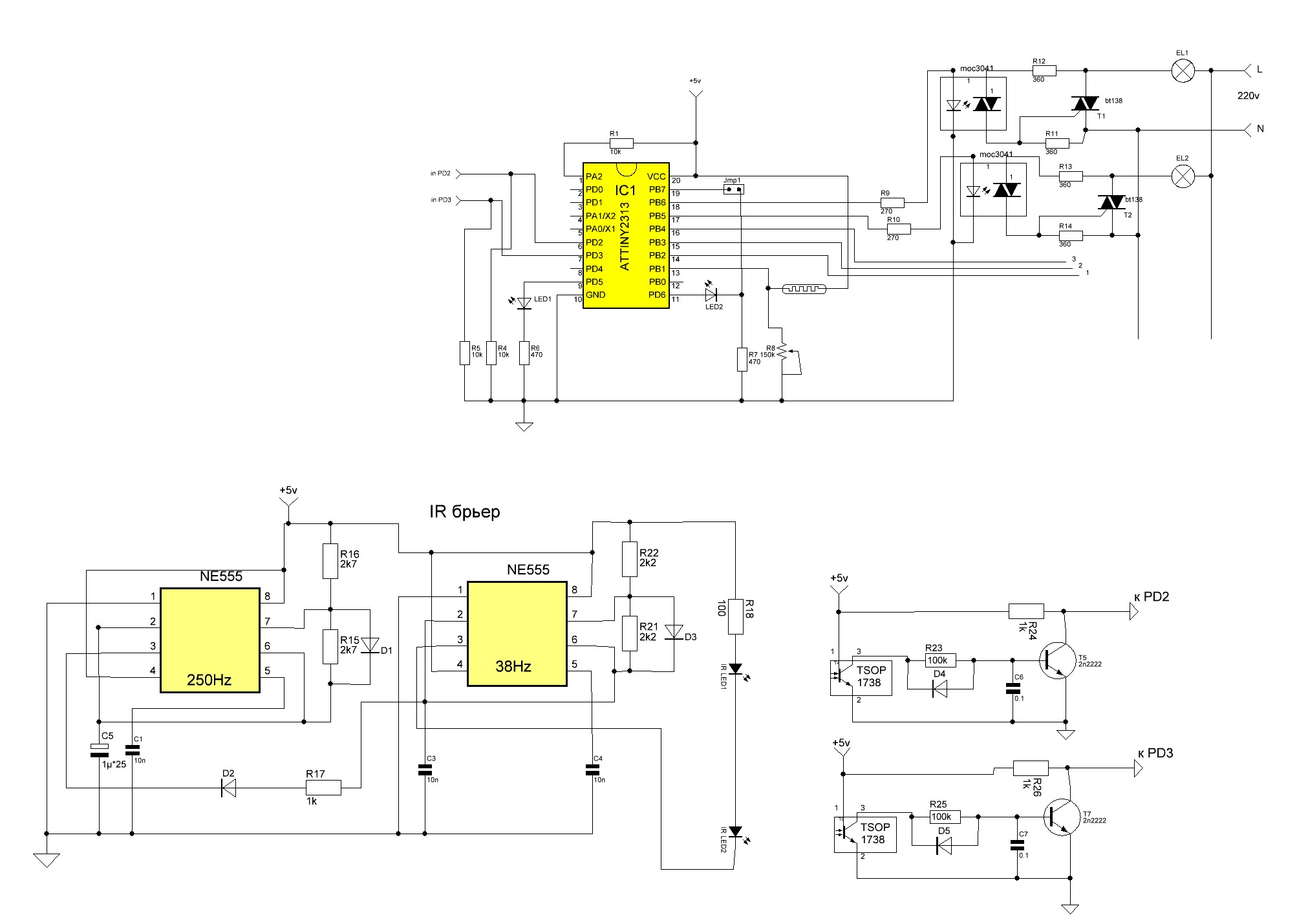
Ну вот как-то так. :-)


Вложения:
схема1.JPG
схема1.JPG [ 209.92 КБ | Просмотров: 19729 ]
Вернуться к началу
 Профиль Отправить личное сообщение  
Ответить с цитатой  
 Заголовок сообщения: Re: адаптируйте прошивку под тини
СообщениеДобавлено: 03 фев 2013, 11:00 
Не в сети
Аватара пользователя

Зарегистрирован: 29 май 2011, 17:59
Сообщения: 3769
Откуда: Россия
Когда луч не заслоняешь, на коллекторе Т5 или Т7, какой сигнал? Лучше его посмотреть осциллографом (если есть такая возможность). Потом решим, что делать.

Заметил ошибку, вывод перемычки должен соединён напрямую с общим проводом, а не через резистор R7.


Вернуться к началу
 Профиль Отправить личное сообщение  
Ответить с цитатой  
 Заголовок сообщения: Re: адаптируйте прошивку под тини
СообщениеДобавлено: 03 фев 2013, 11:28 
Не в сети

Зарегистрирован: 08 ноя 2012, 23:06
Сообщения: 300
Возможность есть.Вчера весь день тыкал этим осцилографом.Во всех точках мерял,думал может по питанию где генерит ,но там все отлично. А на выходе Т5 иТ7 На фото должно быть видно.Щас выложу.
Понял! Исправляюсь... :oops:


Вернуться к началу
 Профиль Отправить личное сообщение  
Ответить с цитатой  
 Заголовок сообщения: Re: адаптируйте прошивку под тини
СообщениеДобавлено: 03 фев 2013, 11:41 
Не в сети

Зарегистрирован: 08 ноя 2012, 23:06
Сообщения: 300
блин,не могу загрузить фотки с телефона. :mad: Щас на обед поеду,возьму дома фотик,и с него выложу.


Вернуться к началу
 Профиль Отправить личное сообщение  
Ответить с цитатой  
Показать сообщения за:  Поле сортировки  
Начать новую тему Ответить на тему  [ Сообщений: 666 ]  На страницу Пред.  1, 2, 3, 4, 5, 6, 7, 8 ... 67  След.

Часовой пояс: UTC + 3 часа [ Летнее время ]


Кто сейчас на конференции

Сейчас этот форум просматривают: нет зарегистрированных пользователей и гости: 10


Вы можете начинать темы
Вы можете отвечать на сообщения
Вы не можете редактировать свои сообщения
Вы не можете удалять свои сообщения
Вы не можете добавлять вложения

Найти:
Перейти:  
cron
Powered by phpBB © 2000, 2002, 2005, 2007 phpBB Group
Русская поддержка phpBB