Перейти к блогу GetChip.net - блог        JilTE[1] - в разработке     Модификации устройств - модификации

 
Текущее время: 16 фев 2026, 18:25

Часовой пояс: UTC + 3 часа [ Летнее время ]



Начать новую тему Ответить на тему  [ Сообщений: 666 ]  На страницу Пред.  1 ... 4, 5, 6, 7, 8, 9, 10 ... 67  След.
Автор Сообщение
 Заголовок сообщения: Re: адаптируйте прошивку под тини
СообщениеДобавлено: 06 фев 2013, 20:19 
Не в сети

Зарегистрирован: 08 ноя 2012, 23:06
Сообщения: 300
Хотя наверное будет лучьше этот генератор(ШИМ) и приемник сделать на этом же контроллере ,сформировать определенную пачку импульсов и принимать только ее. Так как только что заметил,что при переключении каналов на телевизоре ,TSOP реагирует на отраженные импульсы с пульта и начинает включаться моя конструкция... :( :( :(


Вернуться к началу
 Профиль Отправить личное сообщение  
Ответить с цитатой  
 Заголовок сообщения: Re: адаптируйте прошивку под тини
СообщениеДобавлено: 07 фев 2013, 20:40 
Не в сети
Аватара пользователя

Зарегистрирован: 29 май 2011, 17:59
Сообщения: 3769
Откуда: Россия
Что-то на 1_м фото не наблюдаю модулирующей составляющей 38 кГц. Вот хорошая у Евгения для понимания данного сигнала.


Вернуться к началу
 Профиль Отправить личное сообщение  
Ответить с цитатой  
 Заголовок сообщения: Re: адаптируйте прошивку под тини
СообщениеДобавлено: 09 фев 2013, 18:32 
Не в сети
Аватара пользователя

Зарегистрирован: 29 май 2011, 17:59
Сообщения: 3769
Откуда: Россия


Вернуться к началу
 Профиль Отправить личное сообщение  
Ответить с цитатой  
 Заголовок сообщения: Re: адаптируйте прошивку под тини
СообщениеДобавлено: 10 фев 2013, 18:19 
Не в сети

Зарегистрирован: 08 ноя 2012, 23:06
Сообщения: 300
Было бы очень хорошо SVN... Просто вообще немогу разобраться с AB... :( :( :(

все что пока научился на нем писать- это как моргать светодиодом... :-)


Вернуться к началу
 Профиль Отправить личное сообщение  
Ответить с цитатой  
 Заголовок сообщения: Re: адаптируйте прошивку под тини
СообщениеДобавлено: 10 фев 2013, 19:33 
Не в сети
Аватара пользователя

Зарегистрирован: 29 май 2011, 17:59
Сообщения: 3769
Откуда: Россия
Пока вот, что. Реализовано управление ИК-диодом с порта РD1. Пачка посылки составляет четыре одинаковых байта, потом пауза 111 мс и снова посылка кода и снова пауза и так постоянно. Меандр 38 кГц. Выход РD1 начнёт работать, если перед подачей питания на МК, установить перемычку между общим проводом и портом РD0. Если необходимо отключить порт РD1, убираешь перемычку и перегружаешь МК. Пока вот так.
Попытайся сделать приёмник.
Было немного времени, для эксперимента. Посмотрел, что получается на выходе TSOP. При видимости ИК-диода, на выходе 3,7 вольта, если закрывать луч, на выходе 4,7 вольта.

Фьюзы настроены на 4 МГц от внутреннего генератора.
4 МГц.png
4 МГц.png [ 22.2 КБ | Просмотров: 14607 ]


Последний раз редактировалось SVN 27 фев 2013, 20:29, всего редактировалось 1 раз.

Вернуться к началу
 Профиль Отправить личное сообщение  
Ответить с цитатой  
 Заголовок сообщения: Re: адаптируйте прошивку под тини
СообщениеДобавлено: 11 фев 2013, 10:08 
Не в сети

Зарегистрирован: 08 ноя 2012, 23:06
Сообщения: 300
СПАСИБО ОГРОМНОЕ SVN!!!!!!!!!!!!! Сегодня попробую!!! ;)


Вернуться к началу
 Профиль Отправить личное сообщение  
Ответить с цитатой  
 Заголовок сообщения: Re: адаптируйте прошивку под тини
СообщениеДобавлено: 11 фев 2013, 18:55 
Не в сети

Зарегистрирован: 08 ноя 2012, 23:06
Сообщения: 300
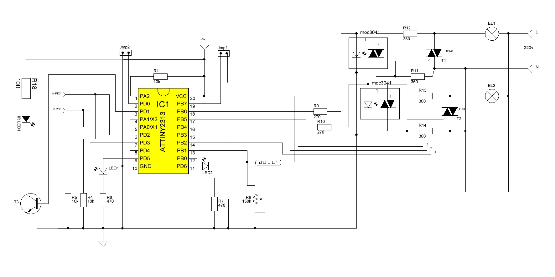
SVN . Вот по такой схеме мне собирать,да?


Вложения:
схема2.JPG
схема2.JPG [ 129.81 КБ | Просмотров: 14582 ]


Последний раз редактировалось Akademik 12 фев 2013, 18:36, всего редактировалось 3 раз(а).
Вернуться к началу
 Профиль Отправить личное сообщение  
Ответить с цитатой  
 Заголовок сообщения: Re: адаптируйте прошивку под тини
СообщениеДобавлено: 11 фев 2013, 21:28 
Не в сети
Аватара пользователя

Зарегистрирован: 29 май 2011, 17:59
Сообщения: 3769
Откуда: Россия
Почти. :-) Перемычку №1 нужно к земле подтягивать. Управление ИК-диодом, необходимо сделать через транзисторный ключ. Остальное вроде нормально.


Вернуться к началу
 Профиль Отправить личное сообщение  
Ответить с цитатой  
 Заголовок сообщения: Re: адаптируйте прошивку под тини
СообщениеДобавлено: 12 фев 2013, 17:56 
Не в сети

Зарегистрирован: 08 ноя 2012, 23:06
Сообщения: 300
Схему исправил. :-) Буду пробовать делать приемник. :-)


Вернуться к началу
 Профиль Отправить личное сообщение  
Ответить с цитатой  
 Заголовок сообщения: Re: адаптируйте прошивку под тини
СообщениеДобавлено: 12 фев 2013, 19:20 
Не в сети
Аватара пользователя

Зарегистрирован: 29 май 2011, 17:59
Сообщения: 3769
Откуда: Россия
В базу Т3 необходимо обязательно поставить резистор (ограничивающий ток базы), 1 кОм вполне достаточно. Иначе порту МК и Т3, не поздоровится. ;) Наминал резистора R18 предполагаю, многоват. Он зависит от расстояния ИК-диода от приёмника.


Вернуться к началу
 Профиль Отправить личное сообщение  
Ответить с цитатой  
Показать сообщения за:  Поле сортировки  
Начать новую тему Ответить на тему  [ Сообщений: 666 ]  На страницу Пред.  1 ... 4, 5, 6, 7, 8, 9, 10 ... 67  След.

Часовой пояс: UTC + 3 часа [ Летнее время ]


Кто сейчас на конференции

Сейчас этот форум просматривают: нет зарегистрированных пользователей и гости: 20


Вы можете начинать темы
Вы можете отвечать на сообщения
Вы не можете редактировать свои сообщения
Вы не можете удалять свои сообщения
Вы не можете добавлять вложения

Найти:
Перейти:  
cron
Powered by phpBB © 2000, 2002, 2005, 2007 phpBB Group
Русская поддержка phpBB