Перейти к блогу GetChip.net - блог        JilTE[1] - в разработке     Модификации устройств - модификации

 
Текущее время: 18 янв 2026, 03:28

Часовой пояс: UTC + 3 часа [ Летнее время ]



Начать новую тему Ответить на тему  [ Сообщений: 117 ]  На страницу Пред.  1 ... 6, 7, 8, 9, 10, 11, 12  След.
Автор Сообщение
 Заголовок сообщения: Re: Изготавливаем датчик атмосферного давления
СообщениеДобавлено: 24 янв 2012, 17:59 
Не в сети
Аватара пользователя

Зарегистрирован: 29 май 2011, 17:59
Сообщения: 3769
Откуда: Россия


Вернуться к началу
 Профиль Отправить личное сообщение  
Ответить с цитатой  
 Заголовок сообщения: Re: Изготавливаем датчик атмосферного давления
СообщениеДобавлено: 24 янв 2012, 19:24 
Не в сети

Зарегистрирован: 20 май 2011, 23:58
Сообщения: 545
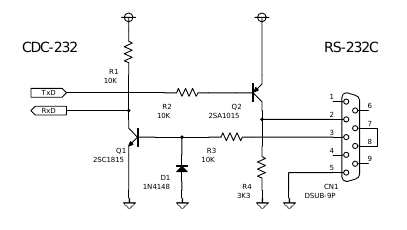
есть вариант для низких скоростей.


Вложения:
Комментарий к файлу: uart-rs232
uart.png
uart.png [ 13.28 КБ | Просмотров: 12441 ]

_________________
Чтобы получить правильные ответы, надо задавать правильные вопросы!
Вернуться к началу
 Профиль Отправить личное сообщение  
Ответить с цитатой  
 Заголовок сообщения: Re: Изготавливаем датчик атмосферного давления
СообщениеДобавлено: 24 янв 2012, 20:19 
Не в сети
Аватара пользователя

Зарегистрирован: 29 май 2011, 17:59
Сообщения: 3769
Откуда: Россия
Да, спасибо Анатолий. В инете полно информации по этому поводу. Да уже начал делать плату под МАХ232, так как ещё не раз она понадобится в дальнейшем. А перемычку 7-8 всегда делать или будет и без неё работать?


Вернуться к началу
 Профиль Отправить личное сообщение  
Ответить с цитатой  
 Заголовок сообщения: Re: Изготавливаем датчик атмосферного давления
СообщениеДобавлено: 24 янв 2012, 20:33 
Не в сети

Зарегистрирован: 20 май 2011, 23:58
Сообщения: 545
Ну тогда ещё и rs232 to rs485. И uart - rs485 сделать. Что бы ваша метеостанция была на одном интерфейсе ато ком портов на всё не хватит.
Для универсального драйвера RS232 для конструкций я бы рекомендовал max3232. Оно и от 3.3в и от 5 работает.

_________________
Чтобы получить правильные ответы, надо задавать правильные вопросы!


Вернуться к началу
 Профиль Отправить личное сообщение  
Ответить с цитатой  
 Заголовок сообщения: Re: Изготавливаем датчик атмосферного давления
СообщениеДобавлено: 24 янв 2012, 20:38 
Не в сети

Зарегистрирован: 20 май 2011, 23:58
Сообщения: 545
[quote="SVN" А перемычку 7-8 всегда делать или будет и без неё работать?[/quote]
Если контроль потока включен то без перемычки работать не будет. Обычно не включают но иногда требуется что бы компьютер не посылал МК данные пока тот занят. Тогда это механизм помогает.

_________________
Чтобы получить правильные ответы, надо задавать правильные вопросы!


Вернуться к началу
 Профиль Отправить личное сообщение  
Ответить с цитатой  
 Заголовок сообщения: Re: Изготавливаем датчик атмосферного давления
СообщениеДобавлено: 24 янв 2012, 21:17 
Не в сети
Аватара пользователя

Зарегистрирован: 29 май 2011, 17:59
Сообщения: 3769
Откуда: Россия


Вернуться к началу
 Профиль Отправить личное сообщение  
Ответить с цитатой  
 Заголовок сообщения: Re: Изготавливаем датчик атмосферного давления
СообщениеДобавлено: 24 янв 2012, 21:29 
Не в сети

Зарегистрирован: 20 май 2011, 23:58
Сообщения: 545
Есть предложение написать что-то простое как удар сапёрной лопатой в голову. Для сбора данных. Так как извлекли уже с этой темой меня. И продолжают извлекать уже 5 лет. :D

_________________
Чтобы получить правильные ответы, надо задавать правильные вопросы!


Вернуться к началу
 Профиль Отправить личное сообщение  
Ответить с цитатой  
 Заголовок сообщения: Re: Изготавливаем датчик атмосферного давления
СообщениеДобавлено: 24 янв 2012, 22:21 
Не в сети
Аватара пользователя

Зарегистрирован: 29 май 2011, 17:59
Сообщения: 3769
Откуда: Россия


Вернуться к началу
 Профиль Отправить личное сообщение  
Ответить с цитатой  
 Заголовок сообщения: Re: Изготавливаем датчик атмосферного давления
СообщениеДобавлено: 25 янв 2012, 00:58 
Не в сети

Зарегистрирован: 20 май 2011, 23:58
Сообщения: 545
Идея такова. Маленькая программка которая работает с ком портом. Может либо принимать поток байтов производя преобразования по заданным правилам. Либо запрашивать данные. Ведь впихивать сложный протокол в МК когда ничего настраивать не надо а нужно получать значения например раз в минуту. Я считаю избыточным. Ну и сохранять преобразованные данные в файл или сразу в Базу Данных. ТК данных зачастую требуется много.

_________________
Чтобы получить правильные ответы, надо задавать правильные вопросы!


Вернуться к началу
 Профиль Отправить личное сообщение  
Ответить с цитатой  
 Заголовок сообщения: Re: Изготавливаем датчик атмосферного давления
СообщениеДобавлено: 25 янв 2012, 05:07 
Не в сети
Аватара пользователя

Зарегистрирован: 29 май 2011, 17:59
Сообщения: 3769
Откуда: Россия
Вот вспомнил, что-то подобное уже встречал и даже у себя сохранял. Где то должна быть, поищу.


Вернуться к началу
 Профиль Отправить личное сообщение  
Ответить с цитатой  
Показать сообщения за:  Поле сортировки  
Начать новую тему Ответить на тему  [ Сообщений: 117 ]  На страницу Пред.  1 ... 6, 7, 8, 9, 10, 11, 12  След.

Часовой пояс: UTC + 3 часа [ Летнее время ]


Кто сейчас на конференции

Сейчас этот форум просматривают: нет зарегистрированных пользователей и гости: 21


Вы можете начинать темы
Вы можете отвечать на сообщения
Вы не можете редактировать свои сообщения
Вы не можете удалять свои сообщения
Вы не можете добавлять вложения

Найти:
Перейти:  
cron
Powered by phpBB © 2000, 2002, 2005, 2007 phpBB Group
Русская поддержка phpBB