Перейти к блогу GetChip.net - блог        JilTE[1] - в разработке     Модификации устройств - модификации

 
Текущее время: 20 мар 2026, 18:15

Часовой пояс: UTC + 3 часа [ Летнее время ]



Начать новую тему Ответить на тему  [ Сообщений: 4 ] 
Автор Сообщение
 Заголовок сообщения: Часы-термометр на матрицах MAX7219/1088AS
СообщениеДобавлено: 28 мар 2019, 01:56 
Не в сети
Аватара пользователя

Зарегистрирован: 29 май 2011, 17:59
Сообщения: 3769
Откуда: Россия
Умерли такие часы.
Корпус.png
Корпус.png [ 121.08 КБ | Просмотров: 24293 ]

Решил в данном корпусе реализовать иной вариант часов с датчиком температуры DS18B20. Индикатор буду использовать на базе модуля MAX7219 с матрицами 1088AS.
Модуль max7219.png
Модуль max7219.png [ 135.42 КБ | Просмотров: 24289 ]

МК буду использовать на базе платки ардуино мини.
Модуль часов DS3231.
DS3231_2.png
DS3231_2.png [ 153.33 КБ | Просмотров: 24289 ]


Программа пока проходит тест: https://yadi.sk/i/G5pPnwjKY4-eCA


Вернуться к началу
 Профиль Отправить личное сообщение  
Ответить с цитатой  
 Заголовок сообщения: Re: Часы-термометр на матрицах MAX7219/1088AS
СообщениеДобавлено: 28 мар 2019, 22:11 
Не в сети
Аватара пользователя

Зарегистрирован: 29 май 2011, 17:59
Сообщения: 3769
Откуда: Россия
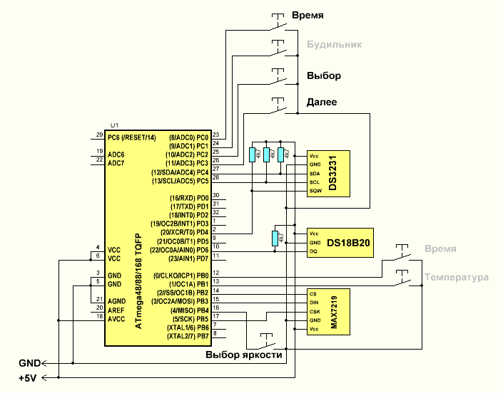
Вот схема и прошивка к данному устройству. Описание установки значений часов опишу позже. На схеме есть переключатель выбора яркости. Если его не ставить, то яркость индикатора при старте устанавливается на минимум. При замыкании переключателя устанавливается высокая яркость. Но в прошивке выбрана только средняя яркость от максимально возможной.
Схема:
Схема.png
Схема.png [ 35.39 КБ | Просмотров: 24282 ]

MAX7219.spl7 [126.42 КБ]
Скачиваний: 2750


Прошивка:
MAX7219_Clock.hex [19.29 КБ]
Скачиваний: 2798


Вернуться к началу
 Профиль Отправить личное сообщение  
Ответить с цитатой  
 Заголовок сообщения: Re: Часы-термометр на матрицах MAX7219/1088AS
СообщениеДобавлено: 30 мар 2019, 16:40 
Не в сети
Аватара пользователя

Зарегистрирован: 29 май 2011, 17:59
Сообщения: 3769
Откуда: Россия
Установка значений часов:
Вход в режим установки времени осуществляется нажатием кнопку «время». На экране появляется мигающая цифра соответствующая дню недели (1…7). А с право высвечивается «Дн», указывающее на выбор дня недели. Если кнопка «Далее» не нажималась, то есть возможность выхода из данного режима без изменения значений нажав повторно кнопку «Время». Кнопкой «Выбор» устанавливается текущий день недели, а нажатием на кнопку «Далее» осуществляется запоминания выбранного значения, и переход к следующий установке. Далее производится выбор числа (с право высвечивается «ч»), далее производится выбор месяца (с право высвечивается «м»), далее производится выбор года (с право высвечивается «г»), далее производится выбор часов, далее производится выбор минут. При переходе на установку секунд, секунды не мигают, а с право высвечивается «Се». Установка секунд осуществляется сбросом их в ноль нажатием на кнопку «Выбор». При этом происходит запись всех установленных значений в микросхему часов, а также автоматический выход из режима установки.

В данной прошивке прописан переключатель выбора показаний на дисплее. Если переключатель установлен в положение время – на дисплее будет отображаться только время. Если переключатель установлен в положение температура – на дисплее будет отображаться только температура. Если переключатель установлен в нижнее по схеме положение, то на экране будут попеременно отображаться время и температура (время 10 сек, температура 5 сек).
1.png
1.png [ 37.45 КБ | Просмотров: 24263 ]

MAX7219_Clock_V1a.hex [19.39 КБ]
Скачиваний: 2742


Вернуться к началу
 Профиль Отправить личное сообщение  
Ответить с цитатой  
 Заголовок сообщения: Re: Часы-термометр на матрицах MAX7219/1088AS
СообщениеДобавлено: 24 июл 2019, 17:05 
Не в сети
Аватара пользователя

Зарегистрирован: 29 май 2011, 17:59
Сообщения: 3769
Откуда: Россия
Вот как это выглядит. :-)
20190724_175745.jpg
20190724_175745.jpg [ 51.49 КБ | Просмотров: 23867 ]


Вернуться к началу
 Профиль Отправить личное сообщение  
Ответить с цитатой  
Показать сообщения за:  Поле сортировки  
Начать новую тему Ответить на тему  [ Сообщений: 4 ] 

Часовой пояс: UTC + 3 часа [ Летнее время ]


Кто сейчас на конференции

Сейчас этот форум просматривают: нет зарегистрированных пользователей и гости: 41


Вы можете начинать темы
Вы можете отвечать на сообщения
Вы не можете редактировать свои сообщения
Вы не можете удалять свои сообщения
Вы не можете добавлять вложения

Найти:
Перейти:  
cron
Powered by phpBB © 2000, 2002, 2005, 2007 phpBB Group
Русская поддержка phpBB