Неожиданно протекли водопроводные трубы в ванной, на кухне, санузле?
С такими ситуациями утечки воды приходилось сталкиваться практически каждому из нас. Часто подобная авария в системе водоснабжения превращается в настоящее стихийное бедствие. Каждый знает, сколько нервов, времени и денег приходится потратить на устранение последствий протечек воды.
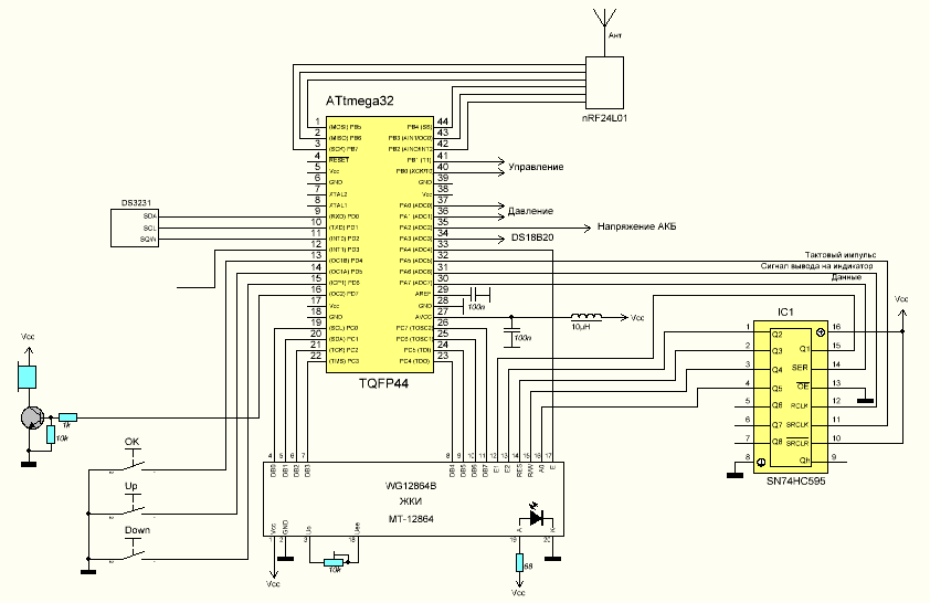
Чтобы избежать выше упомянутых неприятностей, решено было самостоятельно разработать устройство защиты от протечек воды.
Что из себя будет представлять узел отбора холодной воды из общего коллектора:
1) Коренной шаровой кран.
2) Сетчатый фильтр грубой очистки.
3) Регулятор давления с манометром.
4) Датчик давления с унифицированным выходным сигналом (0…10 В или 4…20 мА).
5) Шаровой кран с электроприводом.
6) Счётчик воды (узел учёта).
7) Фильтр тонкой очистки (5…10 мкм).
Что из себя будет представлять узел отбора горячей воды из общего коллектора:
1) Коренной шаровой кран.
2) Сетчатый фильтр грубой очистки.
3) Регулятор давления с манометром.
4) Датчик давления с унифицированным выходным сигналом (0…10 В или 4…20 мА).
5) Шаровой кран с электроприводом.
6) Счётчик воды (узел учёта).
7) Фильтр тонкой очистки (промывной).
Датчики:
Не менее четырёх самодельных беспроводных датчиков утечки воды.
Разрабатывается ТЗ на алгоритм работы.
Если у кого есть интересные мысли или предложения по алгоритму, а так же предложения по проверенным комплектующим различных фирм, пишите не стесняйтесь.
