Перейти к блогу GetChip.net - блог        JilTE[1] - в разработке     Модификации устройств - модификации

 
Текущее время: 18 мар 2026, 06:30

Часовой пояс: UTC + 3 часа [ Летнее время ]



Начать новую тему Ответить на тему  [ Сообщений: 36 ]  На страницу Пред.  1, 2, 3, 4  След.
Автор Сообщение
 Заголовок сообщения: Re: Помощь по деталям.
СообщениеДобавлено: 20 апр 2018, 21:20 
Не в сети
Аватара пользователя

Зарегистрирован: 29 май 2011, 17:59
Сообщения: 3769
Откуда: Россия


Вернуться к началу
 Профиль Отправить личное сообщение  
Ответить с цитатой  
 Заголовок сообщения: Re: Помощь по деталям.
СообщениеДобавлено: 20 апр 2018, 21:29 
Не в сети

Зарегистрирован: 24 июн 2017, 19:44
Сообщения: 66


Вернуться к началу
 Профиль Отправить личное сообщение  
Ответить с цитатой  
 Заголовок сообщения: Re: Помощь по деталям.
СообщениеДобавлено: 20 апр 2018, 21:39 
Не в сети

Зарегистрирован: 24 июн 2017, 19:44
Сообщения: 66
Вот схемку нарисовал как мог)


Вложения:
pnp.jpg
pnp.jpg [ 78.49 КБ | Просмотров: 24676 ]
Вернуться к началу
 Профиль Отправить личное сообщение  
Ответить с цитатой  
 Заголовок сообщения: Re: Помощь по деталям.
СообщениеДобавлено: 20 апр 2018, 21:46 
Не в сети

Зарегистрирован: 24 июн 2017, 19:44
Сообщения: 66
ой, забыл резистор добавить


Вложения:
pnp.jpg
pnp.jpg [ 70.34 КБ | Просмотров: 24674 ]
Вернуться к началу
 Профиль Отправить личное сообщение  
Ответить с цитатой  
 Заголовок сообщения: Re: Помощь по деталям.
СообщениеДобавлено: 20 апр 2018, 21:59 
Не в сети
Аватара пользователя

Зарегистрирован: 29 май 2011, 17:59
Сообщения: 3769
Откуда: Россия


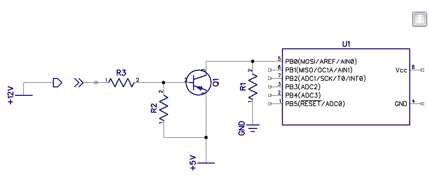
Вложения:
1.png
1.png [ 13.82 КБ | Просмотров: 24672 ]
Вернуться к началу
 Профиль Отправить личное сообщение  
Ответить с цитатой  
 Заголовок сообщения: Re: Помощь по деталям.
СообщениеДобавлено: 20 апр 2018, 22:06 
Не в сети

Зарегистрирован: 24 июн 2017, 19:44
Сообщения: 66
Ну это вам не сложно, а я не додумал)
Спасибо!)


Вернуться к началу
 Профиль Отправить личное сообщение  
Ответить с цитатой  
 Заголовок сообщения: Re: Помощь по деталям.
СообщениеДобавлено: 09 май 2018, 13:37 
Не в сети

Зарегистрирован: 24 июн 2017, 19:44
Сообщения: 66
С праздником)
Эпопея продолжается )))
Застрял с проблемой )))
Имеется сдвоенный транзистор, вот даташит:
Транзистор 1, НПН, а транзистор 2 ПНП, вот с ним и проблема.
Эмиттер подключен к +5 вольтам
База подключена к +3.5...4 вольтам.
А на коллекторе, зараза, висит +5 :crazy:
Хотя транзистор должен открываться, если базу посадить на землю.
Я туплю где то ?


Вернуться к началу
 Профиль Отправить личное сообщение  
Ответить с цитатой  
 Заголовок сообщения: Re: Помощь по деталям.
СообщениеДобавлено: 09 май 2018, 16:17 
Не в сети
Аватара пользователя

Зарегистрирован: 29 май 2011, 17:59
Сообщения: 3769
Откуда: Россия


Вернуться к началу
 Профиль Отправить личное сообщение  
Ответить с цитатой  
 Заголовок сообщения: Re: Помощь по деталям.
СообщениеДобавлено: 09 май 2018, 17:44 
Не в сети

Зарегистрирован: 24 июн 2017, 19:44
Сообщения: 66


Вернуться к началу
 Профиль Отправить личное сообщение  
Ответить с цитатой  
 Заголовок сообщения: Re: Помощь по деталям.
СообщениеДобавлено: 09 май 2018, 18:13 
Не в сети
Аватара пользователя

Зарегистрирован: 29 май 2011, 17:59
Сообщения: 3769
Откуда: Россия


Вернуться к началу
 Профиль Отправить личное сообщение  
Ответить с цитатой  
Показать сообщения за:  Поле сортировки  
Начать новую тему Ответить на тему  [ Сообщений: 36 ]  На страницу Пред.  1, 2, 3, 4  След.

Часовой пояс: UTC + 3 часа [ Летнее время ]


Кто сейчас на конференции

Сейчас этот форум просматривают: нет зарегистрированных пользователей и гости: 3


Вы можете начинать темы
Вы можете отвечать на сообщения
Вы не можете редактировать свои сообщения
Вы не можете удалять свои сообщения
Вы не можете добавлять вложения

Найти:
Перейти:  
cron
Powered by phpBB © 2000, 2002, 2005, 2007 phpBB Group
Русская поддержка phpBB