|
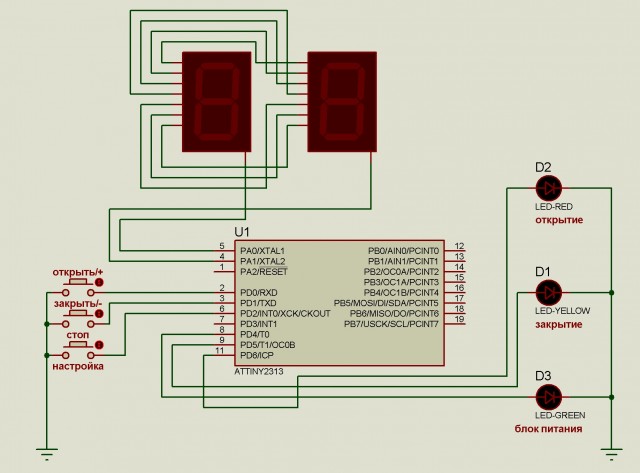
Привет всем! Помогите с прошивкой. Уже 2 года пользуюсь автоматическими воротами. Начинка собрана на 555 таймерах, дистанционное управление от сигналки скутера, привода – спутниковые актуаторы. Все бы хорошо, но у таймеров этих жуткий разброс по времени от температуры на улице. Летом в жару -1 мин, зимой в холод – до 4 мин. Вот и хотелось бы сделать устройство управления воротами на мк, а именно на ATtiny2313. В программировании не силен, потому и взываю о помощи. Схема приблизительно следующая, расположение выводов не принципиально. Двухразрядный семи-сегментный индикатор (портВ). Вместо светодиодов транзисторные ключи. Хотелось бы в режиме настройки устанавливать желаемое время от 1сек. до 99сек. Это для некой универсальности устройства. Мне нужно 55-60 сек. Вход в режим настройки, допустим, удержание кнопки «закрыть/-». Работа: при нажатии на «открыть/+» загорается D2 и D3 на установленное время. То есть появляется высокий уровень на соответствующих выходах. Нажали «закрыть/-» D1 и D3. На экране обратный отсчет. При нажатии «стоп» - стоп и сброс. Планирую на этот вход еще и токовое реле прицепить. Вкратце вроде все. Пожалуйста, помогите. Кому интересно могу механику разъяснить.
| Вложения: |

vorota3.jpg [ 417.19 КБ | Просмотров: 44451 ]
|
|