| Автор |
Сообщение |
|
|
| |
Заголовок сообщения: |
Re: Аквариумный терморегулятор |
Цитата |
|
Широкая география! Можно поучится как глобально решать задачи 
Широкая география! :smile:
Можно поучится как глобально решать задачи ;)
|
|
|
 |
Добавлено: 13 ноя 2014, 12:07 |
|
|
 |
|
|
| |
Заголовок сообщения: |
Re: Аквариумный терморегулятор |
Цитата |
|
|
[quote="kirex"]Всем спасибо, разобрался. Помог человек с другого форума. Тему можно закрывать.[/quote] :shock: Надо же было вынести всем мОск, лишь бы не переделывать терморегулятор на нормальный… [url]http://kazus.ru/forums/showthread.php?p=883946[/url] [url]http://radiokot.ru/forum/viewtopic.php?f=57&t=109538[/url] [url]http://www.programmersforum.ru/showthread.php?t=256996[/url] [url]http://forum.cxem.net/index.php?showtopic=143454[/url] [url]http://forum.easyelectronics.ru/viewtopic.php?t=20367&p=366006[/url] [url]http://vrtp.ru/index.php?showtopic=24941&st=0&#entry596394[/url] :OK: :D
|
|
|
 |
Добавлено: 11 ноя 2014, 21:12 |
|
|
 |
|
|
| |
Заголовок сообщения: |
Re: Аквариумный терморегулятор |
Цитата |
|
|
Всем спасибо, разобрался. Помог человек с другого форума. Тему можно закрывать.
Всем спасибо, разобрался. Помог человек с другого форума. Тему можно закрывать.
|
|
|
 |
Добавлено: 10 ноя 2014, 18:38 |
|
|
 |
|
|
| |
Заголовок сообщения: |
Re: Аквариумный терморегулятор |
Цитата |
|
|
так проще вроде
| Вложения: |

кен.JPG [ 17.3 КБ | Просмотров: 18985 ]
|
так проще вроде
|
|
|
 |
Добавлено: 09 ноя 2014, 02:39 |
|
|
 |
|
|
| |
Заголовок сообщения: |
Re: Аквариумный терморегулятор |
Цитата |
|
|
[quote="akv"][quote="kirex"]Просто получается разница температуры в 2 градуса, а мне надо в 1, т.к. у меня Дискусы в аквариуме, а они очень нежные и сильно подвержены стрессу. Т.е. можно так: если порог 28 градусов, то до 29 обогреватель включен, потом отключается, и включается снова при 28.[/quote]
Можно, измени код как на рисунке (выделено красным цветом), должно заработать :) . [url=http://pixs.ru/showimage/123jpg_7744476_14643115.jpg][img]http://i9.pixs.ru/thumbs/1/1/5/123jpg_7744476_14643115.jpg[/img][/url]
PS: Программа читается сложно, хотя и описана вроде не плохо, в общем без пол литра никак....[/quote]
Спасибо, попробую, потом отпишусь.
|
|
|
 |
Добавлено: 09 ноя 2014, 00:46 |
|
|
 |
|
|
| |
Заголовок сообщения: |
Re: Аквариумный терморегулятор |
Цитата |
|
|
[quote="als9"]Вот.[/quote] Спасибо, сделаю.
|
|
|
 |
Добавлено: 09 ноя 2014, 00:45 |
|
|
 |
|
|
| |
Заголовок сообщения: |
Re: Аквариумный терморегулятор |
Цитата |
|
|
[quote="kirex"]Просто получается разница температуры в 2 градуса, а мне надо в 1, т.к. у меня Дискусы в аквариуме, а они очень нежные и сильно подвержены стрессу. Т.е. можно так: если порог 28 градусов, то до 29 обогреватель включен, потом отключается, и включается снова при 28.[/quote]
Можно, измени код как на рисунке (выделено красным цветом), должно заработать :) . [url=http://pixs.ru/showimage/123jpg_7744476_14643115.jpg][img]http://i9.pixs.ru/thumbs/1/1/5/123jpg_7744476_14643115.jpg[/img][/url]
PS: Программа читается сложно, хотя и описана вроде не плохо, в общем без пол литра никак....
|
|
|
 |
Добавлено: 09 ноя 2014, 00:19 |
|
|
 |
|
|
| |
Заголовок сообщения: |
Re: Аквариумный терморегулятор |
Цитата |
|
|
Вот.
| Вложения: |

1212.jpg [ 84.81 КБ | Просмотров: 18999 ]
|
Вот.
|
|
|
 |
Добавлено: 08 ноя 2014, 22:26 |
|
|
 |
|
|
| |
Заголовок сообщения: |
Re: Аквариумный терморегулятор |
Цитата |
|
|
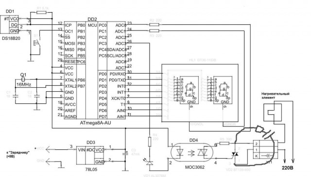
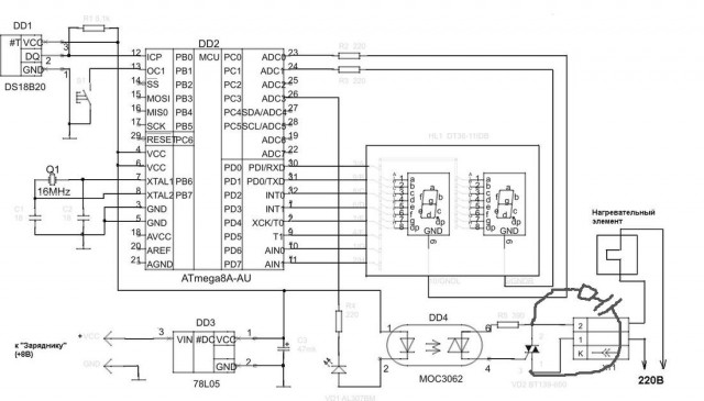
[quote="als9"][quote="kirex"] параллельно симистору RC цепочку поставьте (примерно 50ом-0.01мкф), надежнее будет симистр закрываться, ибо опасно - может не закрыться .[/quote][/quote] А можете на схеме показать.
|
|
|
 |
Добавлено: 08 ноя 2014, 21:18 |
|
|
 |
|
|
| |
Заголовок сообщения: |
Re: Аквариумный терморегулятор |
Цитата |
|
|
[quote="kirex"] параллельно симистору RC цепочку поставьте (примерно 50ом-0.01мкф), надежнее будет симистр закрываться, ибо опасно - может не закрыться .
[quote="kirex"] параллельно симистору RC цепочку поставьте (примерно 50ом-0.01мкф), надежнее будет симистр закрываться, ибо опасно - может не закрыться .
|
|
|
 |
Добавлено: 08 ноя 2014, 21:14 |
|
|
 |