| Автор |
Сообщение |
Форум: Устройства в разработке. Тема: Электронный сигнализатор поклевки |
| stik |
|
Добавлено: 03 апр 2021, 10:55
|
|
Ответы: 947 Просмотры: 1494128
|
| Всем привет ребята помогите, пожалуйста, нарисовать печатную платку для этого сигнализатора. Участник нашего форума выкладывал я не могу до него достучаться. А сам не могу нарисовать. |
|
 |
Форум: Устройства в разработке. Тема: Электронный сигнализатор поклевки |
| stik |
|
Добавлено: 03 апр 2021, 11:26
|
|
Ответы: 947 Просмотры: 1494128
|
| Сигнализатор от ZAS с прошивкой с автоотключением |
|
 |
Форум: Устройства в разработке. Тема: Электронный сигнализатор поклевки |
| stik |
|
Добавлено: 03 апр 2021, 12:09
|
|
Ответы: 947 Просмотры: 1494128
|
| Я новичёк в этом деле печатные платы по схеме я не умею делать. А такие платки с Али у меня есть. |
|
 |
Форум: Устройства в разработке. Тема: Электронный сигнализатор поклевки |
| stik |
|
Добавлено: 03 апр 2021, 12:21
|
|
Ответы: 947 Просмотры: 1494128
|
| Мне бы помочь нарисовать дорожки на платке и дальше я попробую делать, охото собрать такой сигнализатор. |
|
 |
Форум: Устройства в разработке. Тема: Электронный сигнализатор поклевки |
| stik |
|
Добавлено: 10 апр 2021, 02:52
|
|
Ответы: 947 Просмотры: 1494128
|
| Вот как вы думаете это готовый модуль можно приспособить на сигнализатору поклёвки https://www.radiosfera.org/catalog/datchiki/313/ Можно ли на него приспособить в место подстроичного резистора поставить тактовую кнопку и регулировать чувствительность. |
|
 |
Форум: Устройства в разработке. Тема: Электронный сигнализатор поклевки |
| stik |
|
Добавлено: 11 июн 2021, 00:38
|
|
Ответы: 947 Просмотры: 1494128
|

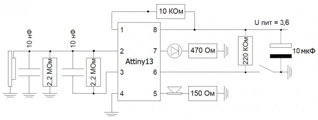
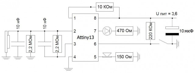
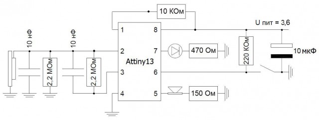
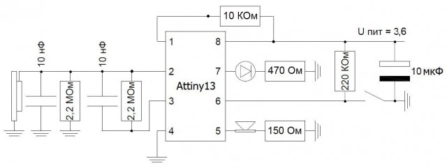
Схема.jpg [ 76.75 КБ | Просмотров: 66741 ]
Ребята подскажите как подключить правильно Ттр223 сенсорный выкючатель Сигнализатор от ZAS с прошивкой с автоотключением. Я сенсор подключаю в место кнопки и тогда бузер перестаёт работать. Куда его правельно подключить на этой схеме? |
|
 |
Форум: Устройства в разработке. Тема: Электронный сигнализатор поклевки |
| stik |
|
Добавлено: 23 июн 2021, 11:56
|
|
Ответы: 947 Просмотры: 1494128
|
| Я вот так сделал подключение и там при прикасании вкл и переключение функций должнобыть. |
|
 |
| Поле сортировки: |