Перейти к блогу GetChip.net - блог        JilTE[1] - в разработке     Модификации устройств - модификации

 
Текущее время: 30 ноя 2025, 05:58

Часовой пояс: UTC + 3 часа [ Летнее время ]



Начать новую тему Ответить на тему  [ Сообщений: 23 ]  На страницу Пред.  1, 2, 3  След.
Автор Сообщение
 Заголовок сообщения: Re: Аквариумный терморегулятор
СообщениеДобавлено: 08 ноя 2014, 18:29 
Не в сети

Зарегистрирован: 07 ноя 2014, 17:39
Сообщения: 13


Вернуться к началу
 Профиль Отправить личное сообщение  
Ответить с цитатой  
 Заголовок сообщения: Re: Аквариумный терморегулятор
СообщениеДобавлено: 08 ноя 2014, 19:36 
Не в сети
Аватара пользователя

Зарегистрирован: 29 май 2011, 17:59
Сообщения: 3769
Откуда: Россия


Вернуться к началу
 Профиль Отправить личное сообщение  
Ответить с цитатой  
 Заголовок сообщения: Re: Аквариумный терморегулятор
СообщениеДобавлено: 08 ноя 2014, 20:34 
Не в сети

Зарегистрирован: 07 ноя 2014, 17:39
Сообщения: 13


Вернуться к началу
 Профиль Отправить личное сообщение  
Ответить с цитатой  
 Заголовок сообщения: Re: Аквариумный терморегулятор
СообщениеДобавлено: 08 ноя 2014, 21:14 
Не в сети

Зарегистрирован: 11 июл 2013, 22:36
Сообщения: 127
[quote="kirex"] параллельно симистору RC цепочку поставьте (примерно 50ом-0.01мкф), надежнее будет симистр закрываться, ибо опасно - может не закрыться .


Вернуться к началу
 Профиль Отправить личное сообщение  
Ответить с цитатой  
 Заголовок сообщения: Re: Аквариумный терморегулятор
СообщениеДобавлено: 08 ноя 2014, 21:18 
Не в сети

Зарегистрирован: 07 ноя 2014, 17:39
Сообщения: 13


Вернуться к началу
 Профиль Отправить личное сообщение  
Ответить с цитатой  
 Заголовок сообщения: Re: Аквариумный терморегулятор
СообщениеДобавлено: 08 ноя 2014, 22:26 
Не в сети

Зарегистрирован: 11 июл 2013, 22:36
Сообщения: 127
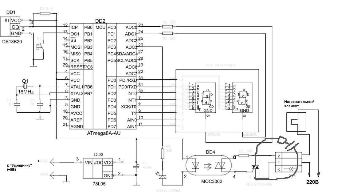
Вот.


Вложения:
1212.jpg
1212.jpg [ 84.81 КБ | Просмотров: 14969 ]
Вернуться к началу
 Профиль Отправить личное сообщение  
Ответить с цитатой  
 Заголовок сообщения: Re: Аквариумный терморегулятор
СообщениеДобавлено: 09 ноя 2014, 00:19 
Не в сети
Аватара пользователя

Зарегистрирован: 11 янв 2014, 16:23
Сообщения: 64


Вернуться к началу
 Профиль Отправить личное сообщение  
Ответить с цитатой  
 Заголовок сообщения: Re: Аквариумный терморегулятор
СообщениеДобавлено: 09 ноя 2014, 00:45 
Не в сети

Зарегистрирован: 07 ноя 2014, 17:39
Сообщения: 13


Вернуться к началу
 Профиль Отправить личное сообщение  
Ответить с цитатой  
 Заголовок сообщения: Re: Аквариумный терморегулятор
СообщениеДобавлено: 09 ноя 2014, 00:46 
Не в сети

Зарегистрирован: 07 ноя 2014, 17:39
Сообщения: 13


Вернуться к началу
 Профиль Отправить личное сообщение  
Ответить с цитатой  
 Заголовок сообщения: Re: Аквариумный терморегулятор
СообщениеДобавлено: 09 ноя 2014, 02:39 
Не в сети

Зарегистрирован: 11 июл 2013, 22:36
Сообщения: 127
так проще вроде


Вложения:
кен.JPG
кен.JPG [ 17.3 КБ | Просмотров: 14955 ]
Вернуться к началу
 Профиль Отправить личное сообщение  
Ответить с цитатой  
Показать сообщения за:  Поле сортировки  
Начать новую тему Ответить на тему  [ Сообщений: 23 ]  На страницу Пред.  1, 2, 3  След.

Часовой пояс: UTC + 3 часа [ Летнее время ]


Кто сейчас на конференции

Сейчас этот форум просматривают: нет зарегистрированных пользователей и гости: 2


Вы можете начинать темы
Вы можете отвечать на сообщения
Вы не можете редактировать свои сообщения
Вы не можете удалять свои сообщения
Вы не можете добавлять вложения

Найти:
Перейти:  
cron
Powered by phpBB © 2000, 2002, 2005, 2007 phpBB Group
Русская поддержка phpBB