Перейти к блогу GetChip.net - блог        JilTE[1] - в разработке     Модификации устройств - модификации

 
Текущее время: 10 мар 2026, 11:52

Часовой пояс: UTC + 3 часа [ Летнее время ]



Ответить
Имя пользователя:
Заголовок:
Текст сообщения:
Введите текст вашего сообщения. Длина сообщения в символах не более: 60000

Размер шрифта:
Цвет шрифта
Настройки:
BBCode ВКЛЮЧЁН
[img] ВКЛЮЧЁН
[flash] ВЫКЛЮЧЕН
[url] ВКЛЮЧЁН
Смайлики ВЫКЛЮЧЕНЫ
Отключить в этом сообщении BBCode
Не преобразовывать адреса URL в ссылки
Анти-спам
Анти-спам:
Выполните задание
   

Обзор темы - Mod#120 автосмена режима + автоуровень
Автор Сообщение
  Заголовок сообщения:  Re: Mod#120 автосмена режима + автоуровень  
Цитата
Сообщение Добавлено: 04 мар 2016, 00:07
  Заголовок сообщения:  Re: Mod#120 автосмена режима + автоуровень  
Цитата
Есть задумки.
Закончу с текущими статьями попробую реализовать.
Сообщение Добавлено: 03 мар 2016, 20:16
  Заголовок сообщения:  Re: Mod#120 автосмена режима + автоуровень  
Цитата
Есть уже новые идеи реализации автоподстройки?
Сообщение Добавлено: 03 мар 2016, 16:48
  Заголовок сообщения:  Re: Mod#120 автосмена режима + автоуровень  
Цитата
Готово! Добавил к статье http://www.getchip.net/posts/120-adjust ... a-ws2812b/

Ну раз теперь есть опорная версия можно двигаться дальше с автоподстройкой
Сообщение Добавлено: 24 фев 2016, 22:24
  Заголовок сообщения:  Re: Mod#120 автосмена режима + автоуровень  
Цитата
Вот плата. Расположение деталей микрофонного усилителя я не стал указывать. Поэтому прилагаю плату МУ как отдельный блок. На ней всё указано. Обратите внимание на перемычки.


Вложения:
индикатор.rar [436.44 КБ]
Скачиваний: 1327
Сообщение Добавлено: 24 фев 2016, 01:45
  Заголовок сообщения:  Re: Mod#120 автосмена режима + автоуровень  
Цитата
ОК
Сообщение Добавлено: 23 фев 2016, 21:13
  Заголовок сообщения:  Re: Mod#120 автосмена режима + автоуровень  
Цитата
Куда уж проще то :) Можно конечно упростить микрофонный компрессор - выкинув два транзистора, но лучше оставить так как есть. Ну, или применить специализированную микросхему к примеру ВА3308. Позже выложу плату, только доведу её до состояния понятное не только одному мне, и будет совсем просто собрать схему. Схема изначально была в двое больше. Пробовал я и с полосовыми фильтрами, и с фильтром четвёртого порядка, и с логарифмическим усилителем. В итоге всё из схемы повыкидывал, но использование логарифмического усилителя всё ещё рассматриваю - придаёт особую изюминку в подвижности.
Режим демо работает. По-моему это самая стабильная версия. Единственное, что хочу отметить, это то, что в режиме автосмены бывает зацикливается на трёх-четырёх эффектах.
Эту версию я выкладывал на третьей странице этого топика. "Adjusty_WS2812B_source_auto_effectprobe006.rar"
Кстати, что бы первые пиксели не светились в паузе между треками, на вход МК надо повесить резистор на 100к относительно массы. Я когда рисовал схему упустил этот момент.
Сообщение Добавлено: 23 фев 2016, 04:47
  Заголовок сообщения:  Re: Mod#120 автосмена режима + автоуровень  
Цитата
Я бы не сказал, что она получилось простой :)
Но главное что работает!

Отлично - добавлю к статье. Вот только еще-бы с прошивкой определится (я запутался с вариантами :( )
Кинь тот вариант программы что на видео работает.
Я так понимаю - это 5ти вольтовый вариант без автоподстройки и с авто сменой режимов? В этом варианте работает Демо?
Сообщение Добавлено: 23 фев 2016, 01:40
  Заголовок сообщения:  Re: Mod#120 автосмена режима + автоуровень  
Цитата
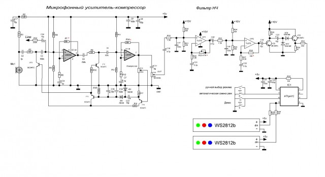
Схема к индикатору получилась до безобразия простой и собственно соответствует поставленной задаче - простата, легкодоступные компоненты и 100 процентная повторяемость. При правильной сборке работает сразу. Вся настройка сводится к выставлению уровней компрессии и выхода микрофонного усилителя. Главное и единственное требование - не выставлять усиление по максимуму. Наличие компрессора не является таблеткой от всех болезней и при работе от микрофона всё же имеет свои границы регулирования. Можно конечно "зажать" сигнал регулятором компрессии, но тогда страдает подвижность индикации. Лучшим средством является предусмотренный регулятор усиления Ку на первом операционнике фильтра нч. При работе от линейного входа, компрессор замечательно справляется без дополнительных регулировок.
С питанием схемы всё ещё проще. Выбор блока питания исходил от требования ленты WS2812B, точнее от потребления тока, плюс небольшой запас. 10 вольт получаем через DC/DC преобразователь.


Вложения:
Продвинутый индикатор уровня.spl7 [63.06 КБ]
Скачиваний: 1359
Продвинутый индикатор уровня.JPG
Продвинутый индикатор уровня.JPG [ 110.86 КБ | Просмотров: 19643 ]
Сообщение Добавлено: 21 фев 2016, 18:03
  Заголовок сообщения:  Re: Mod#120 автосмена режима + автоуровень  
Цитата
Здорово вышло! :lol:

Конечно схему выкладывай! я вместе с видео добавлю к статье от твоего имени.

Для нового эффектора создал топик viewtopic.php?f=7&t=711

Кстати, сейчас активно думаю про новый эффектор и все лучшее и интересное перекочует с текущего
Сообщение Добавлено: 20 фев 2016, 12:59

Часовой пояс: UTC + 3 часа [ Летнее время ]


Перейти:  
cron
Powered by phpBB © 2000, 2002, 2005, 2007 phpBB Group
Русская поддержка phpBB