| Автор | 
			Сообщение | 
		
		
				| 
					
				 | 
				
					
					
						|   | 
						Заголовок сообщения:  | 
						Re: Mod#065 (Четырехканальный сенсорный переключатель нагруз | 
						 Цитата | 
					 
					 
				 | 
			
			
				
					
					
						
							
							
								
									
									
										
  
										
										
											| Вложения:  | 
										 
										
											
												
			  
			touchsens3.gif [ 27.65 КБ | Просмотров: 9351 ]
		
		 
	 | 
											 
										
										 
									
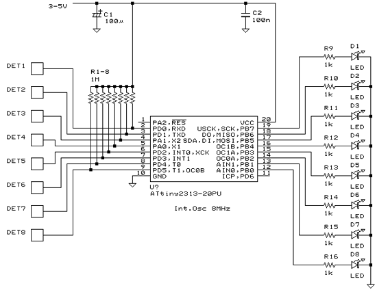
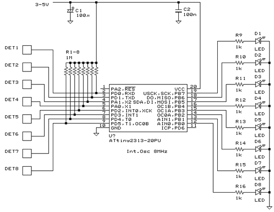
										[quote="GetChiper"]Какие числа получились по каналам? Проблемный канал получилось подтянуть?[/quote] Здравствуйте. Не поможите с прошивкой-нужно 8 сенсорных кнопок с фиксацией и восемь выходов 
									
								 | 
							 
							 
						 | 
					 
					
						
							
							
								 | 
								  | 
								Добавлено: 15 дек 2016, 13:59 | 
							 
							 
						 | 
					 
					 
				 | 
				
			
			
				  | 
			
		
				| 
					
				 | 
				
					
					
						|   | 
						Заголовок сообщения:  | 
						Re: Mod#065 (Четырехканальный сенсорный переключатель нагруз | 
						 Цитата | 
					 
					 
				 | 
			
			
				
					
					
						
							
							
								| 
									
									
										 [quote="GetChiper"]Какие числа получились по каналам? Проблемный канал получилось подтянуть?[/quote] 
									
								 | 
							 
							 
						 | 
					 
					
						
							
							
								 | 
								  | 
								Добавлено: 15 дек 2016, 13:55 | 
							 
							 
						 | 
					 
					 
				 | 
				
			
			
				  | 
			
		
				| 
					
				 | 
				
					
					
						|   | 
						Заголовок сообщения:  | 
						Re: Mod#065 (Четырехканальный сенсорный переключатель нагруз | 
						 Цитата | 
					 
					 
				 | 
			
			
				
					
					
						
							
							
								| 
									 Какие числа получились по каналам? Проблемный канал получилось подтянуть? 
									
										Какие числа получились по каналам? Проблемный канал получилось подтянуть? 
									
								 | 
							 
							 
						 | 
					 
					
						
							
							
								 | 
								  | 
								Добавлено: 26 май 2016, 00:01 | 
							 
							 
						 | 
					 
					 
				 | 
				
			
			
				  | 
			
		
				| 
					
				 | 
				
					
					
						|   | 
						Заголовок сообщения:  | 
						Re: Mod#065 (Четырехканальный сенсорный переключатель нагруз | 
						 Цитата | 
					 
					 
				 | 
			
			
				
					
					
						
							
							
								| 
									
									
										 Евгений, всё работает. Спасибо :OK:  :OK:  :OK: 
									
								 | 
							 
							 
						 | 
					 
					
						
							
							
								 | 
								  | 
								Добавлено: 25 май 2016, 23:59 | 
							 
							 
						 | 
					 
					 
				 | 
				
			
			
				  | 
			
		
				| 
					
				 | 
				
					
					
						|   | 
						Заголовок сообщения:  | 
						Re: Mod#065 (Четырехканальный сенсорный переключатель нагруз | 
						 Цитата | 
					 
					 
				 | 
			
			
				
					
					
						
							
							
								| 
									 Немного подправил. пробуй каждый раз одинаковыми уставками для всех каналов и из ряда 3, 5, 10, 15, 20, 30 
									
										
  
										
									
										Немного подправил. пробуй каждый раз одинаковыми уставками для всех каналов и из ряда 3, 5, 10, 15, 20, 30 
									
								 | 
							 
							 
						 | 
					 
					
						
							
							
								 | 
								  | 
								Добавлено: 24 май 2016, 23:09 | 
							 
							 
						 | 
					 
					 
				 | 
				
			
			
				  | 
			
		
				| 
					
				 | 
				
					
					
						|   | 
						Заголовок сообщения:  | 
						Re: Mod#065 (Четырехканальный сенсорный переключатель нагруз | 
						 Цитата | 
					 
					 
				 | 
			
			
				
					
					
						
							
							
								| 
									 Всёравно не работает. Пробывал от 1 до 10 каждый канал. 
									
										Всёравно не работает. Пробывал от 1 до 10 каждый канал. 
									
								 | 
							 
							 
						 | 
					 
					
						
							
							
								 | 
								  | 
								Добавлено: 24 май 2016, 18:26 | 
							 
							 
						 | 
					 
					 
				 | 
				
			
			
				  | 
			
		
				| 
					
				 | 
				
					
					
						|   | 
						Заголовок сообщения:  | 
						Re: Mod#065 (Четырехканальный сенсорный переключатель нагруз | 
						 Цитата | 
					 
					 
				 | 
			
			
				
					
					
						
							
							
								| 
									 Ааа. Понятно. Буду экспериментировать. 
									
										Ааа. Понятно. Буду экспериментировать. 
									
								 | 
							 
							 
						 | 
					 
					
						
							
							
								 | 
								  | 
								Добавлено: 24 май 2016, 00:10 | 
							 
							 
						 | 
					 
					 
				 | 
				
			
			
				  | 
			
		
				| 
					
				 | 
				
					
					
						|   | 
						Заголовок сообщения:  | 
						Re: Mod#065 (Четырехканальный сенсорный переключатель нагруз | 
						 Цитата | 
					 
					 
				 | 
			
			
				
					
					
						
							
							
								| 
									 В данной прошивке устройство автоматически не устанавливает чувствительность. Ее нужно самому установить в SENSE_OVER_n  по каналам и сделать это нужно опытным путем. 
									
										В данной прошивке устройство автоматически не устанавливает чувствительность. Ее нужно самому установить в SENSE_OVER_n  по каналам и сделать это нужно опытным путем. 
									
								 | 
							 
							 
						 | 
					 
					
						
							
							
								 | 
								  | 
								Добавлено: 23 май 2016, 23:58 | 
							 
							 
						 | 
					 
					 
				 | 
				
			
			
				  | 
			
		
				| 
					
				 | 
				
					
					
						|   | 
						Заголовок сообщения:  | 
						Re: Mod#065 (Четырехканальный сенсорный переключатель нагруз | 
						 Цитата | 
					 
					 
				 | 
			
			
				
					
					
						
							
							
								| 
									
									
										 [quote="serega2323"]Не работает ни один канал.[/quote]
  Не реагируют на прикосновения. 
									
								 | 
							 
							 
						 | 
					 
					
						
							
							
								 | 
								  | 
								Добавлено: 23 май 2016, 20:08 | 
							 
							 
						 | 
					 
					 
				 | 
				
			
			
				  | 
			
		
				| 
					
				 | 
				
					
					
						|   | 
						Заголовок сообщения:  | 
						Re: Mod#065 (Четырехканальный сенсорный переключатель нагруз | 
						 Цитата | 
					 
					 
				 | 
			
			
				
					
					
						
							
							
								| 
									 Не работает ни один канал. 
									
										Не работает ни один канал. 
									
								 | 
							 
							 
						 | 
					 
					
						
							
							
								 | 
								  | 
								Добавлено: 22 май 2016, 23:02 | 
							 
							 
						 | 
					 
					 
				 | 
				
			
			
				  |