| Автор |
Сообщение |
|
|
| |
Заголовок сообщения: |
Re: Mod#065 (Четырехканальный сенсорный переключатель нагруз |
Цитата |
|
| Вложения: |

touchsens3.gif [ 27.65 КБ | Просмотров: 12652 ]
|
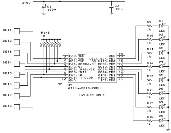
[quote="GetChiper"]Какие числа получились по каналам? Проблемный канал получилось подтянуть?[/quote] Здравствуйте. Не поможите с прошивкой-нужно 8 сенсорных кнопок с фиксацией и восемь выходов
|
|
|
 |
Добавлено: 15 дек 2016, 13:59 |
|
|
 |
|
|
| |
Заголовок сообщения: |
Re: Mod#065 (Четырехканальный сенсорный переключатель нагруз |
Цитата |
|
|
[quote="GetChiper"]Какие числа получились по каналам? Проблемный канал получилось подтянуть?[/quote]
|
|
|
 |
Добавлено: 15 дек 2016, 13:55 |
|
|
 |
|
|
| |
Заголовок сообщения: |
Re: Mod#065 (Четырехканальный сенсорный переключатель нагруз |
Цитата |
|
|
Какие числа получились по каналам? Проблемный канал получилось подтянуть?
Какие числа получились по каналам? Проблемный канал получилось подтянуть?
|
|
|
 |
Добавлено: 26 май 2016, 00:01 |
|
|
 |
|
|
| |
Заголовок сообщения: |
Re: Mod#065 (Четырехканальный сенсорный переключатель нагруз |
Цитата |
|
|
Евгений, всё работает. Спасибо :OK: :OK: :OK:
|
|
|
 |
Добавлено: 25 май 2016, 23:59 |
|
|
 |
|
|
| |
Заголовок сообщения: |
Re: Mod#065 (Четырехканальный сенсорный переключатель нагруз |
Цитата |
|
|
Немного подправил. пробуй каждый раз одинаковыми уставками для всех каналов и из ряда 3, 5, 10, 15, 20, 30
Немного подправил. пробуй каждый раз одинаковыми уставками для всех каналов и из ряда 3, 5, 10, 15, 20, 30
|
|
|
 |
Добавлено: 24 май 2016, 23:09 |
|
|
 |
|
|
| |
Заголовок сообщения: |
Re: Mod#065 (Четырехканальный сенсорный переключатель нагруз |
Цитата |
|
|
Всёравно не работает. Пробывал от 1 до 10 каждый канал.
Всёравно не работает. Пробывал от 1 до 10 каждый канал.
|
|
|
 |
Добавлено: 24 май 2016, 18:26 |
|
|
 |
|
|
| |
Заголовок сообщения: |
Re: Mod#065 (Четырехканальный сенсорный переключатель нагруз |
Цитата |
|
|
Ааа. Понятно. Буду экспериментировать.
Ааа. Понятно. Буду экспериментировать.
|
|
|
 |
Добавлено: 24 май 2016, 00:10 |
|
|
 |
|
|
| |
Заголовок сообщения: |
Re: Mod#065 (Четырехканальный сенсорный переключатель нагруз |
Цитата |
|
|
В данной прошивке устройство автоматически не устанавливает чувствительность. Ее нужно самому установить в SENSE_OVER_n по каналам и сделать это нужно опытным путем.
В данной прошивке устройство автоматически не устанавливает чувствительность. Ее нужно самому установить в SENSE_OVER_n по каналам и сделать это нужно опытным путем.
|
|
|
 |
Добавлено: 23 май 2016, 23:58 |
|
|
 |
|
|
| |
Заголовок сообщения: |
Re: Mod#065 (Четырехканальный сенсорный переключатель нагруз |
Цитата |
|
|
[quote="serega2323"]Не работает ни один канал.[/quote]
Не реагируют на прикосновения.
|
|
|
 |
Добавлено: 23 май 2016, 20:08 |
|
|
 |
|
|
| |
Заголовок сообщения: |
Re: Mod#065 (Четырехканальный сенсорный переключатель нагруз |
Цитата |
|
|
Не работает ни один канал.
Не работает ни один канал.
|
|
|
 |
Добавлено: 22 май 2016, 23:02 |
|
|
 |