Перейти к блогу GetChip.net - блог        JilTE[1] - в разработке     Модификации устройств - модификации

 
Текущее время: 21 апр 2026, 23:22

Часовой пояс: UTC + 3 часа [ Летнее время ]



Ответить
Имя пользователя:
Заголовок:
Текст сообщения:
Введите текст вашего сообщения. Длина сообщения в символах не более: 60000

Размер шрифта:
Цвет шрифта
Настройки:
BBCode ВКЛЮЧЁН
[img] ВКЛЮЧЁН
[flash] ВЫКЛЮЧЕН
[url] ВКЛЮЧЁН
Смайлики ВЫКЛЮЧЕНЫ
Отключить в этом сообщении BBCode
Не преобразовывать адреса URL в ссылки
Анти-спам
Анти-спам:
Выполните задание
   

Обзор темы - kalibrator 4-20mA
Автор Сообщение
  Заголовок сообщения:  Re: kalibrator 4-20mA  
Цитата
при включении микроконтроллера с СОМ портом не смотря на низкий скорость подключение все равно сбой .
Сообщение Добавлено: 13 окт 2011, 15:11
  Заголовок сообщения:  Re: kalibrator 4-20mA  
Цитата
Это устройство предназначено для регулирование IP konvertor-а А мощность должно быть достаточно
для этого.
Сообщение Добавлено: 27 сен 2011, 18:24
  Заголовок сообщения:  Re: kalibrator 4-20mA  
Цитата
Изящнее было бы использовать ШИМ.
И проще было бы исключить микроконтроллер вообще. Ток задавать переменниками, а измерять обрубком китайского мультиметра типа 830. Причём всё это запихнуть в корпус того же мультиметра.
Сообщение Добавлено: 25 сен 2011, 21:47
  Заголовок сообщения:  Re: kalibrator 4-20mA  
Цитата
Программу писал на CodeVisionAVR. Самый простой вариант решении проблемы.
...Задача проста. Надо с помощью калибратора подать токи 4-20 мА которые
назначены для управления устройством.Эти токи мы будем имитировать.
Чтобы нам стало легче , надо чтоб эти токи сохранились на контроллере.
(на EEPROM-е)При повторном запросе нам не остается опять набрать код тока ...
Сообщение Добавлено: 24 сен 2011, 17:23
  Заголовок сообщения:  Re: kalibrator 4-20mA  
Цитата
А программой похвастаешься? Если конечно на АВ. :)
Сообщение Добавлено: 23 сен 2011, 17:03
  Заголовок сообщения:  Re: kalibrator 4-20mA  
Цитата


Вложения:
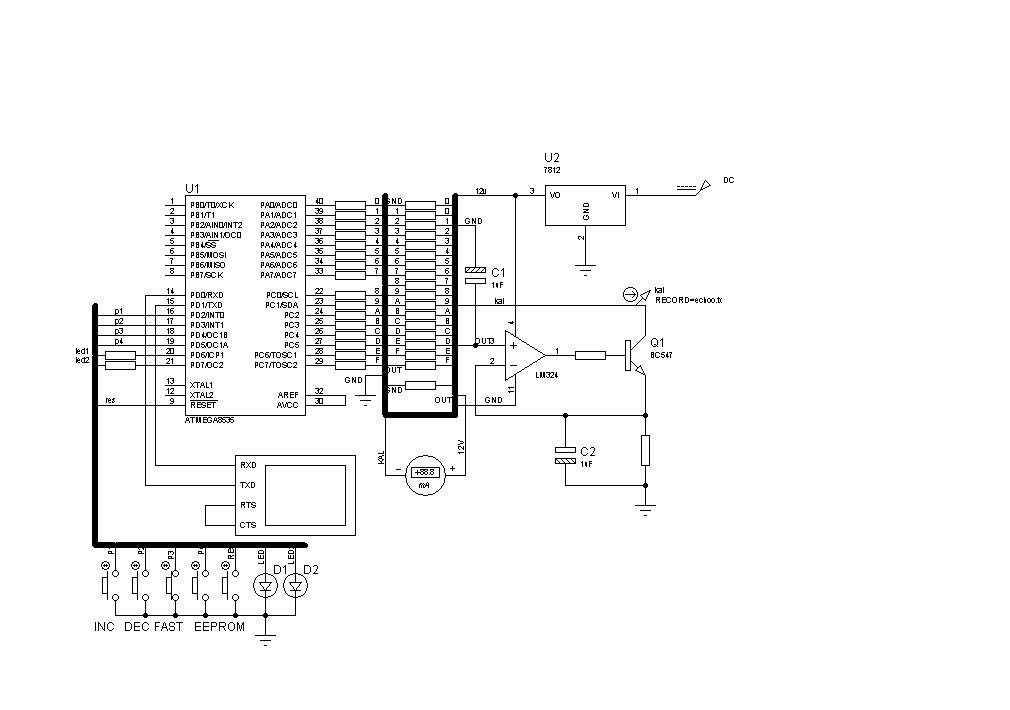
kalib.jpg
kalib.jpg [ 58.3 КБ | Просмотров: 19184 ]
Сообщение Добавлено: 23 сен 2011, 12:08
  Заголовок сообщения:  Re: kalibrator 4-20mA  
Цитата
Сообщение Добавлено: 08 сен 2011, 18:44
  Заголовок сообщения:  Re: kalibrator 4-20mA  
Цитата
Сообщение Добавлено: 08 сен 2011, 13:29
  Заголовок сообщения:  Re: kalibrator 4-20mA  
Цитата
Сообщение Добавлено: 08 сен 2011, 13:23
  Заголовок сообщения:  Re: kalibrator 4-20mA  
Цитата
Если скорость UART небольшая - оставляй так - будет нормально работать.
Сообщение Добавлено: 06 сен 2011, 20:52

Часовой пояс: UTC + 3 часа [ Летнее время ]


Перейти:  
cron
Powered by phpBB © 2000, 2002, 2005, 2007 phpBB Group
Русская поддержка phpBB