Перейти к блогу GetChip.net - блог        JilTE[1] - в разработке     Модификации устройств - модификации

 
Текущее время: 13 май 2026, 01:09

Часовой пояс: UTC + 3 часа [ Летнее время ]



Начать новую тему Ответить на тему  [ Сообщений: 47 ]  На страницу 1, 2, 3, 4, 5  След.
Автор Сообщение
 Заголовок сообщения: Mod#087 выход на включение усилителя
СообщениеДобавлено: 16 июл 2012, 23:02 
Не в сети
Администратор
Аватара пользователя

Зарегистрирован: 15 май 2011, 23:00
Сообщения: 1904
Модификация

Вывод микроконтроллера 15 (Monster) вместо включения режима замедленного воспроизведения подает сигнал на включение усилителя (при проигрывании трека на ноге логическая единица).


Вложения:
Комментарий к файлу: Исходник мода 087
SDC_Talking_Mod1.zip [40.64 КБ]
Скачиваний: 3130
Комментарий к файлу: Прошивка ATtiny2313 SD Card Talking Device
SDC_Talking.hex [5.52 КБ]
Скачиваний: 3194
Вернуться к началу
 Профиль Отправить личное сообщение  
Ответить с цитатой  
 Заголовок сообщения: Re: Мод #087 выход на включение усилителя
СообщениеДобавлено: 05 ноя 2012, 17:01 
Огромное Вам спасибо за такое устройство. Собрал и сразу заработало без проблем. Представляю сколько труда и времени стоило его нормально отладить да и написать саму программу. До этого имел дело только с PIC, писал программы только под него, теперь начинаю потихоньку изучать AVR. Теперь хочу прикрутить к выходу автомобильную сирену. Там уже стоит усилитель, на вход которого необходимо подавать сигнал в противофазе. Отсюда вопрос - можно ли перенастроить вход кнопки на увеличение скорости проигрывания на выход и подавать на него синал с шим в противофазе? Так как с AVR только начинаю работать перезаписать программу пока для меня проблема. Как вариант может поставить инвертор сигнала на К561ЛН2 или подобной логике?


Вернуться к началу
  
Ответить с цитатой  
 Заголовок сообщения: Re: Мод #087 выход на включение усилителя
СообщениеДобавлено: 05 ноя 2012, 18:59 
Не в сети
Администратор
Аватара пользователя

Зарегистрирован: 15 май 2011, 23:00
Сообщения: 1904
То есть нужно 2 выхода, один с обычным ШИМ, а второй с инверсией?


Вернуться к началу
 Профиль Отправить личное сообщение  
Ответить с цитатой  
 Заголовок сообщения: Re: Мод #087 выход на включение усилителя
СообщениеДобавлено: 05 ноя 2012, 21:55 
Да, тогда можно подключить напрямую к усилителю обычного колокола от автосигнализации, усилитель там собран на 6 транзисторах.


Вернуться к началу
  
Ответить с цитатой  
 Заголовок сообщения: Re: Мод #087 выход на включение усилителя
СообщениеДобавлено: 05 ноя 2012, 22:14 
Не в сети
Аватара пользователя

Зарегистрирован: 05 ноя 2012, 22:04
Сообщения: 7
Вот его схема, подключал его к pic не один раз, генерировал кряк, различные звуки сирены. Обеспечивает раскачку сирены сменой полярности. На вход можно подавать напряжение от 3 вольт и выше.


Вложения:
1.JPG
1.JPG [ 40.34 КБ | Просмотров: 53204 ]
Вернуться к началу
 Профиль Отправить личное сообщение  
Ответить с цитатой  
 Заголовок сообщения: Re: Мод #087 выход на включение усилителя
СообщениеДобавлено: 06 ноя 2012, 19:33 
Не в сети
Администратор
Аватара пользователя

Зарегистрирован: 15 май 2011, 23:00
Сообщения: 1904
Делал я такой выход. Пробовал на L293D цеплять. Мощность создает нехилую, но качество звука никакое (это касается только L293D). Планирую увеличивать функциональность устройства - перейду на ATmega88 и там обязательно сделаю противофазный выход.


Вернуться к началу
 Профиль Отправить личное сообщение  
Ответить с цитатой  
 Заголовок сообщения: Re: Мод #087 выход на включение усилителя
СообщениеДобавлено: 06 ноя 2012, 22:14 
Я всё таки попробую к561лн2, о результатах напишу.


Вернуться к началу
  
Ответить с цитатой  
 Заголовок сообщения: Re: Мод #087 выход на включение усилителя
СообщениеДобавлено: 07 ноя 2012, 21:17 
Не в сети
Аватара пользователя

Зарегистрирован: 05 ноя 2012, 22:04
Сообщения: 7
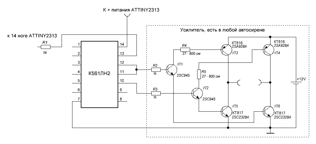
Собрал и опробовал инвертор, работает на ура, помех не создаёт. Качество звука для автомобильной сирены нормальное. Осталось сделать его вкл/выкл на транзисторе от управляющего выхода на ATTINY2313. Ток потребления при работе усилителя ~0.5A.


Вложения:
Схема с инвертором сигнала.jpg
Схема с инвертором сигнала.jpg [ 59.92 КБ | Просмотров: 53164 ]
Вернуться к началу
 Профиль Отправить личное сообщение  
Ответить с цитатой  
 Заголовок сообщения: Re: Мод #087 выход на включение усилителя
СообщениеДобавлено: 07 ноя 2012, 23:05 
Не в сети
Администратор
Аватара пользователя

Зарегистрирован: 15 май 2011, 23:00
Сообщения: 1904
Да, такая схема включения выжимает максимум мощности.


Вернуться к началу
 Профиль Отправить личное сообщение  
Ответить с цитатой  
 Заголовок сообщения: Re: Мод #087 выход на включение усилителя
СообщениеДобавлено: 11 ноя 2012, 17:44 
Не в сети
Аватара пользователя

Зарегистрирован: 05 ноя 2012, 22:04
Сообщения: 7
Всё, сделал управление на вкл/выкл. Резистор R8 подключается прямо к порту микроконтроллера, где при проигрывании трека появляется +. В схеме была ошибка, неправильно указал структуру маломощного транзистора, пререзагрузил схему.


Вложения:
Схема с инвертором сигнала.JPG
Схема с инвертором сигнала.JPG [ 75.09 КБ | Просмотров: 53096 ]
Вернуться к началу
 Профиль Отправить личное сообщение  
Ответить с цитатой  
Показать сообщения за:  Поле сортировки  
Начать новую тему Ответить на тему  [ Сообщений: 47 ]  На страницу 1, 2, 3, 4, 5  След.

Часовой пояс: UTC + 3 часа [ Летнее время ]


Кто сейчас на конференции

Сейчас этот форум просматривают: нет зарегистрированных пользователей и гости: 13


Вы можете начинать темы
Вы можете отвечать на сообщения
Вы не можете редактировать свои сообщения
Вы не можете удалять свои сообщения
Вы не можете добавлять вложения

Найти:
Перейти:  
cron
Powered by phpBB © 2000, 2002, 2005, 2007 phpBB Group
Русская поддержка phpBB