Перейти к блогу GetChip.net - блог        JilTE[1] - в разработке     Модификации устройств - модификации

 
Текущее время: 30 ноя 2025, 12:57

Часовой пояс: UTC + 3 часа [ Летнее время ]



Начать новую тему Ответить на тему  [ Сообщений: 30 ]  На страницу 1, 2, 3  След.
Автор Сообщение
 Заголовок сообщения: Mod#087 - выбор трека пинами
СообщениеДобавлено: 28 фев 2016, 00:57 
Не в сети
Администратор
Аватара пользователя

Зарегистрирован: 15 май 2011, 23:00
Сообщения: 1904
Оригинал http://www.getchip.net/posts/087-attiny ... ng-device/

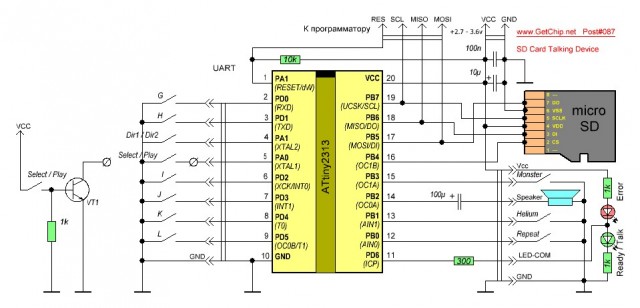
Отличия показаны на схеме
087-SDC_Talking_Device.JPG
087-SDC_Talking_Device.JPG [ 89.79 КБ | Просмотров: 37980 ]

Трек можно выбрать как "набоем" при помощи Select/Play, так и прямым выбором (замыканием соответствующей ножки "G" - "L" на землю
SDC_Talking_select_pin.zip [124.34 КБ]
Скачиваний: 2269


Вариант, в котором 15 ножка включает усилитель Копия SDC_Talking_select_pin_amp15.zip [124.83 КБ]
Скачиваний: 2192


Вернуться к началу
 Профиль Отправить личное сообщение  
Ответить с цитатой  
 Заголовок сообщения: Re: Mod#087 - выбор трека пинами
СообщениеДобавлено: 01 мар 2016, 12:21 
Не в сети

Зарегистрирован: 01 мар 2016, 12:10
Сообщения: 10
Здравствуйте напишите прошивку к этому устройству включения усилителя на 15 вывод микросхемы сбасибо


Вернуться к началу
 Профиль Отправить личное сообщение  
Ответить с цитатой  
 Заголовок сообщения: Re: Mod#087 - выбор трека пинами
СообщениеДобавлено: 01 мар 2016, 20:15 
Не в сети
Администратор
Аватара пользователя

Зарегистрирован: 15 май 2011, 23:00
Сообщения: 1904
Сделано.


Вернуться к началу
 Профиль Отправить личное сообщение  
Ответить с цитатой  
 Заголовок сообщения: Re: Mod#087 - выбор трека пинами
СообщениеДобавлено: 02 мар 2016, 05:45 
Не в сети

Зарегистрирован: 01 мар 2016, 12:10
Сообщения: 10
Собрал на пакетной плате не работает на 15 ножке светодиод подсвечиваеться и звук замедлен при воспроизведении проверте пожалуйсто .


Вернуться к началу
 Профиль Отправить личное сообщение  
Ответить с цитатой  
 Заголовок сообщения: Re: Mod#087 - выбор трека пинами
СообщениеДобавлено: 02 мар 2016, 19:18 
Не в сети
Администратор
Аватара пользователя

Зарегистрирован: 15 май 2011, 23:00
Сообщения: 1904
Фьюзы правильно стоят?
Базовая прошивка работает нормально?


Вернуться к началу
 Профиль Отправить личное сообщение  
Ответить с цитатой  
 Заголовок сообщения: Re: Mod#087 - выбор трека пинами
СообщениеДобавлено: 02 мар 2016, 20:34 
Все верно с базовой прошивкой все работает отлично фьюзы поставил вроде правильно


Вернуться к началу
  
Ответить с цитатой  
 Заголовок сообщения: Re: Mod#087 - выбор трека пинами
СообщениеДобавлено: 02 мар 2016, 20:39 
может вы забыли на 15 выводе убрать в прошивке Monster кнопку


Вернуться к началу
  
Ответить с цитатой  
 Заголовок сообщения: Re: Mod#087 - выбор трека пинами
СообщениеДобавлено: 02 мар 2016, 22:28 
Не в сети
Администратор
Аватара пользователя

Зарегистрирован: 15 май 2011, 23:00
Сообщения: 1904
А как работает первый вариант из этого топика? SDC_Talking_select_pin.zip


Вернуться к началу
 Профиль Отправить личное сообщение  
Ответить с цитатой  
 Заголовок сообщения: Re: Mod#087 - выбор трека пинами
СообщениеДобавлено: 03 мар 2016, 16:58 
Первый раз побывал все работало как по схеме на включения усилитель 1 не было а скажите в какой программе вы правите ?


Вернуться к началу
  
Ответить с цитатой  
 Заголовок сообщения: Re: Mod#087 - выбор трека пинами
СообщениеДобавлено: 03 мар 2016, 20:14 
Не в сети
Администратор
Аватара пользователя

Зарегистрирован: 15 май 2011, 23:00
Сообщения: 1904
Программа написана в http://algrom.net/russian.html

Так что с первым вариантом прошивки?


Вернуться к началу
 Профиль Отправить личное сообщение  
Ответить с цитатой  
Показать сообщения за:  Поле сортировки  
Начать новую тему Ответить на тему  [ Сообщений: 30 ]  На страницу 1, 2, 3  След.

Часовой пояс: UTC + 3 часа [ Летнее время ]


Кто сейчас на конференции

Сейчас этот форум просматривают: нет зарегистрированных пользователей и гости: 4


Вы можете начинать темы
Вы можете отвечать на сообщения
Вы не можете редактировать свои сообщения
Вы не можете удалять свои сообщения
Вы не можете добавлять вложения

Найти:
Перейти:  
Powered by phpBB © 2000, 2002, 2005, 2007 phpBB Group
Русская поддержка phpBB