Перейти к блогу GetChip.net - блог        JilTE[1] - в разработке     Модификации устройств - модификации

 
Текущее время: 28 янв 2026, 12:31

Часовой пояс: UTC + 3 часа [ Летнее время ]



Начать новую тему Ответить на тему  [ Сообщений: 10 ] 
Автор Сообщение
 Заголовок сообщения: Микропроцессорное зажигание
СообщениеДобавлено: 24 дек 2015, 21:03 
Не в сети

Зарегистрирован: 21 дек 2011, 20:40
Сообщения: 43
Откуда: Московская обл.
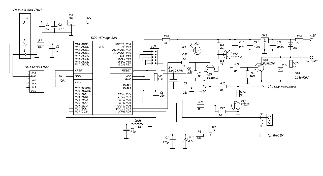
Всех приветствую, очень давно хотел научиться прогать микроконтроллеры, и эта работа самая первая из серъезных, написал пока что под Мегу 32, великоват кристалл по размерам, ищу что-то поменьше из серии Automotive. Итак программа ведет расчет оптимального угла опережения зажигания в зависимости от оборотов и нагрузки на ДВС. Нагрузку (разрежение) измеряет датчик абсолютного давления MPX4115AP, в качестве силового транзистора на первое время используется BU941ZPFI. Так же есть возможность менять время накопления энергии в катушке и вывод для тахометра. Программу писал для 8-цилиндрового двигателя с одной катушкой зажигания.
V8 Ignition v2.JPG
V8 Ignition v2.JPG [ 126.51 КБ | Просмотров: 37600 ]

v8_ignition_v2.0.rar [19.65 КБ]
Скачиваний: 2098


Последний раз редактировалось RockMANN 09 июн 2017, 00:38, всего редактировалось 5 раз(а).

Вернуться к началу
 Профиль Отправить личное сообщение  
Ответить с цитатой  
 Заголовок сообщения: Re: Микропроцессорное зажигание
СообщениеДобавлено: 24 дек 2015, 21:08 
Не в сети

Зарегистрирован: 21 дек 2011, 20:40
Сообщения: 43
Откуда: Московская обл.
----


Последний раз редактировалось RockMANN 08 июн 2017, 23:56, всего редактировалось 2 раз(а).

Вернуться к началу
 Профиль Отправить личное сообщение  
Ответить с цитатой  
 Заголовок сообщения: Re: Микропроцессорное зажигание
СообщениеДобавлено: 24 дек 2015, 23:57 
Не в сети

Зарегистрирован: 21 дек 2011, 20:40
Сообщения: 43
Откуда: Московская обл.
Ещё вопрос по моделям МК, которых нет в списке опций проекта AB? Как на них писать прогу? Придется в регистры периферии всё вручную забивать (настройщик отпадает)?


Вернуться к началу
 Профиль Отправить личное сообщение  
Ответить с цитатой  
 Заголовок сообщения: Re: Микропроцессорное зажигание
СообщениеДобавлено: 23 мар 2016, 22:32 
Не в сети

Зарегистрирован: 21 дек 2011, 20:40
Сообщения: 43
Откуда: Московская обл.
Помогите с тестированием прошивки, желательно на отладочной плате. Создал схему в протезусе, но там проявляются какие-то баги, хотя в симуляторе AB всё вроде работает.


Вернуться к началу
 Профиль Отправить личное сообщение  
Ответить с цитатой  
 Заголовок сообщения: Re: Микропроцессорное зажигание
СообщениеДобавлено: 24 мар 2016, 00:08 
Не в сети
Администратор
Аватара пользователя

Зарегистрирован: 15 май 2011, 23:00
Сообщения: 1904


Вернуться к началу
 Профиль Отправить личное сообщение  
Ответить с цитатой  
 Заголовок сообщения: Re: Микропроцессорное зажигание
СообщениеДобавлено: 17 май 2017, 01:01 
Не в сети

Зарегистрирован: 21 дек 2011, 20:40
Сообщения: 43
Откуда: Московская обл.
Немного подкорректировал программу, теперь есть возможность использовать датчик давления типа 45.3829, а также допиливаю возможность подключения ПК для корректировки углов зажигания через программу.


Вернуться к началу
 Профиль Отправить личное сообщение  
Ответить с цитатой  
 Заголовок сообщения: Re: Микропроцессорное зажигание
СообщениеДобавлено: 08 июн 2017, 18:22 
здравствуйте ну даже и не знаю...пишите посмотрите...протестируйте..
все ак то сумбурно вот...схема неполная...ну ладно...что бы тестировать желательно бы иметь исходник и там можно уЖе что увидеть (а у вас в зипе его не видно - если это коммерческая тайна то как тестировать сие а!?) ..далее и конечно же четкое понимание что вы все таки хотите и как это будет реализовано...из этого сразу выработаются определенные алгоритмы управления --> то что у вас должно быть в схеме...а вот там то и кроется много много нюансов...ни сколько не отговариваю Вас а наоборот настаиваю что бы вы смогли добиться результата...например посмотреть в интернете ..не стараюсь здесь рекламировать другие ресурсы...но их хватает народ этим ак и вы уже давно занимался и там есть очень очень много для вас полезного в том числе как программному и так аппаратному содержанию.


Вернуться к началу
  
Ответить с цитатой  
 Заголовок сообщения: Re: Микропроцессорное зажигание
СообщениеДобавлено: 09 июн 2017, 00:05 
Не в сети

Зарегистрирован: 21 дек 2011, 20:40
Сообщения: 43
Откуда: Московская обл.


Вернуться к началу
 Профиль Отправить личное сообщение  
Ответить с цитатой  
 Заголовок сообщения: Re: Микропроцессорное зажигание
СообщениеДобавлено: 12 июн 2017, 20:17 
Не в сети

Зарегистрирован: 31 янв 2013, 21:50
Сообщения: 3
сразу вопрос .. в какой среде вы пишете программку...мега32 - неплохо конечна, распространенность максимальная и это большой +...ни асм ни сишного кода нет в архиве...ну да ладна... датчик холл...8рашный...кто его будет перекрывать? наверху видел мотор 8 цилиндровый..(что за монстр такой?)...что за катушка будет?...на макс оборотах ей будет хватать времени для накопления?


Вернуться к началу
 Профиль Отправить личное сообщение  
Ответить с цитатой  
 Заголовок сообщения: Re: Микропроцессорное зажигание
СообщениеДобавлено: 12 июн 2017, 20:37 
Программа написана в среде Algorithm Builder


Вернуться к началу
  
Ответить с цитатой  
Показать сообщения за:  Поле сортировки  
Начать новую тему Ответить на тему  [ Сообщений: 10 ] 

Часовой пояс: UTC + 3 часа [ Летнее время ]


Кто сейчас на конференции

Сейчас этот форум просматривают: нет зарегистрированных пользователей и гости: 4


Вы не можете начинать темы
Вы можете отвечать на сообщения
Вы не можете редактировать свои сообщения
Вы не можете удалять свои сообщения
Вы не можете добавлять вложения

Найти:
Перейти:  
cron
Powered by phpBB © 2000, 2002, 2005, 2007 phpBB Group
Русская поддержка phpBB