Перейти к блогу GetChip.net - блог        JilTE[1] - в разработке     Модификации устройств - модификации

 
Текущее время: 10 фев 2026, 01:18

Часовой пояс: UTC + 3 часа [ Летнее время ]



Начать новую тему Ответить на тему  [ Сообщений: 948 ]  На страницу Пред.  1 ... 64, 65, 66, 67, 68, 69, 70 ... 95  След.
Автор Сообщение
 Заголовок сообщения: Re: Электронный сигнализатор поклевки
СообщениеДобавлено: 24 ноя 2018, 08:58 
Не в сети
Аватара пользователя

Зарегистрирован: 31 авг 2016, 20:34
Сообщения: 292
Откуда: CYBERSPACE


Вложения:
основной датчик.jpg
основной датчик.jpg [ 61.79 КБ | Просмотров: 13918 ]
обработка_.jpg
обработка_.jpg [ 31.21 КБ | Просмотров: 13918 ]
Вернуться к началу
 Профиль Отправить личное сообщение  
Ответить с цитатой  
 Заголовок сообщения: Re: Электронный сигнализатор поклевки
СообщениеДобавлено: 25 ноя 2018, 22:02 
Не в сети
Аватара пользователя

Зарегистрирован: 31 авг 2016, 20:34
Сообщения: 292
Откуда: CYBERSPACE
Довел потребление сигнализатора. Теперь с индикацией он потребляет 4 мкА вместо 60 мкА.
Перелопатил весь проект. Нашел где была зарыта собака.
Изменились все тайминги. Основной интервал вместо 10 секунд стал 8 секунд, индикация пропущенной поклевки 30 минут.
При отключении всех индикаций (пропущенной поклевки, работы) сигнализатор потребляет около 0,14 мкА.


Вернуться к началу
 Профиль Отправить личное сообщение  
Ответить с цитатой  
 Заголовок сообщения: Re: Электронный сигнализатор поклевки
СообщениеДобавлено: 27 ноя 2018, 00:59 
Не в сети

Зарегистрирован: 24 май 2016, 16:46
Сообщения: 218


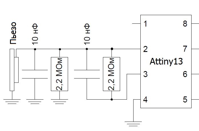
Вложения:
Схема.jpg
Схема.jpg [ 34.87 КБ | Просмотров: 13857 ]
Вернуться к началу
 Профиль Отправить личное сообщение  
Ответить с цитатой  
 Заголовок сообщения: Re: Электронный сигнализатор поклевки
СообщениеДобавлено: 28 ноя 2018, 07:57 
Не в сети
Аватара пользователя

Зарегистрирован: 31 авг 2016, 20:34
Сообщения: 292
Откуда: CYBERSPACE


Вернуться к началу
 Профиль Отправить личное сообщение  
Ответить с цитатой  
 Заголовок сообщения: Re: Электронный сигнализатор поклевки
СообщениеДобавлено: 28 ноя 2018, 21:23 
Не в сети

Зарегистрирован: 24 май 2016, 16:46
Сообщения: 218
Теперь нужно определится с элементом питания.
3.7В или 3В
3.7В (li-ion) - проблема найти мелкие аккумуляторы или дорогое их приобретение.
3В (CR2032) - для сигнализатора самое то, но для передатчика теряем в мощности.

rioi, возможно ли в те же профили сигнализатора добавить выбор применяемого источника питания для индикации напряжения?


Вернуться к началу
 Профиль Отправить личное сообщение  
Ответить с цитатой  
 Заголовок сообщения: Re: Электронный сигнализатор поклевки
СообщениеДобавлено: 28 ноя 2018, 21:35 
Не в сети
Аватара пользователя

Зарегистрирован: 31 авг 2016, 20:34
Сообщения: 292
Откуда: CYBERSPACE


Вернуться к началу
 Профиль Отправить личное сообщение  
Ответить с цитатой  
 Заголовок сообщения: Re: Электронный сигнализатор поклевки
СообщениеДобавлено: 28 ноя 2018, 21:50 
Не в сети

Зарегистрирован: 24 май 2016, 16:46
Сообщения: 218
Та, вроде как, уже и добавить нечего.
Единственное еще не решенный вопрос остался по автоотключению при подсечки.


Вернуться к началу
 Профиль Отправить личное сообщение  
Ответить с цитатой  
 Заголовок сообщения: Re: Электронный сигнализатор поклевки
СообщениеДобавлено: 28 ноя 2018, 21:57 
Не в сети
Аватара пользователя

Зарегистрирован: 31 авг 2016, 20:34
Сообщения: 292
Откуда: CYBERSPACE
Автоотключение.
Придется как всегда заниматься оптимизацией.
Есть на Алике вот такое чудо:
https://ru.aliexpress.com/wholesale?cat ... xt=LIR2032
Правда емкость маловата, но опять при тех же 4 мкА работать будет больше года...


Вернуться к началу
 Профиль Отправить личное сообщение  
Ответить с цитатой  
 Заголовок сообщения: Re: Электронный сигнализатор поклевки
СообщениеДобавлено: 28 ноя 2018, 22:11 
Не в сети

Зарегистрирован: 24 май 2016, 16:46
Сообщения: 218
Ай да китайцы!
Это уже интересно.


Вернуться к началу
 Профиль Отправить личное сообщение  
Ответить с цитатой  
 Заголовок сообщения: Re: Электронный сигнализатор поклевки
СообщениеДобавлено: 28 ноя 2018, 22:26 
Не в сети
Аватара пользователя

Зарегистрирован: 31 авг 2016, 20:34
Сообщения: 292
Откуда: CYBERSPACE
Есть еще разновидности SW-18015P:
SW-18010P FAST
https://ru.aliexpress.com/wholesale?Sea ... y&jump=afs
SW-18020P MEDIUM
https://ru.aliexpress.com/wholesale?Sea ... y&jump=afs
SW-18030P SLOW
https://ru.aliexpress.com/item/FREE-SHI ... 38683.html
Есть еще один вариант - сделать самому, чем раньше и занимался. Работали на ура и с очень хорошей чувствительностью.


Вернуться к началу
 Профиль Отправить личное сообщение  
Ответить с цитатой  
Показать сообщения за:  Поле сортировки  
Начать новую тему Ответить на тему  [ Сообщений: 948 ]  На страницу Пред.  1 ... 64, 65, 66, 67, 68, 69, 70 ... 95  След.

Часовой пояс: UTC + 3 часа [ Летнее время ]


Кто сейчас на конференции

Сейчас этот форум просматривают: нет зарегистрированных пользователей и гости: 6


Вы не можете начинать темы
Вы можете отвечать на сообщения
Вы не можете редактировать свои сообщения
Вы не можете удалять свои сообщения
Вы не можете добавлять вложения

Найти:
Перейти:  
cron
Powered by phpBB © 2000, 2002, 2005, 2007 phpBB Group
Русская поддержка phpBB