Перейти к блогу GetChip.net - блог        JilTE[1] - в разработке     Модификации устройств - модификации

 
Текущее время: 10 янв 2026, 07:31

Часовой пояс: UTC + 3 часа [ Летнее время ]



Начать новую тему Ответить на тему  [ Сообщений: 205 ]  На страницу Пред.  1 ... 15, 16, 17, 18, 19, 20, 21  След.
Автор Сообщение
 Заголовок сообщения: Re: Подключаем ТСМ 50М к контроллеру
СообщениеДобавлено: 21 май 2012, 17:18 
Не в сети
Аватара пользователя

Зарегистрирован: 29 май 2011, 17:59
Сообщения: 3769
Откуда: Россия


Вернуться к началу
 Профиль Отправить личное сообщение  
Ответить с цитатой  
 Заголовок сообщения: Re: Подключаем ТСМ 50М к контроллеру
СообщениеДобавлено: 21 май 2012, 19:55 
Делаю индикатор давления масла в автомобиле и индикатор уровня топлива в баке. Датчики резистивные (самые паршивые, как мне кажется). Мне кажется задача такая-же как и с ТСМ. Смысл такой-же, нужно пропускать через датчик стабильный ток и тогда, при I=const U прямо-пропорционально R. А с Даласами давно разобрался и часто использую. Из Вашей схемы на ОУ мне нужен генератор стабильного тока.


Вернуться к началу
  
Ответить с цитатой  
 Заголовок сообщения: Re: Подключаем ТСМ 50М к контроллеру
СообщениеДобавлено: 21 май 2012, 20:36 
Не в сети
Аватара пользователя

Зарегистрирован: 29 май 2011, 17:59
Сообщения: 3769
Откуда: Россия


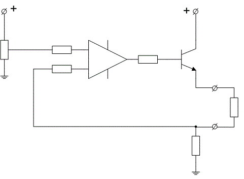
Вложения:
1.gif
1.gif [ 4.62 КБ | Просмотров: 13383 ]
Вернуться к началу
 Профиль Отправить личное сообщение  
Ответить с цитатой  
 Заголовок сообщения: Re: Подключаем ТСМ 50М к контроллеру
СообщениеДобавлено: 21 май 2012, 21:53 
А как ее увидеть? Я, кроме текста, ничего не вижу. А ,вообще, я на правильном пути?


Вернуться к началу
  
Ответить с цитатой  
 Заголовок сообщения: Re: Подключаем ТСМ 50М к контроллеру
СообщениеДобавлено: 21 май 2012, 23:36 
Не в сети

Зарегистрирован: 20 май 2011, 23:58
Сообщения: 545

_________________
Чтобы получить правильные ответы, надо задавать правильные вопросы!


Вернуться к началу
 Профиль Отправить личное сообщение  
Ответить с цитатой  
 Заголовок сообщения: Re: Подключаем ТСМ 50М к контроллеру
СообщениеДобавлено: 22 май 2012, 20:35 
Не в сети
Аватара пользователя

Зарегистрирован: 29 май 2011, 17:59
Сообщения: 3769
Откуда: Россия


Вернуться к началу
 Профиль Отправить личное сообщение  
Ответить с цитатой  
 Заголовок сообщения: Re: Подключаем ТСМ 50М к контроллеру
СообщениеДобавлено: 22 май 2012, 20:38 
Не в сети
Аватара пользователя

Зарегистрирован: 29 май 2011, 17:59
Сообщения: 3769
Откуда: Россия


Вернуться к началу
 Профиль Отправить личное сообщение  
Ответить с цитатой  
 Заголовок сообщения: Re: Подключаем ТСМ 50М к контроллеру
СообщениеДобавлено: 22 май 2012, 22:26 
Я так и делал. Только опорное напряжение для операционника было на TL431, сигнал с резистора шел сначала на неинвертирующий усилитель, потом на повторитель напряжения, потом через RC фильтр (R=220 Ом, С=10 мк) на tiny26. Операционники - LM358. Питание - однополярное. Вместо резистора включал магазин сопротиивлений (кл. 0,02). Показания прыгают. Может дело в однополярном питании ? Сегодня знакомый сказал, что операционники непонятно как себя ведут при однополярном питании.


Вернуться к началу
  
Ответить с цитатой  
 Заголовок сообщения: Re: Подключаем ТСМ 50М к контроллеру
СообщениеДобавлено: 23 май 2012, 19:16 
Не в сети

Зарегистрирован: 20 май 2011, 23:58
Сообщения: 545

_________________
Чтобы получить правильные ответы, надо задавать правильные вопросы!


Вернуться к началу
 Профиль Отправить личное сообщение  
Ответить с цитатой  
 Заголовок сообщения: Re: Подключаем ТСМ 50М к контроллеру
СообщениеДобавлено: 23 май 2012, 22:10 
Не в сети

Зарегистрирован: 23 май 2012, 22:07
Сообщения: 38
Сегодня сделал такое ...


Вложения:
Фото002.jpg
Фото002.jpg [ 78.24 КБ | Просмотров: 13343 ]
Вернуться к началу
 Профиль Отправить личное сообщение  
Ответить с цитатой  
Показать сообщения за:  Поле сортировки  
Начать новую тему Ответить на тему  [ Сообщений: 205 ]  На страницу Пред.  1 ... 15, 16, 17, 18, 19, 20, 21  След.

Часовой пояс: UTC + 3 часа [ Летнее время ]


Кто сейчас на конференции

Сейчас этот форум просматривают: нет зарегистрированных пользователей и гости: 10


Вы можете начинать темы
Вы можете отвечать на сообщения
Вы не можете редактировать свои сообщения
Вы не можете удалять свои сообщения
Вы не можете добавлять вложения

Найти:
Перейти:  
cron
Powered by phpBB © 2000, 2002, 2005, 2007 phpBB Group
Русская поддержка phpBB