Перейти к блогу GetChip.net - блог        JilTE[1] - в разработке     Модификации устройств - модификации

 
Текущее время: 28 мар 2026, 11:23

Часовой пояс: UTC + 3 часа [ Летнее время ]



Начать новую тему Ответить на тему  [ Сообщений: 51 ]  На страницу Пред.  1, 2, 3, 4, 5, 6  След.
Автор Сообщение
 Заголовок сообщения: Re: 3-х канальный сенсорный выключатель на AtTiny13
СообщениеДобавлено: 18 фев 2016, 14:08 
Не в сети
Аватара пользователя

Зарегистрирован: 29 май 2011, 17:59
Сообщения: 3769
Откуда: Россия


Вернуться к началу
 Профиль Отправить личное сообщение  
Ответить с цитатой  
 Заголовок сообщения: Re: 3-х канальный сенсорный выключатель на AtTiny13
СообщениеДобавлено: 18 фев 2016, 19:15 
Не в сети
Аватара пользователя

Зарегистрирован: 23 фев 2015, 22:08
Сообщения: 119
Может уже стоит самому начать программировать? Увлекательное данное направление… открывающее для себя большие возможности. ;)[/quote]

Научится программировать я очень хочу, только как всегда напряг со временем. Но не смотря на это, всёравно займусь. То, что увлекательно, это точно! :OK:


Вернуться к началу
 Профиль Отправить личное сообщение  
Ответить с цитатой  
 Заголовок сообщения: Re: 3-х канальный сенсорный выключатель на AtTiny13
СообщениеДобавлено: 18 фев 2016, 19:20 
Не в сети
Аватара пользователя

Зарегистрирован: 29 май 2011, 17:59
Сообщения: 3769
Откуда: Россия
Как соберёшься - обращайся! Правда я и сам ещё учусь… :-)


Вернуться к началу
 Профиль Отправить личное сообщение  
Ответить с цитатой  
 Заголовок сообщения: Re: 3-х канальный сенсорный выключатель на AtTiny13
СообщениеДобавлено: 18 фев 2016, 19:43 
Не в сети
Аватара пользователя

Зарегистрирован: 23 фев 2015, 22:08
Сообщения: 119
Ок ;)


Вернуться к началу
 Профиль Отправить личное сообщение  
Ответить с цитатой  
 Заголовок сообщения: Re: 3-х канальный сенсорный выключатель на AtTiny13
СообщениеДобавлено: 18 фев 2016, 20:31 
Не в сети
Аватара пользователя

Зарегистрирован: 16 сен 2014, 20:07
Сообщения: 16
Откуда: Бульбяшия
SVN, научиться программировать конечно это прекрасно... особенно когда молод и голова не забита бытовухой и проблемами на работе. Например моё обучение программированию закончилось 22 года назад на уровне паскаля7-8. Потом работа, жена, дети а сейчас уже и внук...и в итоге я смирился что не могу успеть везде. Возможно время появится на пенсии... лол. Поэтому и приходится обращаться за помощью к людям вроде вас, которые достигли определённых успехов в области программирования. Данный проект меня тоже интересует и если вы выделите время на его модернизацию будет очень здорово.

_________________
in vino veritas


Вернуться к началу
 Профиль Отправить личное сообщение  
Ответить с цитатой  
 Заголовок сообщения: Re: 3-х канальный сенсорный выключатель на AtTiny13
СообщениеДобавлено: 18 фев 2016, 21:08 
Не в сети
Аватара пользователя

Зарегистрирован: 29 май 2011, 17:59
Сообщения: 3769
Откуда: Россия
Я понимаю, что всего не успеть… я ведь и сам, из-за нехватки времени, начал изучать программирование очень поздно – незадолго перед пенсией. Теперь вот сожалею только о том, что поздновато начал.

Хорошо парни, постараюсь найти время. Если долго буду молчать по этому поводу – напомните здесь. А то вдруг закручусь и забуду. :mrgreen:


Вернуться к началу
 Профиль Отправить личное сообщение  
Ответить с цитатой  
 Заголовок сообщения: Re: 3-х канальный сенсорный выключатель на AtTiny13
СообщениеДобавлено: 21 фев 2016, 00:49 
Не в сети
Аватара пользователя

Зарегистрирован: 29 май 2011, 17:59
Сообщения: 3769
Откуда: Россия
Нашёл пробную программу данного устройства… :-) почему не допилил до конца, так и не могу вспомнить… похоже не сделал сами сенсоры, так как их нет. Дело за малым… как-то необходимо собраться и изготовить сенсоры для тестов. 8-)


Вернуться к началу
 Профиль Отправить личное сообщение  
Ответить с цитатой  
 Заголовок сообщения: Re: 3-х канальный сенсорный выключатель на AtTiny13
СообщениеДобавлено: 21 фев 2016, 00:53 
Не в сети
Аватара пользователя

Зарегистрирован: 23 фев 2015, 22:08
Сообщения: 119
Эт хорошо :lol:


Вернуться к началу
 Профиль Отправить личное сообщение  
Ответить с цитатой  
 Заголовок сообщения: Re: 3-х канальный сенсорный выключатель на AtTiny13
СообщениеДобавлено: 21 фев 2016, 01:14 
Не в сети
Аватара пользователя

Зарегистрирован: 29 май 2011, 17:59
Сообщения: 3769
Откуда: Россия
Это с одной стороны хорошо, а с другой, ещё не сезон для изготовления ПП. Так как делаю ПП на даче. :bumbed:


Вернуться к началу
 Профиль Отправить личное сообщение  
Ответить с цитатой  
 Заголовок сообщения: Re: 3-х канальный сенсорный выключатель на AtTiny13
СообщениеДобавлено: 21 фев 2016, 11:15 
Не в сети
Аватара пользователя

Зарегистрирован: 29 май 2011, 17:59
Сообщения: 3769
Откуда: Россия
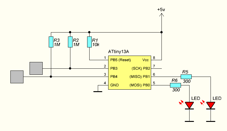
Бегло посмотрел код… вроде должен работать… данная прошивка тестовый вариант 2 канала. Сам пока проверить не могу по вышеизложенным причинам.
Фьюзы 9,6 МГц от внутреннего генератора:
2.png
2.png [ 20.67 КБ | Просмотров: 13886 ]

1.png
1.png [ 12.54 КБ | Просмотров: 13886 ]



Необходимо протестировать и отписать…


Последний раз редактировалось SVN 23 фев 2016, 21:45, всего редактировалось 1 раз.

Вернуться к началу
 Профиль Отправить личное сообщение  
Ответить с цитатой  
Показать сообщения за:  Поле сортировки  
Начать новую тему Ответить на тему  [ Сообщений: 51 ]  На страницу Пред.  1, 2, 3, 4, 5, 6  След.

Часовой пояс: UTC + 3 часа [ Летнее время ]


Кто сейчас на конференции

Сейчас этот форум просматривают: нет зарегистрированных пользователей и гости: 10


Вы можете начинать темы
Вы можете отвечать на сообщения
Вы не можете редактировать свои сообщения
Вы не можете удалять свои сообщения
Вы не можете добавлять вложения

Найти:
Перейти:  
cron
Powered by phpBB © 2000, 2002, 2005, 2007 phpBB Group
Русская поддержка phpBB