Перейти к блогу GetChip.net - блог        JilTE[1] - в разработке     Модификации устройств - модификации

 
Текущее время: 15 дек 2025, 06:49

Часовой пояс: UTC + 3 часа [ Летнее время ]



Начать новую тему Ответить на тему  [ Сообщений: 965 ]  На страницу Пред.  1 ... 8, 9, 10, 11, 12, 13, 14 ... 97  След.
Автор Сообщение
 Заголовок сообщения: Re: Разработка устройства управления электрокотлом (Рубин 03
СообщениеДобавлено: 10 ноя 2015, 13:45 
Не в сети

Зарегистрирован: 03 ноя 2015, 09:38
Сообщения: 870
разработчик ты тебе и карты в руки. Я про 328 как пример написал. думаю 32 не проблема купить


Вернуться к началу
 Профиль Отправить личное сообщение  
Ответить с цитатой  
 Заголовок сообщения: Re: Разработка устройства управления электрокотлом (Рубин 03
СообщениеДобавлено: 10 ноя 2015, 13:52 
Не в сети
Аватара пользователя

Зарегистрирован: 29 май 2011, 17:59
Сообщения: 3769
Откуда: Россия
Ок, переходим на неё… больше ног – меньше заморочки… а стоит он, немного даже дешевле.


Вернуться к началу
 Профиль Отправить личное сообщение  
Ответить с цитатой  
 Заголовок сообщения: Re: Разработка устройства управления электрокотлом (Рубин 03
СообщениеДобавлено: 10 ноя 2015, 13:59 
Не в сети
Аватара пользователя

Зарегистрирован: 29 май 2011, 17:59
Сообщения: 3769
Откуда: Россия
В каком корпусе будешь использовать?


Вернуться к началу
 Профиль Отправить личное сообщение  
Ответить с цитатой  
 Заголовок сообщения: Re: Разработка устройства управления электрокотлом (Рубин 03
СообщениеДобавлено: 10 ноя 2015, 14:12 
Не в сети

Зарегистрирован: 03 ноя 2015, 09:38
Сообщения: 870
я по старинке предпочитаю DIP. соответственно и планарные компоненты. но по не многу использую SMD


Вернуться к началу
 Профиль Отправить личное сообщение  
Ответить с цитатой  
 Заголовок сообщения: Re: Разработка устройства управления электрокотлом (Рубин 03
СообщениеДобавлено: 10 ноя 2015, 15:27 
Не в сети
Аватара пользователя

Зарегистрирован: 29 май 2011, 17:59
Сообщения: 3769
Откуда: Россия
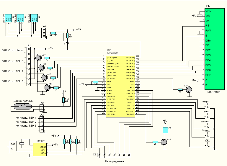
1.png
1.png [ 41.29 КБ | Просмотров: 9719 ]


Вернуться к началу
 Профиль Отправить личное сообщение  
Ответить с цитатой  
 Заголовок сообщения: Re: Разработка устройства управления электрокотлом (Рубин 03
СообщениеДобавлено: 10 ноя 2015, 15:33 
Не в сети

Зарегистрирован: 03 ноя 2015, 09:38
Сообщения: 870
Вот так слегка покурив даташит. Молодец!!!

X5 это типа расширение на будущее?
А схема управления подсветкой?


Вернуться к началу
 Профиль Отправить личное сообщение  
Ответить с цитатой  
 Заголовок сообщения: Re: Разработка устройства управления электрокотлом (Рубин 03
СообщениеДобавлено: 10 ноя 2015, 15:37 
Не в сети
Аватара пользователя

Зарегистрирован: 29 май 2011, 17:59
Сообщения: 3769
Откуда: Россия
Можно и так сказать. Вдруг чего ещё придёт в голову… :-)

Кстати, зуммер теперь можно любой (без генератора).


Вернуться к началу
 Профиль Отправить личное сообщение  
Ответить с цитатой  
 Заголовок сообщения: Re: Разработка устройства управления электрокотлом (Рубин 03
СообщениеДобавлено: 10 ноя 2015, 15:41 
Не в сети

Зарегистрирован: 03 ноя 2015, 09:38
Сообщения: 870
SVN по поводу контроля включения тэнов обещал схемку.


Вернуться к началу
 Профиль Отправить личное сообщение  
Ответить с цитатой  
 Заголовок сообщения: Re: Разработка устройства управления электрокотлом (Рубин 03
СообщениеДобавлено: 10 ноя 2015, 15:43 
Не в сети
Аватара пользователя

Зарегистрирован: 29 май 2011, 17:59
Сообщения: 3769
Откуда: Россия
Дык ты молчишь… я подумал, что не надо, сам разработаешь… нарисую. :-)


Вернуться к началу
 Профиль Отправить личное сообщение  
Ответить с цитатой  
 Заголовок сообщения: Re: Разработка устройства управления электрокотлом (Рубин 03
СообщениеДобавлено: 10 ноя 2015, 15:55 
Не в сети

Зарегистрирован: 03 ноя 2015, 09:38
Сообщения: 870
Я не силен в этой области совсем. Не тороплю события. Ты еще про автовключение подсветки говорил. как это сопрягаться с нашей схемой будет?

Вот чего я навоял.


Вложения:
084.pdf [19.74 КБ]
Скачиваний: 651
Вернуться к началу
 Профиль Отправить личное сообщение  
Ответить с цитатой  
Показать сообщения за:  Поле сортировки  
Начать новую тему Ответить на тему  [ Сообщений: 965 ]  На страницу Пред.  1 ... 8, 9, 10, 11, 12, 13, 14 ... 97  След.

Часовой пояс: UTC + 3 часа [ Летнее время ]


Кто сейчас на конференции

Сейчас этот форум просматривают: нет зарегистрированных пользователей и гости: 12


Вы можете начинать темы
Вы можете отвечать на сообщения
Вы не можете редактировать свои сообщения
Вы не можете удалять свои сообщения
Вы не можете добавлять вложения

Найти:
Перейти:  
cron
Powered by phpBB © 2000, 2002, 2005, 2007 phpBB Group
Русская поддержка phpBB