Перейти к блогу GetChip.net - блог        JilTE[1] - в разработке     Модификации устройств - модификации

 
Текущее время: 28 окт 2025, 22:19

Часовой пояс: UTC + 3 часа [ Летнее время ]



Начать новую тему Ответить на тему  [ Сообщений: 965 ]  На страницу Пред.  1 ... 11, 12, 13, 14, 15, 16, 17 ... 97  След.
Автор Сообщение
 Заголовок сообщения: Re: Разработка устройства управления электрокотлом (Рубин 03
СообщениеДобавлено: 11 ноя 2015, 11:44 
Не в сети
Аватара пользователя

Зарегистрирован: 29 май 2011, 17:59
Сообщения: 3769
Откуда: Россия
Ещё на схеме не хватает подстроечника для установки контрастности дисплея (у разных дисплеев, схема разная) – не забудь установить согласно даташиту.


Вернуться к началу
 Профиль Отправить личное сообщение  
Ответить с цитатой  
 Заголовок сообщения: Re: Разработка устройства управления электрокотлом (Рубин 03
СообщениеДобавлено: 11 ноя 2015, 11:46 
Не в сети

Зарегистрирован: 03 ноя 2015, 09:38
Сообщения: 870
спасибо буду воять потихоньку


Вернуться к началу
 Профиль Отправить личное сообщение  
Ответить с цитатой  
 Заголовок сообщения: Re: Разработка устройства управления электрокотлом (Рубин 03
СообщениеДобавлено: 11 ноя 2015, 11:55 
Не в сети
Аватара пользователя

Зарегистрирован: 29 май 2011, 17:59
Сообщения: 3769
Откуда: Россия
Ещё, если будешь ставить индикатор МЕЛТ, то ограничивающий резистор подсветки экрана, там уже стоит. Подключаешь как по схеме. А если другой фирмы, то там уже надо смотреть. Вот у WH резистора нет, его нужно ставить самому.


Вернуться к началу
 Профиль Отправить личное сообщение  
Ответить с цитатой  
 Заголовок сообщения: Re: Разработка устройства управления электрокотлом (Рубин 03
СообщениеДобавлено: 11 ноя 2015, 14:52 
Не в сети

Зарегистрирован: 03 ноя 2015, 09:38
Сообщения: 870
согласен. попробую имеющийся оживить с отрицательным управлением яркостью. не получится тогда уже буду думать о приобретении нового.


Вернуться к началу
 Профиль Отправить личное сообщение  
Ответить с цитатой  
 Заголовок сообщения: Re: Разработка устройства управления электрокотлом (Рубин 03
СообщениеДобавлено: 11 ноя 2015, 15:25 
Не в сети

Зарегистрирован: 03 ноя 2015, 09:38
Сообщения: 870
SVN подскажи 16 и 32 идентичны? Разница тока в объеме памяти?


Вернуться к началу
 Профиль Отправить личное сообщение  
Ответить с цитатой  
 Заголовок сообщения: Re: Разработка устройства управления электрокотлом (Рубин 03
СообщениеДобавлено: 11 ноя 2015, 16:10 
Не в сети
Аватара пользователя

Зарегистрирован: 29 май 2011, 17:59
Сообщения: 3769
Откуда: Россия


Вернуться к началу
 Профиль Отправить личное сообщение  
Ответить с цитатой  
 Заголовок сообщения: Re: Разработка устройства управления электрокотлом (Рубин 03
СообщениеДобавлено: 11 ноя 2015, 16:28 
Не в сети
Аватара пользователя

Зарегистрирован: 29 май 2011, 17:59
Сообщения: 3769
Откуда: Россия
Не прошло и недели, а тема стала популярной, судя по просмотрам. Не ожидал… может потому что зима на носу.

А делится интересными идеями, так походу ни кто кроме как als9, не собирается… ну-ну, значит прошивку получит только styxbbc


Вернуться к началу
 Профиль Отправить личное сообщение  
Ответить с цитатой  
 Заголовок сообщения: Re: Разработка устройства управления электрокотлом (Рубин 03
СообщениеДобавлено: 11 ноя 2015, 19:27 
Не в сети
Аватара пользователя

Зарегистрирован: 29 май 2011, 17:59
Сообщения: 3769
Откуда: Россия
styxbbc, для ознакомления… Вот пока тезисно, на бумаге, пишу будущий алгоритм, дабы чего-то не забыть. Может ты чего подскажешь, вдруг я чего-то упустил…

Алгоритм:
Запуск программы устройства.

• Пуск.
• Указатель адреса стека.
• Настройка портов МК.
• Инициализация дисплея.
• Очистка SRAM и рабочих регистров.
• Проверка значений EEPROM и запись значений по умолчанию при необходимости.
• Настройка внутренней периферии.
• Проверка датчиков температуры.
• Проверка работы часов. При необходимости произвести первоначальную настройку и произвести запуск часов.

Начало основного алгоритма.
Проверка нажатия кнопок.
Проверка внешних периферийных устройств системы:
• Проверка датчиков температуры.
• Проверка работы часов.
• Проверка готовности ТЭН_ов к работе.
• Проверка значения наружного воздуха.
Проверка статуса режима.
• Выбор алгоритма работы согласно выбранному режиму.

Режим «Погодный».
• Выбор уставки теплоносителя по значению наружного воздуха.
• Коррекция уставки теплоносителя с установленным гистерезисом (уставка на включение).
• Проверка значения температуры на выходе (Подача).
• Проверка выхода управления насосом. При необходимости произвести включение насоса.
• Проверка датчика протока.
• Включение/отключение тэна (ов), в зависимости от наружной температуры и наработки по времени. А так же по адаптивному алгоритму.
• Слежение за наработкой времени работающих ТЭНов.
• Отслеживание времени нагрева/остывания.
• Накапливать информацию по данному режиму.

Режим «Экономичный».
• Выбор уставки теплоносителя по заданному значению.
• Коррекция уставки теплоносителя с установленным гистерезисом (уставка на включение).
• Проверка значения температуры на выходе (Подача).
• Проверка выхода управления насосом. При необходимости произвести включение насоса.
• Проверка датчика протока.
• Включение/отключение тэна (ов), в зависимости от наработки по времени. А так же по адаптивному алгоритму.
• Слежение за наработкой времени работающих ТЭНов.
• Отслеживание времени нагрева/остывания.
• Накапливать информацию по данному режиму.

Режим «Местный».
• Выбор уставки теплоносителя по заданному значению.
• Коррекция уставки теплоносителя с установленным гистерезисом (уставка на включение).
• Проверка значения температуры на выходе (Подача).
• Проверка выхода управления насосом. При необходимости произвести включение насоса.
• Проверка датчика протока.
• Включение/отключение тэна (ов), в зависимости от наработки по времени. А так же по адаптивному алгоритму.
• Слежение за наработкой времени работающих ТЭНов.
• Отслеживание времени нагрева/остывания.
• Накапливать информацию по данному режиму.

Режим «Аварийный».
• Подача звукового сигнала.
• Определение неисправного элемента системы.
• Выбор режима работы в зависимости от неисправности.
Неисправность насоса.
• Отключить ТЭН (ы).
• Вывод значка неисправности насоса на дисплей.
Неисправность датчика протока.
• Производить контроль по датчику температуры «ПОДАЧА» (если датчик исправен).
• Вывод значка неисправности датчика на дисплей.
Неисправность тэна №1.
• Отключит ТЭН 1.
• Исключить ТЭН 1 из последующих алгоритмов.
• Вывод значка неисправности ТЭН 1 на дисплей.
• Включить другой исправный ТЭН при необходимости.
Неисправность тэна №2.
• Отключит ТЭН 2.
• Исключить ТЭН 2 из последующих алгоритмов
• Вывод значка неисправности ТЭН 2 на дисплей.
• Включить другой исправный ТЭН при необходимости.
Неисправность тэна №3.
• Отключит ТЭН 3.
• Исключить ТЭН 3 из последующих алгоритмов
• Вывод значка неисправности ТЭН 3 на дисплей.
• Включить другой исправный ТЭН при необходимости.
Неисправность датчика «ПОДАЧА».
• Производить контроль по датчику температуры «ОБРАТКА» (если датчик исправен и накоплена необходимая информация).
• Вывод информации неисправности датчика на дисплей.
Неисправность датчика «ОБРАТКА».
• Вывод информации неисправности датчика на дисплей.
Неисправность датчика «Наружный воздух».
• «Заморозить» последнее измеренное значение.
• Производить контроль наружного воздуха по адаптивному алгоритму (если накоплена данная информация).
• Вывод информации неисправности датчика на дисплей.
Неисправность часов.
• Отключить режим «Экономный» (если он был включен).
• Перейти или оставаться на режиме «Погодный» (если нет других неисправностей).
• Вывод информации неисправности на дисплей.


Последний раз редактировалось SVN 12 ноя 2015, 10:16, всего редактировалось 2 раз(а).

Вернуться к началу
 Профиль Отправить личное сообщение  
Ответить с цитатой  
 Заголовок сообщения: Re: Разработка устройства управления электрокотлом (Рубин 03
СообщениеДобавлено: 11 ноя 2015, 21:09 
Не в сети
Аватара пользователя

Зарегистрирован: 29 май 2011, 17:59
Сообщения: 3769
Откуда: Россия


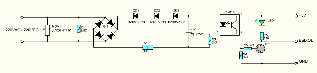
Вложения:
CMM.zip [3.95 КБ]
Скачиваний: 481
1.png
1.png [ 13.66 КБ | Просмотров: 8193 ]
Вернуться к началу
 Профиль Отправить личное сообщение  
Ответить с цитатой  
 Заголовок сообщения: Re: Разработка устройства управления электрокотлом (Рубин 03
СообщениеДобавлено: 12 ноя 2015, 07:11 
Не в сети

Зарегистрирован: 03 ноя 2015, 09:38
Сообщения: 870
День добрый

SVN ну ты и ГОЛОВА!

Что касательно вопросов:
1 конкретной какой то температуры нет, включаю по факту так сказать. Могу и при плюс 10 включить когда дожди но в среднем +5 уже подтапливаю но с отключениями.
2 Датчика протока к сожалению нет пока не прикупил. На этот сезон не планировал переделку системы. Попробую найти характеристики и дам знать.
Вот что нашел
Датчик включает насос при появлении расхода воды 1,5 л/мин и отключает его при уменьшении протока ниже 1,5 л/мин.

Все остальное я изучу и дам знать.


Вернуться к началу
 Профиль Отправить личное сообщение  
Ответить с цитатой  
Показать сообщения за:  Поле сортировки  
Начать новую тему Ответить на тему  [ Сообщений: 965 ]  На страницу Пред.  1 ... 11, 12, 13, 14, 15, 16, 17 ... 97  След.

Часовой пояс: UTC + 3 часа [ Летнее время ]


Кто сейчас на конференции

Сейчас этот форум просматривают: нет зарегистрированных пользователей и гости: 28


Вы можете начинать темы
Вы можете отвечать на сообщения
Вы не можете редактировать свои сообщения
Вы не можете удалять свои сообщения
Вы не можете добавлять вложения

Найти:
Перейти:  
cron
Powered by phpBB © 2000, 2002, 2005, 2007 phpBB Group
Русская поддержка phpBB