Перейти к блогу GetChip.net - блог        JilTE[1] - в разработке     Модификации устройств - модификации

 
Текущее время: 23 янв 2026, 18:41

Часовой пояс: UTC + 3 часа [ Летнее время ]



Начать новую тему Ответить на тему  [ Сообщений: 522 ]  На страницу Пред.  1 ... 44, 45, 46, 47, 48, 49, 50 ... 53  След.
Автор Сообщение
 Заголовок сообщения: Re: автоматика полива огорода
СообщениеДобавлено: 01 июн 2017, 11:26 
Не в сети
Аватара пользователя

Зарегистрирован: 29 май 2011, 17:59
Сообщения: 3769
Откуда: Россия


Вернуться к началу
 Профиль Отправить личное сообщение  
Ответить с цитатой  
 Заголовок сообщения: Re: автоматика полива огорода
СообщениеДобавлено: 01 июн 2017, 12:43 
Не в сети

Зарегистрирован: 14 мар 2012, 22:49
Сообщения: 91


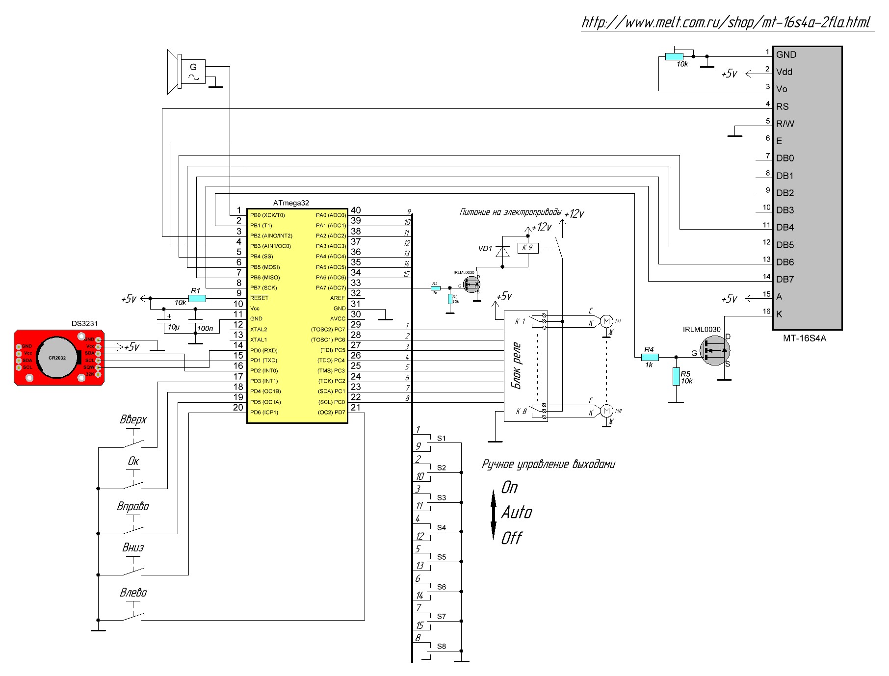
Вложения:
Схема таймера полива.JPG
Схема таймера полива.JPG [ 250.35 КБ | Просмотров: 13102 ]


Последний раз редактировалось VSA 02 июн 2017, 00:01, всего редактировалось 2 раз(а).
Вернуться к началу
 Профиль Отправить личное сообщение  
Ответить с цитатой  
 Заголовок сообщения: Re: автоматика полива огорода
СообщениеДобавлено: 01 июн 2017, 12:57 
Не в сети

Зарегистрирован: 03 ноя 2015, 09:38
Сообщения: 870
VSA

дай пояснения работы схемы.
Ручное автоматическое управление так же узел подачи питания на выходную часть блока рэле.
В общем все твои доработки, переделки.
Да и что касается программы она протестирована? Работает нормально?
Укажи в описании какой блок рэле ты используешь. что бы все было в одном месте для удобства.


Вернуться к началу
 Профиль Отправить личное сообщение  
Ответить с цитатой  
 Заголовок сообщения: Re: автоматика полива огорода
СообщениеДобавлено: 01 июн 2017, 13:45 
Не в сети

Зарегистрирован: 14 мар 2012, 22:49
Сообщения: 91


Вернуться к началу
 Профиль Отправить личное сообщение  
Ответить с цитатой  
 Заголовок сообщения: Re: автоматика полива огорода
СообщениеДобавлено: 01 июн 2017, 15:31 
Не в сети
Аватара пользователя

Зарегистрирован: 29 май 2011, 17:59
Сообщения: 3769
Откуда: Россия


Вложения:
Programmable timer ATtmega32.zip [71.89 КБ]
Скачиваний: 778
Вернуться к началу
 Профиль Отправить личное сообщение  
Ответить с цитатой  
 Заголовок сообщения: Re: автоматика полива огорода
СообщениеДобавлено: 01 июн 2017, 16:03 
Не в сети

Зарегистрирован: 14 мар 2012, 22:49
Сообщения: 91
Спасибо, проверю в железе, отпишусь.


Вернуться к началу
 Профиль Отправить личное сообщение  
Ответить с цитатой  
 Заголовок сообщения: Re: автоматика полива огорода
СообщениеДобавлено: 01 июн 2017, 23:57 
Не в сети

Зарегистрирован: 14 мар 2012, 22:49
Сообщения: 91
Вот теперь то что надо. Я прошу удалить с 30-й страницы неработающую версию, чтобы не вводить в заблуждение посетителей.


Вернуться к началу
 Профиль Отправить личное сообщение  
Ответить с цитатой  
 Заголовок сообщения: Re: автоматика полива огорода
СообщениеДобавлено: 02 июн 2017, 17:44 
Не в сети
Аватара пользователя

Зарегистрирован: 29 май 2011, 17:59
Сообщения: 3769
Откуда: Россия


Вернуться к началу
 Профиль Отправить личное сообщение  
Ответить с цитатой  
 Заголовок сообщения: Re: автоматика полива огорода
СообщениеДобавлено: 03 июн 2017, 01:54 
Не в сети

Зарегистрирован: 14 мар 2012, 22:49
Сообщения: 91
Странно, но действительно заработала. Скорее всего камень мозг выносил, последнее время он через раз прошивался. Поменял на другой и все пошло.
В подпрограммы добавлял условия и команды и на самом деле не заметил, что переходы полезли на другие поля, очень уж они длинные, на экран не помещаются. Учту на будущее.


Вернуться к началу
 Профиль Отправить личное сообщение  
Ответить с цитатой  
 Заголовок сообщения: Re: автоматика полива огорода
СообщениеДобавлено: 06 июн 2017, 10:47 
Не в сети

Зарегистрирован: 03 ноя 2015, 09:38
Сообщения: 870
VSA доброго дня.

Как успехи?


Вернуться к началу
 Профиль Отправить личное сообщение  
Ответить с цитатой  
Показать сообщения за:  Поле сортировки  
Начать новую тему Ответить на тему  [ Сообщений: 522 ]  На страницу Пред.  1 ... 44, 45, 46, 47, 48, 49, 50 ... 53  След.

Часовой пояс: UTC + 3 часа [ Летнее время ]


Кто сейчас на конференции

Сейчас этот форум просматривают: нет зарегистрированных пользователей и гости: 4


Вы можете начинать темы
Вы можете отвечать на сообщения
Вы не можете редактировать свои сообщения
Вы не можете удалять свои сообщения
Вы не можете добавлять вложения

Найти:
Перейти:  
cron
Powered by phpBB © 2000, 2002, 2005, 2007 phpBB Group
Русская поддержка phpBB