Перейти к блогу GetChip.net - блог        JilTE[1] - в разработке     Модификации устройств - модификации

 
Текущее время: 19 мар 2026, 21:06

Часовой пояс: UTC + 3 часа [ Летнее время ]



Начать новую тему Ответить на тему  [ Сообщений: 666 ]  На страницу Пред.  1 ... 51, 52, 53, 54, 55, 56, 57 ... 67  След.
Автор Сообщение
 Заголовок сообщения: Re: LED подсветка лестницы или коридора в доме
СообщениеДобавлено: 16 май 2014, 09:09 


Вернуться к началу
  
Ответить с цитатой  
 Заголовок сообщения: Re: LED подсветка лестницы или коридора в доме
СообщениеДобавлено: 16 май 2014, 17:54 
Не в сети
Аватара пользователя

Зарегистрирован: 29 май 2011, 17:59
Сообщения: 3769
Откуда: Россия


Вложения:
ATtmega168_V2.hex [8.45 КБ]
Скачиваний: 972
Вернуться к началу
 Профиль Отправить личное сообщение  
Ответить с цитатой  
 Заголовок сообщения: Re: LED подсветка лестницы или коридора в доме
СообщениеДобавлено: 17 май 2014, 01:09 


Вернуться к началу
  
Ответить с цитатой  
 Заголовок сообщения: Re: LED подсветка лестницы или коридора в доме
СообщениеДобавлено: 17 май 2014, 08:21 
Не в сети
Аватара пользователя

Зарегистрирован: 29 май 2011, 17:59
Сообщения: 3769
Откуда: Россия
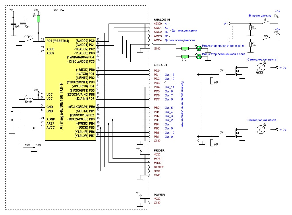
Данная прошивка для схемы 14+1. Если ни чего не перепутано – всё должно работать.
105-scheme_14.jpg
105-scheme_14.jpg [ 137.52 КБ | Просмотров: 13638 ]


Вернуться к началу
 Профиль Отправить личное сообщение  
Ответить с цитатой  
 Заголовок сообщения: Re: LED подсветка лестницы или коридора в доме
СообщениеДобавлено: 17 май 2014, 16:51 
Уважаемый SVN
Большое спасибо,я разобрался
Просто я собрал печатную плату,которая на 52 странице(на 16 ступеней)
Не могли бы Вы переделать прогу на 16 ступеней а то переделывать печатную плату не очень хочется,так как плата получилась весьма хорошего качества и та с третьего раза.
С уважением Александр ММ


Вернуться к началу
  
Ответить с цитатой  
 Заголовок сообщения: Re: LED подсветка лестницы или коридора в доме
СообщениеДобавлено: 17 май 2014, 22:28 
Не в сети
Аватара пользователя

Зарегистрирован: 29 май 2011, 17:59
Сообщения: 3769
Откуда: Россия


Вложения:
ATtmega168_V2_16.hex [7 КБ]
Скачиваний: 1043
Вернуться к началу
 Профиль Отправить личное сообщение  
Ответить с цитатой  
 Заголовок сообщения: Re: LED подсветка лестницы или коридора в доме
СообщениеДобавлено: 17 май 2014, 23:36 


Вернуться к началу
  
Ответить с цитатой  
 Заголовок сообщения: Re: LED подсветка лестницы или коридора в доме
СообщениеДобавлено: 18 май 2014, 00:05 
Уважаемый SVN!
Подскажите пожалуйста,под какие датчики данная прошивка и печатная плата со страницы 52
И какие датчики Вы посоветуете использовать более доступные и недорогие?
С уважением Александр ММ


Вернуться к началу
  
Ответить с цитатой  
 Заголовок сообщения: Re: LED подсветка лестницы или коридора в доме
СообщениеДобавлено: 18 май 2014, 08:51 
Не в сети
Аватара пользователя

Зарегистрирован: 29 май 2011, 17:59
Сообщения: 3769
Откуда: Россия


Вернуться к началу
 Профиль Отправить личное сообщение  
Ответить с цитатой  
 Заголовок сообщения: Re: LED подсветка лестницы или коридора в доме
СообщениеДобавлено: 18 май 2014, 10:30 


Вернуться к началу
  
Ответить с цитатой  
Показать сообщения за:  Поле сортировки  
Начать новую тему Ответить на тему  [ Сообщений: 666 ]  На страницу Пред.  1 ... 51, 52, 53, 54, 55, 56, 57 ... 67  След.

Часовой пояс: UTC + 3 часа [ Летнее время ]


Кто сейчас на конференции

Сейчас этот форум просматривают: нет зарегистрированных пользователей и гости: 4


Вы можете начинать темы
Вы можете отвечать на сообщения
Вы не можете редактировать свои сообщения
Вы не можете удалять свои сообщения
Вы не можете добавлять вложения

Найти:
Перейти:  
cron
Powered by phpBB © 2000, 2002, 2005, 2007 phpBB Group
Русская поддержка phpBB