Перейти к блогу GetChip.net - блог        JilTE[1] - в разработке     Модификации устройств - модификации

 
Текущее время: 30 ноя 2025, 08:16

Часовой пояс: UTC + 3 часа [ Летнее время ]



Начать новую тему Ответить на тему  [ Сообщений: 11 ]  На страницу 1, 2  След.
Автор Сообщение
 Заголовок сообщения: Устройства на модулях SEM0007M
СообщениеДобавлено: 21 дек 2014, 22:07 
Не в сети
Аватара пользователя

Зарегистрирован: 29 май 2011, 17:59
Сообщения: 3769
Откуда: Россия
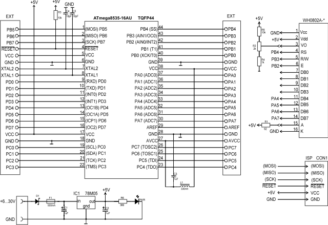
Устройства на модулях SEM0007M и дисплеях МЕЛТ (МТ-08S2A) или Winstar (WH0802A).

Мне показалось, что данные модули интересны не меньше чем Arduino… так как имеют полную обвязку МК для реализации различных устройств. Модули SEM0007M , на сколько мне известно, имеют четыре варианта. Разница лишь в установленном микроконтроллере. Схема для всех модулей одинакова. По названию модуля, можно сразу определить какой установлен МК. В модуле SEM0007M-8535-16 – установлен ATtmega8535-16AU, в SEM0007M-16A – установлен ATtmega16A-AU, в SEM0007M-32A – установлен ATtmega32A, в SEM0007M-1284P – установлен ATtmega1284P-AU.

Думаю, что данная тема найдёт своих поклонников.
0007-8535-16-circuit.gif
0007-8535-16-circuit.gif [ 49.33 КБ | Просмотров: 21576 ]

0007-pic6.jpg
0007-pic6.jpg [ 14.07 КБ | Просмотров: 21576 ]


IMG_2274.JPG
IMG_2274.JPG [ 289.35 КБ | Просмотров: 21576 ]


А это двухканальный термометр на базе SEM0007M-8535-16 и DS18B20… но подробно о нём попозже… если будет интерес к теме. :-)


Вернуться к началу
 Профиль Отправить личное сообщение  
Ответить с цитатой  
 Заголовок сообщения: Re: Устройства на модулях SEM0007M
СообщениеДобавлено: 22 дек 2014, 02:21 
Не в сети

Зарегистрирован: 20 май 2011, 23:58
Сообщения: 91
В принципе, просто удобная макетка. Правда ,с новым брендом.
Немножко не правильно. Новый шилд , это будет вернее.
Хотя, по моему мнению, блоки Евгения более подходят для создания , практически любой ,бытовой конструкции. Другое дело, что их бы унифицировать и раскрутить. Но увы-в 404 это пока нереально.
Одна только идея с "Устройствами ZiChip" намного больше весит, чем все эти так называемые бренды.


Вернуться к началу
 Профиль Отправить личное сообщение  
Ответить с цитатой  
 Заголовок сообщения: Re: Устройства на модулях SEM0007M
СообщениеДобавлено: 22 дек 2014, 17:36 
Не в сети
Аватара пользователя

Зарегистрирован: 29 май 2011, 17:59
Сообщения: 3769
Откуда: Россия
Вы правы в том, что данный модуль «удобная макетка», не более того.
Ни понял, в чём Ваша претензия к данному модулю. :-) Что касается ЗиЧип, я полностью с Вами согласен, об уникальности данного программного обеспечения. Но сравнивать программу с куском текстолита и кремния, как-то не корректно… ;) если бы Вы, были внимательны к данному форуму, то заметили бы, что я помогаю Евгению не отвлекаться на разного рода МОДы, позволяя работать над новыми устройствами, в том числе и над ЗиЧип... и отзывы пользователей подтверждают о правильности данного действия… 8-) Так, что Ваша претензия для меня осталось загадкой… :-)


Вернуться к началу
 Профиль Отправить личное сообщение  
Ответить с цитатой  
 Заголовок сообщения: Re: Устройства на модулях SEM0007M
СообщениеДобавлено: 03 фев 2015, 22:46 
Не в сети
Аватара пользователя

Зарегистрирован: 29 май 2011, 17:59
Сообщения: 3769
Откуда: Россия
Так и не понял, есть интерес или нет к таким устройствам. Но так как устройство уже есть, выложу может кому пригодится…

Термометр на базе контроллера Atmega8535-16AU (модуль SEM0007M-8535-16 ), частота 8МГц, от внутреннего генератора. Дисплей WH0802A - Буквенно-цифровой ЖК-индикатор. 2 строки по 8 символов, подключен по 4-х проводной схеме. Два датчика DS18B20 с чтением кода ROM. Дополнительно имеется указатель в виде стрелок при повышении или понижении температуры.
IMG_2263.JPG
IMG_2263.JPG [ 20.53 КБ | Просмотров: 21375 ]


Датчики подключены к порту D, бит 7 с подтягивающим резистором 4,7К. Две кнопки подсоединены: Up – к порту D, бит 0; Dow – к порту D, бит 1; вторые ножки кнопок на GND.

Описание записи кода ROM датчиков.
Запись кода ROM производится когда подключён только один датчик.
1. Подключаете датчик.
2. Включаете питание.
На дисплее в первой и во второй строке появляется надпись (Error 4), означающая ошибку при чтении температуры датчика.
3. Нажимаете кнопку Dow. На дисплее на 2 сек. появляется надпись (поиск датчика), Отпускаете кнопку. Если кнопку не отпустить до появления температуры найденного датчика, произойдёт выход из режима поиска…
4. Далее, на дисплее во второй строке появляется считанная температура с датчика, а в первой строке надпись (датчик).
5. Нажимаете и отпустите кнопку Up. На дисплее в первой строке появляется надпись (ВЫБРАТЬ), а во второй строке появляется надпись (1 или 2).
6. При нажатии кнопки Up – запишется датчик как №1, при нажатии кнопки Dow – запишется датчик как №2. На дисплее появится надпись (ЗАПИСАН как 1 или как 2) и затем произойдёт выход из режима поиска датчика.
7. Отключите питание.
8. Уберите сохранённый датчик и подсоедините следующий.
9. Повторите пункт 1 – 7.
10. Подключите первый датчик.
11. Включите питание.
ds18b20v8_CRC.zip [31.04 КБ]
Скачиваний: 1165


Вернуться к началу
 Профиль Отправить личное сообщение  
Ответить с цитатой  
 Заголовок сообщения: Re: Устройства на модулях SEM0007M
СообщениеДобавлено: 03 фев 2015, 23:22 
Т.е. Опять отсутствует горячая замена датчика. Из опыта. Датчики имеют моду вылетать в самый не подходящий момент.Как- то резкий перепад в минусовом режиме,попадания влаги, окисления припоя и пр. Значит для замены необходимо выэывать разработчика (что чаще всего и бывает) . В этом направлении намного качественнее разработки Мосина. http://startcd.narod.ru. Правда там на Си.Причем хорошо закоментировано. Да и двухпроводное подключение для датчиков в быту себя полностью оправдало.
Хотя я не знаю есть ли библиотека для DS18B20 на АВ


Вернуться к началу
  
Ответить с цитатой  
 Заголовок сообщения: Re: Устройства на модулях SEM0007M
СообщениеДобавлено: 04 фев 2015, 17:54 
Не в сети
Аватара пользователя

Зарегистрирован: 29 май 2011, 17:59
Сообщения: 3769
Откуда: Россия


Вернуться к началу
 Профиль Отправить личное сообщение  
Ответить с цитатой  
 Заголовок сообщения: Re: Устройства на модулях SEM0007M
СообщениеДобавлено: 04 фев 2015, 20:26 


Вернуться к началу
  
Ответить с цитатой  
 Заголовок сообщения: Re: Устройства на модулях SEM0007M
СообщениеДобавлено: 04 фев 2015, 20:45 


Вернуться к началу
  
Ответить с цитатой  
 Заголовок сообщения: Re: Устройства на модулях SEM0007M
СообщениеДобавлено: 04 фев 2015, 23:27 
Не в сети
Аватара пользователя

Зарегистрирован: 29 май 2011, 17:59
Сообщения: 3769
Откуда: Россия


Вернуться к началу
 Профиль Отправить личное сообщение  
Ответить с цитатой  
 Заголовок сообщения: Re: Устройства на модулях SEM0007M
СообщениеДобавлено: 04 фев 2015, 23:46 
Дальность линии 50м, без использования MOSFET, из области фантастики.
Из опыта. Терморегулятор стоит в хате и регулирует температуру во времянке 40м (по прямой) от хаты. За 2года ни одного сбоя.
Лично проверял через бухту 100м ШВВП 0.5х2 - работает спокойно.


Вернуться к началу
  
Ответить с цитатой  
Показать сообщения за:  Поле сортировки  
Начать новую тему Ответить на тему  [ Сообщений: 11 ]  На страницу 1, 2  След.

Часовой пояс: UTC + 3 часа [ Летнее время ]


Кто сейчас на конференции

Сейчас этот форум просматривают: нет зарегистрированных пользователей и гости: 5


Вы можете начинать темы
Вы можете отвечать на сообщения
Вы не можете редактировать свои сообщения
Вы не можете удалять свои сообщения
Вы не можете добавлять вложения

Найти:
Перейти:  
cron
Powered by phpBB © 2000, 2002, 2005, 2007 phpBB Group
Русская поддержка phpBB