Перейти к блогу GetChip.net - блог        JilTE[1] - в разработке     Модификации устройств - модификации

 
Текущее время: 30 ноя 2025, 01:20

Часовой пояс: UTC + 3 часа [ Летнее время ]



Начать новую тему Ответить на тему  [ Сообщений: 15 ]  На страницу 1, 2  След.
Автор Сообщение
 Заголовок сообщения: Dытяжка для ванной комнаты
СообщениеДобавлено: 07 авг 2018, 23:59 
Не в сети
Аватара пользователя

Зарегистрирован: 07 авг 2018, 22:49
Сообщения: 15
Здравствуйте. Кто сможет помочь в написании программы для микроконтроллера pic12f629 или attiny 13. Особаяя надежда на уважаемого SVN. Схема такая: 67677761.jpg
67677761.jpg [ 115.06 КБ | Просмотров: 34745 ]

Алгоритм работы такой:Включаем свет, вытяжка включается только после выключения света. Если свет горел менее 4 минут, не включаем вытяжку. Если свет был включен от 4 до 5 минут включаем вытяжку на 5 минут. Далее вытяжка работает пропорционально времени, пока был включен свет. К каждой последующей минуте включенного света прибавляем 30 секунд работы вытяжки. Свет-6 мин. вытяжка-5.30, свет-7 мин. вытяжка-6 мин. свет-8 мин. вытяжка-6.30 и так далее. В любом случае вытяжка работает не более 15 минут. Включение света во время работы вытяжки ни как не должно влиять на её работу. Как то так. Проект взят отсюда . Буду очень благодарен.


Вернуться к началу
 Профиль Отправить личное сообщение  
Ответить с цитатой  
 Заголовок сообщения: Re: Dытяжка для ванной комнаты
СообщениеДобавлено: 08 авг 2018, 02:51 
Не в сети
Аватара пользователя

Зарегистрирован: 29 май 2011, 17:59
Сообщения: 3769
Откуда: Россия
Прошивка для тини13. Должно работать по твоему алгоритму (если ничего не напутал). Устанавливать фъюзы не нужно (тактируется от заводской установки 1,2 МГц). Фоторезистор близкий по характеристикам к VT93N1 (думаю должен подойти практически любой).
fan_Zar.hex [1.26 КБ]
Скачиваний: 2453


Zar.png
Zar.png [ 22.27 КБ | Просмотров: 34738 ]


Вернуться к началу
 Профиль Отправить личное сообщение  
Ответить с цитатой  
 Заголовок сообщения: Re: Dытяжка для ванной комнаты
СообщениеДобавлено: 08 авг 2018, 08:05 
Не в сети
Аватара пользователя

Зарегистрирован: 07 авг 2018, 22:49
Сообщения: 15
Огромное спасибо, испытаю в железе, сразу отпишусь.


Вернуться к началу
 Профиль Отправить личное сообщение  
Ответить с цитатой  
 Заголовок сообщения: Re: Dытяжка для ванной комнаты
СообщениеДобавлено: 08 авг 2018, 09:05 
Не в сети
Аватара пользователя

Зарегистрирован: 29 май 2011, 17:59
Сообщения: 3769
Откуда: Россия
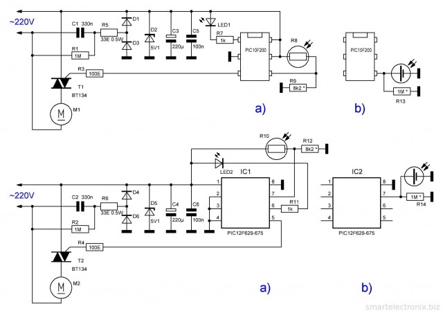
Я тоже недавно сделал для себя подобное устройство управления вентилятором ванной комнаты.
Fan.png
Fan.png [ 24.06 КБ | Просмотров: 34733 ]

Автоматическое управление организовано от влажности (датчик DHT11)… есть ещё и ручное управление от кнопки (в двух вариантах).

Кнопка без фиксации:
fan.hex [1.66 КБ]
Скачиваний: 2485


Кнопка с фиксацией:
fan_1.hex [1.7 КБ]
Скачиваний: 2619


Вернуться к началу
 Профиль Отправить личное сообщение  
Ответить с цитатой  
 Заголовок сообщения: Re: Dытяжка для ванной комнаты
СообщениеДобавлено: 08 авг 2018, 09:06 
Не в сети
Аватара пользователя

Зарегистрирован: 29 май 2011, 17:59
Сообщения: 3769
Откуда: Россия
P1010130.JPG
P1010130.JPG [ 35.08 КБ | Просмотров: 34733 ]


P1010131.JPG
P1010131.JPG [ 346.6 КБ | Просмотров: 34732 ]


Вернуться к началу
 Профиль Отправить личное сообщение  
Ответить с цитатой  
 Заголовок сообщения: Re: Dытяжка для ванной комнаты
СообщениеДобавлено: 08 авг 2018, 18:33 
Не в сети
Аватара пользователя

Зарегистрирован: 07 авг 2018, 22:49
Сообщения: 15
Классно получилось! А какой алгоритм, как настраивается? И еще, извините почему трансформаторное питание?


Вернуться к началу
 Профиль Отправить личное сообщение  
Ответить с цитатой  
 Заголовок сообщения: Re: Dытяжка для ванной комнаты
СообщениеДобавлено: 08 авг 2018, 19:58 
Не в сети
Аватара пользователя

Зарегистрирован: 29 май 2011, 17:59
Сообщения: 3769
Откуда: Россия


Вернуться к началу
 Профиль Отправить личное сообщение  
Ответить с цитатой  
 Заголовок сообщения: Re: Dытяжка для ванной комнаты
СообщениеДобавлено: 08 авг 2018, 20:14 
Не в сети
Аватара пользователя

Зарегистрирован: 07 авг 2018, 22:49
Сообщения: 15
Спасибо, протестирую первую схему, потом попробую Вашу, а там определюсь на какой остановится.


Вернуться к началу
 Профиль Отправить личное сообщение  
Ответить с цитатой  
 Заголовок сообщения: Re: Dытяжка для ванной комнаты
СообщениеДобавлено: 09 авг 2018, 22:23 
Не в сети
Аватара пользователя

Зарегистрирован: 07 авг 2018, 22:49
Сообщения: 15


Вернуться к началу
 Профиль Отправить личное сообщение  
Ответить с цитатой  
 Заголовок сообщения: Re: Dытяжка для ванной комнаты
СообщениеДобавлено: 09 авг 2018, 23:24 
Не в сети
Аватара пользователя

Зарегистрирован: 29 май 2011, 17:59
Сообщения: 3769
Откуда: Россия
Я рад, что работает как нужно! Удачи!


Вернуться к началу
 Профиль Отправить личное сообщение  
Ответить с цитатой  
Показать сообщения за:  Поле сортировки  
Начать новую тему Ответить на тему  [ Сообщений: 15 ]  На страницу 1, 2  След.

Часовой пояс: UTC + 3 часа [ Летнее время ]


Кто сейчас на конференции

Сейчас этот форум просматривают: нет зарегистрированных пользователей и гости: 11


Вы можете начинать темы
Вы можете отвечать на сообщения
Вы не можете редактировать свои сообщения
Вы не можете удалять свои сообщения
Вы не можете добавлять вложения

Найти:
Перейти:  
cron
Powered by phpBB © 2000, 2002, 2005, 2007 phpBB Group
Русская поддержка phpBB