Перейти к блогу GetChip.net - блог        JilTE[1] - в разработке     Модификации устройств - модификации

 
Текущее время: 30 ноя 2025, 02:08

Часовой пояс: UTC + 3 часа [ Летнее время ]



Начать новую тему Ответить на тему  [ Сообщений: 232 ]  На страницу 1, 2, 3, 4, 5 ... 24  След.
Автор Сообщение
 Заголовок сообщения: Охранно-пожарная сигнализация для дома или дачи
СообщениеДобавлено: 12 июл 2015, 19:36 
Не в сети
Аватара пользователя

Зарегистрирован: 29 май 2011, 17:59
Сообщения: 3769
Откуда: Россия
Тогда ждите полноценную версию. О чём это я? Давно уже была мысль переделать свою дачную охранную сигнализацию. Так как она реализована на промышленном контроллере LOGO! SIEMENS, напряжение питания 24 В. Что крайне не удобно.
Что касается «ключей» Dallas, то надёжней (по ряду причин) использовать выносные контроллеры доступа. По типу, находящейся статьи в блоге.

В общим скорее всего будет две версии этого устройства. Одна чисто по моим соображения, другая по вашим хотелкам. Если чего ещё вспомните – добавляйте.

Ещё – реализация устройства будет на меге32 (корпус TQFP). :-)


Дополнение:
Возникло желание разработать беспроводную охранную систему. Модули для связи планирую использовать nRF24L01+.
Информация данного девайса начнётся со стр.23.


Последний раз редактировалось SVN 22 янв 2018, 17:47, всего редактировалось 1 раз.

Вернуться к началу
 Профиль Отправить личное сообщение  
Ответить с цитатой  
 Заголовок сообщения: Re: Регистратор
СообщениеДобавлено: 14 июл 2015, 19:40 
Не в сети
Аватара пользователя

Зарегистрирован: 29 май 2011, 17:59
Сообщения: 3769
Откуда: Россия


Вернуться к началу
 Профиль Отправить личное сообщение  
Ответить с цитатой  
 Заголовок сообщения: Re: Регистратор
СообщениеДобавлено: 14 июл 2015, 22:23 
Не в сети

Зарегистрирован: 24 мар 2013, 18:53
Сообщения: 129
я только описание задумок закончил, схему нарисовал. Дисплей WC1602A паспорт в архив добавил.


Вложения:
WC1602A-STBLWHTC-06.rar [454.27 КБ]
Скачиваний: 2143
Вернуться к началу
 Профиль Отправить личное сообщение  
Ответить с цитатой  
 Заголовок сообщения: Re: Регистратор
СообщениеДобавлено: 14 июл 2015, 22:24 
Не в сети

Зарегистрирован: 24 мар 2013, 18:53
Сообщения: 129
схема, описание. Забыл в описании написать про отключение экрана через 1 минуту, если не делается никаких действий


Вложения:
Registrator.rar [378.44 КБ]
Скачиваний: 2114
Вернуться к началу
 Профиль Отправить личное сообщение  
Ответить с цитатой  
 Заголовок сообщения: Re: Регистратор
СообщениеДобавлено: 15 июл 2015, 00:57 
Не в сети
Аватара пользователя

Зарегистрирован: 29 май 2011, 17:59
Сообщения: 3769
Откуда: Россия
Ух ты… вот это ТЗ (мне понравилось). 8-) Почти всё расписано подробно, но вопросы будут – немного позже. Если бы не городил подобное для себя, за проект, не взялся бы. Для моего уровня программирования – это хлопотно. :D

Что касается схемы: пока ничего не делай – возможны изменения. Позже я напишу раскладку по портам.


Вернуться к началу
 Профиль Отправить личное сообщение  
Ответить с цитатой  
 Заголовок сообщения: Re: Регистратор
СообщениеДобавлено: 15 июл 2015, 12:25 
Не в сети
Администратор
Аватара пользователя

Зарегистрирован: 15 май 2011, 23:00
Сообщения: 1904
Если все получится - это будет бомбовая статья :OK:


Вернуться к началу
 Профиль Отправить личное сообщение  
Ответить с цитатой  
 Заголовок сообщения: Re: «Охранно-пожарная сигнализация для дома или дачи»
СообщениеДобавлено: 15 июл 2015, 13:03 
Не в сети
Аватара пользователя

Зарегистрирован: 29 май 2011, 17:59
Сообщения: 3769
Откуда: Россия
Получится... есть личная заинтересованность в таком девайсе. :D


Вернуться к началу
 Профиль Отправить личное сообщение  
Ответить с цитатой  
 Заголовок сообщения: Re: «Охранно-пожарная сигнализация для дома или дачи»
СообщениеДобавлено: 15 июл 2015, 23:56 
Не в сети
Аватара пользователя

Зарегистрирован: 29 май 2011, 17:59
Сообщения: 3769
Откуда: Россия


Вернуться к началу
 Профиль Отправить личное сообщение  
Ответить с цитатой  
 Заголовок сообщения: Re: «Охранно-пожарная сигнализация для дома или дачи»
СообщениеДобавлено: 16 июл 2015, 12:03 
Не в сети

Зарегистрирован: 24 мар 2013, 18:53
Сообщения: 129
Я не против, не хотелось бы конечно чтобы в конце проектирования сильно усложнить устройство до неприличия, 2 день не могу понять как во время охраны будет проводиться контроль исправности,если во время охраны разомкнулся охранный датчик или обрыв шлейфа, то это считается событием
В ТЗ «Диагностика» - имелось ввиду контроль состояния датчиков и шлейфа на соответствие запрограммированному, т.е датчик в 1 зоне нормально замкнутый, при включении прибора, при диагностике прибор обнаруживает контакт разомкнутый , то это неисправность.
Отдельная память нужна если события не сохраняются в памяти устройства при пропаже питания, если планируется увеличить количество событий., может её как отдельный модуль цеплять, а основные события в МК записывать ? Или там настройки хранить ?
Сколько событий можно сохранить в памяти МК без дополнительной памяти ? Если 10 сохраниться, то на 1 цикл работы хватает.
Если у вас уже есть представление в голове как это все будет выглядеть реально в устройстве, продолжайте. Может общество,что еще подскажет ?


Вернуться к началу
 Профиль Отправить личное сообщение  
Ответить с цитатой  
 Заголовок сообщения: Re: «Охранно-пожарная сигнализация для дома или дачи»
СообщениеДобавлено: 16 июл 2015, 16:35 
Не в сети
Аватара пользователя

Зарегистрирован: 29 май 2011, 17:59
Сообщения: 3769
Откуда: Россия


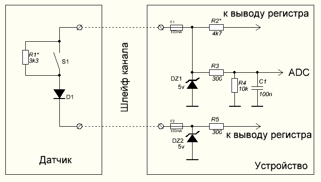
Вложения:
1.png
1.png [ 17.05 КБ | Просмотров: 37120 ]
Вернуться к началу
 Профиль Отправить личное сообщение  
Ответить с цитатой  
Показать сообщения за:  Поле сортировки  
Начать новую тему Ответить на тему  [ Сообщений: 232 ]  На страницу 1, 2, 3, 4, 5 ... 24  След.

Часовой пояс: UTC + 3 часа [ Летнее время ]


Кто сейчас на конференции

Сейчас этот форум просматривают: нет зарегистрированных пользователей и гости: 11


Вы можете начинать темы
Вы можете отвечать на сообщения
Вы не можете редактировать свои сообщения
Вы не можете удалять свои сообщения
Вы не можете добавлять вложения

Найти:
Перейти:  
Powered by phpBB © 2000, 2002, 2005, 2007 phpBB Group
Русская поддержка phpBB