Перейти к блогу GetChip.net - блог        JilTE[1] - в разработке     Модификации устройств - модификации

 
Текущее время: 03 фев 2026, 04:58

Часовой пояс: UTC + 3 часа [ Летнее время ]



Ответить
Имя пользователя:
Заголовок:
Текст сообщения:
Введите текст вашего сообщения. Длина сообщения в символах не более: 60000

Размер шрифта:
Цвет шрифта
Настройки:
BBCode ВКЛЮЧЁН
[img] ВКЛЮЧЁН
[flash] ВЫКЛЮЧЕН
[url] ВКЛЮЧЁН
Смайлики ВЫКЛЮЧЕНЫ
Отключить в этом сообщении BBCode
Не преобразовывать адреса URL в ссылки
Анти-спам
Анти-спам:
Выполните задание
   

Обзор темы - Ктонибудь располагает информацией о жки 122х32 на русском ?
Автор Сообщение
  Заголовок сообщения:  Re: Ктонибудь располагает информацией о жки 122х32 на русско  
Цитата
Сообщение Добавлено: 09 июн 2012, 22:08
  Заголовок сообщения:  Re: Ктонибудь располагает информацией о жки 122х32 на русско  
Цитата
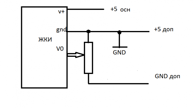
По схеме "Или так" я уже спаял, она неработает. В протусе программа рисует черную строку на экране но в реальной схеме ничего непроисходит.
Я выпаял из схемы вывод V0 и припоял его к резистору на 10к который подключон одной нагой к ( gnd доп.) а второй (+5 доп и GND осн.) и толко так экран чернеет в зависимости от положения резистора. Но чернеет экран не так как я запрогромировал (со всякими багами и какимито глюками, неописать, их надо видеть :zomg: ) возможно глюки изза того что питанее не двуполярное по сути всеголиш два стабилезатора по 5 воль включонные последоательно (двуполярного источника у меня нет)


Вложения:
Снимок.PNG
Снимок.PNG [ 12.6 КБ | Просмотров: 10957 ]
Сообщение Добавлено: 29 апр 2012, 21:09
  Заголовок сообщения:  Re: Ктонибудь располагает информацией о жки 122х32 на русско  
Цитата
Или так.


Вложения:
05.gif
05.gif [ 1.37 КБ | Просмотров: 10962 ]
Сообщение Добавлено: 29 апр 2012, 14:55
  Заголовок сообщения:  Re: Ктонибудь располагает информацией о жки 122х32 на русско  
Цитата
О как. А так не пробовали?


Вложения:
1.gif
1.gif [ 3.78 КБ | Просмотров: 10971 ]
Сообщение Добавлено: 28 апр 2012, 19:55
  Заголовок сообщения:  Re: Ктонибудь располагает информацией о жки 122х32 на русско  
Цитата
Сообщение Добавлено: 28 апр 2012, 19:38
  Заголовок сообщения:  Re: Ктонибудь располагает информацией о жки 122х32 на русско  
Цитата
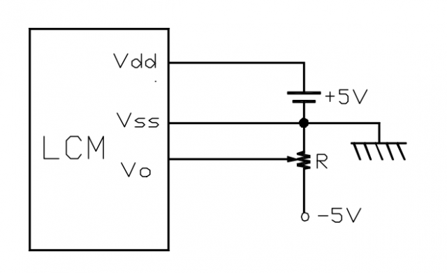
ЖКИ модулю нужно двуполярное питание :mad:


Вложения:
Снимок.PNG
Снимок.PNG [ 18.18 КБ | Просмотров: 24094 ]
Сообщение Добавлено: 28 апр 2012, 19:08
  Заголовок сообщения:  Re: Ктонибудь располагает информацией о жки 122х32 на русско  
Цитата
Сообщение Добавлено: 28 апр 2012, 15:12
  Заголовок сообщения:  Re: Ктонибудь располагает информацией о жки 122х32 на русско  
Цитата
Сообщение Добавлено: 28 апр 2012, 14:40
  Заголовок сообщения:  Re: Ктонибудь располагает информацией о жки 122х32 на русско  
Цитата
Оказывается ему на подстройку яркости отрицательная полярность нужна :shock: :crazy: блин нафиг такую каку делать :mad:
Сообщение Добавлено: 27 апр 2012, 19:52
  Заголовок сообщения:  Re: Ктонибудь располагает информацией о жки 122х32 на русско  
Цитата
Дисплей прибыл из китая и причем все серийные номера замазаны краской и стерты. сдается мне он был украден из некондиции с завода и продан через Ebay ;) В любом случае остается толко одно чтоб убедится в его исправности, дрыгать ногами управляя мк через uatr .


Вложения:
Фото0359.jpg
Фото0359.jpg [ 218.49 КБ | Просмотров: 24192 ]
Сообщение Добавлено: 12 апр 2012, 08:36

Часовой пояс: UTC + 3 часа [ Летнее время ]


Перейти:  
cron
Powered by phpBB © 2000, 2002, 2005, 2007 phpBB Group
Русская поддержка phpBB