| Автор |
Сообщение |
|
|
| |
Заголовок сообщения: |
Re: Измеритель давления на авто |
Цитата |
|
|
Только когда будете читать статью, не забудьте, что у Вас ОУ питается от однополярного питания. В вашем варианте лучше всего развернуть делитель – R2 устанавливаете вместо R3, а R3 вместо R2 и выставить резистором R5 Ваш диапазон измерения.
Только когда будете читать статью, не забудьте, что у Вас ОУ питается от однополярного питания. В вашем варианте лучше всего развернуть делитель – R2 устанавливаете вместо R3, а R3 вместо R2 и выставить резистором R5 Ваш диапазон измерения.
|
|
|
 |
Добавлено: 11 сен 2012, 22:48 |
|
|
 |
|
|
| |
Заголовок сообщения: |
Re: Измеритель давления на авто |
Цитата |
|
|
[quote="avrmastak"]нужно сделать положительную ОС. Правильно?[/quote] С ПОС, нет не верно. Почитайте про ОУ [url=http://easyelectronics.ru/operacionnyj-usilitel.html]здес[/url]ь.
|
|
|
 |
Добавлено: 11 сен 2012, 22:23 |
|
|
 |
|
|
| |
Заголовок сообщения: |
Re: Измеритель давления на авто |
Цитата |
|
|
Если я правильно понимаю OP2 - это неинвертирующий усилитель с ООС,чтобы сделать как мне надо,нужно сделать положительную ОС. Правильно?
Если я правильно понимаю OP2 - это неинвертирующий усилитель с ООС,чтобы сделать как мне надо,нужно сделать положительную ОС. Правильно?
|
|
|
 |
Добавлено: 11 сен 2012, 18:43 |
|
|
 |
|
|
| |
Заголовок сообщения: |
Re: Измеритель давления на авто |
Цитата |
|
|
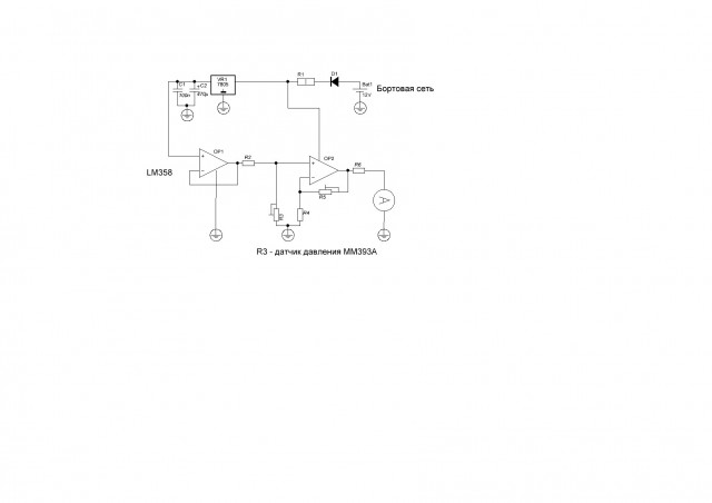
Для чего Китайцы установили первый ОУ (повторитель) не понятно. Второй усиливает сигнал делителя (R2, R3). На первый вопрос. Есть два вариант: 1) резать дорожки и устанавливать перемычки. 2) добавить ещё на выход ОУ. На второй, проще сделать всё самому на тех же ОУ, по немного другой схеме, а эту оставить как есть.
Для чего Китайцы установили первый ОУ (повторитель) не понятно. Второй усиливает сигнал делителя (R2, R3). На первый вопрос. Есть два вариант: 1) резать дорожки и устанавливать перемычки. 2) добавить ещё на выход ОУ. На второй, проще сделать всё самому на тех же ОУ, по немного другой схеме, а эту оставить как есть.
|
|
|
 |
Добавлено: 10 сен 2012, 22:35 |
|
|
 |
|
|
| |
Заголовок сообщения: |
Re: Измеритель давления на авто |
Цитата |
|
|
Он самый ...
Он самый ...
|
|
|
 |
Добавлено: 10 сен 2012, 22:25 |
|
|
 |
|
|
| |
Заголовок сообщения: |
Re: Измеритель давления на авто |
Цитата |
|
|
А датчик в схеме, который? Полагаю R3.
А датчик в схеме, который? Полагаю R3.
|
|
|
 |
Добавлено: 10 сен 2012, 22:12 |
|
|
 |
|
|
| |
Заголовок сообщения: |
Измеритель давления на авто |
Цитата |
|
|
Брат купил на машину чудо китайской мысли - измеритель давления. Начали ставить на машину - при подаче питания стрелка зашкаливает. Видимо он под другой датчик. Инструкция на китайском. Понять не возможно. Знакомого китайца нет. Разобрал,внутри оказалась вот такая схема. Подключил вместо датчика давления магазин сопротивлений - действительно,работает наоборот, при увеличении сопротивления показания увеличиваются. А у ММ393А при 0 кгс/см^2 - 315 Ом, при 8 кгс/см^2 - 10 Ом (беру средние значения). Вопроса собственно два:
1. Как инвертировать сигнал на выходе операционника.
2. Если я правильно понимаю,на выходе операционника ток прямо-пропорционален сопротивлению датчика, а датчик-то нелинеен. Можно ли как-то учесть эту нелинейность.
| Вложения: |

Давление.JPG [ 67.22 КБ | Просмотров: 15525 ]
|
Брат купил на машину чудо китайской мысли - измеритель давления. Начали ставить на машину - при подаче питания стрелка зашкаливает. Видимо он под другой датчик. Инструкция на китайском. Понять не возможно. Знакомого китайца нет. Разобрал,внутри оказалась вот такая схема. Подключил вместо датчика давления магазин сопротивлений - действительно,работает наоборот, при увеличении сопротивления показания увеличиваются. А у ММ393А при 0 кгс/см^2 - 315 Ом, при 8 кгс/см^2 - 10 Ом (беру средние значения). Вопроса собственно два:
1. Как инвертировать сигнал на выходе операционника.
2. Если я правильно понимаю,на выходе операционника ток прямо-пропорционален сопротивлению датчика, а датчик-то нелинеен. Можно ли как-то учесть эту нелинейность.
|
|
|
 |
Добавлено: 10 сен 2012, 22:05 |
|
|
 |
|