Перейти к блогу GetChip.net - блог        JilTE[1] - в разработке     Модификации устройств - модификации

 
Текущее время: 21 мар 2026, 02:26

Часовой пояс: UTC + 3 часа [ Летнее время ]



Ответить
Имя пользователя:
Заголовок:
Текст сообщения:
Введите текст вашего сообщения. Длина сообщения в символах не более: 60000

Размер шрифта:
Цвет шрифта
Настройки:
BBCode ВКЛЮЧЁН
[img] ВКЛЮЧЁН
[flash] ВЫКЛЮЧЕН
[url] ВКЛЮЧЁН
Смайлики ВЫКЛЮЧЕНЫ
Отключить в этом сообщении BBCode
Не преобразовывать адреса URL в ссылки
Анти-спам
Анти-спам:
Выполните задание
   

Обзор темы - Измеритель давления на авто
Автор Сообщение
  Заголовок сообщения:  Re: Измеритель давления на авто  
Цитата
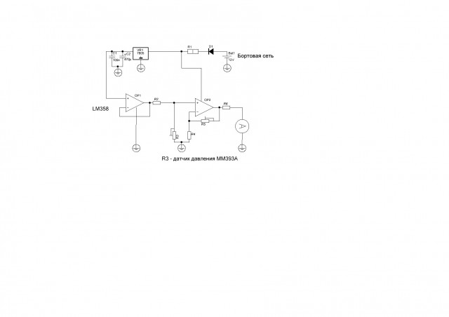
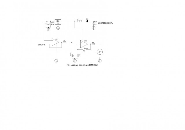
Только когда будете читать статью, не забудьте, что у Вас ОУ питается от однополярного питания. В вашем варианте лучше всего развернуть делитель – R2 устанавливаете вместо R3, а R3 вместо R2 и выставить резистором R5 Ваш диапазон измерения.
Сообщение Добавлено: 11 сен 2012, 22:48
  Заголовок сообщения:  Re: Измеритель давления на авто  
Цитата
Сообщение Добавлено: 11 сен 2012, 22:23
  Заголовок сообщения:  Re: Измеритель давления на авто  
Цитата
Если я правильно понимаю OP2 - это неинвертирующий усилитель с ООС,чтобы сделать как мне надо,нужно сделать положительную ОС. Правильно?
Сообщение Добавлено: 11 сен 2012, 18:43
  Заголовок сообщения:  Re: Измеритель давления на авто  
Цитата
Для чего Китайцы установили первый ОУ (повторитель) не понятно. Второй усиливает сигнал делителя (R2, R3). На первый вопрос. Есть два вариант: 1) резать дорожки и устанавливать перемычки. 2) добавить ещё на выход ОУ. На второй, проще сделать всё самому на тех же ОУ, по немного другой схеме, а эту оставить как есть.
Сообщение Добавлено: 10 сен 2012, 22:35
  Заголовок сообщения:  Re: Измеритель давления на авто  
Цитата
Он самый ...
Сообщение Добавлено: 10 сен 2012, 22:25
  Заголовок сообщения:  Re: Измеритель давления на авто  
Цитата
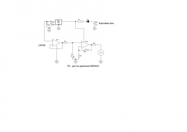
А датчик в схеме, который? Полагаю R3.
Сообщение Добавлено: 10 сен 2012, 22:12
  Заголовок сообщения:  Измеритель давления на авто  
Цитата
Брат купил на машину чудо китайской мысли - измеритель давления. Начали ставить на машину - при подаче питания стрелка зашкаливает. Видимо он под другой датчик. Инструкция на китайском. Понять не возможно. Знакомого китайца нет. Разобрал,внутри оказалась вот такая схема. Подключил вместо датчика давления магазин сопротивлений - действительно,работает наоборот, при увеличении сопротивления показания увеличиваются. А у ММ393А при 0 кгс/см^2 - 315 Ом, при 8 кгс/см^2 - 10 Ом (беру средние значения). Вопроса собственно два:



1. Как инвертировать сигнал на выходе операционника.

2. Если я правильно понимаю,на выходе операционника ток прямо-пропорционален сопротивлению датчика, а датчик-то нелинеен. Можно ли как-то учесть эту нелинейность.


Вложения:
Давление.JPG
Давление.JPG [ 67.22 КБ | Просмотров: 18650 ]
Сообщение Добавлено: 10 сен 2012, 22:05

Часовой пояс: UTC + 3 часа [ Летнее время ]


Перейти:  
cron
Powered by phpBB © 2000, 2002, 2005, 2007 phpBB Group
Русская поддержка phpBB