| Автор |
Сообщение |
|
|
| |
Заголовок сообщения: |
Re: Система орашения часного дома |
Цитата |
|
Во теперь более ясно)) 
Во теперь более ясно)) :smile:
|
|
|
 |
Добавлено: 20 май 2014, 19:12 |
|
|
 |
|
|
| |
Заголовок сообщения: |
Re: Система орашения часного дома |
Цитата |
|
Просто необходимо почитать про внутреннюю конфигурацию МК, тогда будет более понятно, что он из себя представляет и как им рулить. В двух словах о внутреннем резисторе… у пина внутри МК есть резистор от 20 кОм до 50 кОм. Его иногда задействуют для различных нужд. Для кнопок это очень удобно при их использовании, так как нет необходимости устанавливать дополнительные резисторы. Ты ведь кнопкой, пин замыкаешь с общим проводом, что соответствует лог. 0. А при размыкании на пин нудно подать лог. 1. Так как если ничего не подавать, пин МК будет в Z состоянии (то есть, как бы оторван, на нём нет ни 0 ни 1). В таком случае необходим подтягивающий резистор к плюсу питания. Так вот, зачем устанавливать внешний подтягивающий резистор, когда он есть внутри у каждого пина порта. Вот настройка регистров порта и позволяет подтянуть его к плюсу питания внутри МК. А вот подтянуть его к общей шине, не получится, так как последовательно резистору стоит диод. Если пин порта настроен на вход (0 -> DDRN.n) а в регистр порта установить 1 (1 -> PortN.n), то этот пин подтянут к плюс питания через внутренний резистор. Читая состояние входного регистра (PinN.n) определяется, нажата кнопка или нет. Вот тебе и в двух словах… 
Просто необходимо почитать про внутреннюю конфигурацию МК, тогда будет более понятно, что он из себя представляет и как им рулить. В двух словах о внутреннем резисторе… у пина внутри МК есть резистор от 20 кОм до 50 кОм. Его иногда задействуют для различных нужд. Для кнопок это очень удобно при их использовании, так как нет необходимости устанавливать дополнительные резисторы. Ты ведь кнопкой, пин замыкаешь с общим проводом, что соответствует лог. 0. А при размыкании на пин нудно подать лог. 1. Так как если ничего не подавать, пин МК будет в Z состоянии (то есть, как бы оторван, на нём нет ни 0 ни 1). В таком случае необходим подтягивающий резистор к плюсу питания. Так вот, зачем устанавливать внешний подтягивающий резистор, когда он есть внутри у каждого пина порта. Вот настройка регистров порта и позволяет подтянуть его к плюсу питания внутри МК. А вот подтянуть его к общей шине, не получится, так как последовательно резистору стоит диод. Если пин порта настроен на вход (0 -> DDRN.n) а в регистр порта установить 1 (1 -> PortN.n), то этот пин подтянут к плюс питания через внутренний резистор. Читая состояние входного регистра (PinN.n) определяется, нажата кнопка или нет. Вот тебе и в двух словах… :D
|
|
|
 |
Добавлено: 19 май 2014, 22:43 |
|
|
 |
|
|
| |
Заголовок сообщения: |
Re: Система орашения часного дома |
Цитата |
|
|
[quote="SVN"]Порты для кнопок настраивают на вход с [b]подтягивающим внутренним резистором.[/b] Что означает, если кнопка разомкнута, на пине кнопки присутствует 1, если замкнута – 0. Порты для реле настраивают на выход и подают на пин 0. 0 – реле отключено, 1 – реле под током.[/quote] Блин, я все ж баран, попробую разобраться, про вход выход ясно, вот про резистор не понял, прошу не обижаться я только начинающий программист :bumbed:
|
|
|
 |
Добавлено: 19 май 2014, 18:52 |
|
|
 |
|
|
| |
Заголовок сообщения: |
Re: Система орашения часного дома |
Цитата |
|
|
Порты для кнопок настраивают на вход с подтягивающим внутренним резистором. Что означает, если кнопка разомкнута, на пине кнопки присутствует 1, если замкнута – 0. Порты для реле настраивают на выход и подают на пин 0. 0 – реле отключено, 1 – реле под током.
Порты для кнопок настраивают на вход с подтягивающим внутренним резистором. Что означает, если кнопка разомкнута, на пине кнопки присутствует 1, если замкнута – 0. Порты для реле настраивают на выход и подают на пин 0. 0 – реле отключено, 1 – реле под током.
|
|
|
 |
Добавлено: 18 май 2014, 20:33 |
|
|
 |
|
|
| |
Заголовок сообщения: |
Re: Система орашения часного дома |
Цитата |
|
|
Теперь по поводу портов порты где подключены ключи и кнопки инициализировать как "0" (вк) или как "1"(откл)?
Теперь по поводу портов порты где подключены ключи и кнопки инициализировать как "0" (вк) или как "1"(откл)?
|
|
|
 |
Добавлено: 18 май 2014, 18:38 |
|
|
 |
|
|
| |
Заголовок сообщения: |
Re: Система орашения часного дома |
Цитата |
|
|
[quote="SVN"]А почему нарисованы электролиты? Устанавливать нужно неполярные кондёры. И за диоды не забудь. ;)[/quote]
в проге которую я использую к электролитом прибавляют "+", а если нет плюса то обычны, это уже косяк проги
|
|
|
 |
Добавлено: 18 май 2014, 18:09 |
|
|
 |
|
|
| |
Заголовок сообщения: |
Re: Система орашения часного дома |
Цитата |
|
А почему нарисованы электролиты? Устанавливать нужно неполярные кондёры. И за диоды не забудь. 
А почему нарисованы электролиты? Устанавливать нужно неполярные кондёры. И за диоды не забудь. ;)
|
|
|
 |
Добавлено: 18 май 2014, 16:45 |
|
|
 |
|
|
| |
Заголовок сообщения: |
Re: Система орашения часного дома |
Цитата |
|
|
[quote="SVN"] Схема плохо читаема и поэтому складывается впечатление, что конденсаторы на кварце подключены не верно. На предыдущей схеме, всё верно.[/quote] Касячек хотел просто чтоб компактная схема была исправлю пост.
|
|
|
 |
Добавлено: 18 май 2014, 15:36 |
|
|
 |
|
|
| |
Заголовок сообщения: |
Re: Система орашения часного дома |
Цитата |
|
|
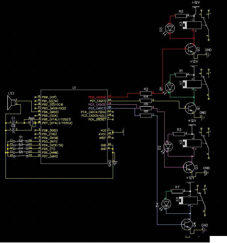
Ещё один совет… в параллель каждого реле необходимо установить диод в обратном направлении (для защиты управляющих транзисторов от пробоя в момент закрытия транзистора).
Схема плохо читаема и поэтому складывается впечатление, что конденсаторы на кварце подключены не верно. На предыдущей схеме, всё верно.
Ещё один совет… в параллель каждого реле необходимо установить диод в обратном направлении (для защиты управляющих транзисторов от пробоя в момент закрытия транзистора).
Схема плохо читаема и поэтому складывается впечатление, что конденсаторы на кварце подключены не верно. На предыдущей схеме, всё верно.
|
|
|
 |
Добавлено: 18 май 2014, 08:57 |
|
|
 |
|
|
| |
Заголовок сообщения: |
Re: Система орашения часного дома |
Цитата |
|
Вот схемка на PB3 бузер, S1- вкл/откл, S2-Реле1 и 4(Вкл/откл), S3-Реле2(Вкл/откл) S4-Реле3(Вкл/откл) S5-Реле2-3 по переменно(Вкл/откл), то есть реле 2 срабюотала, реле 3 не сработало и на оборот промежуток 60сек (1мин). Попробую какие нибуть наброски кода сделать, но я чайник в этом((( 
| Вложения: |

Новый точечный рисунок.gif [ 18.9 КБ | Просмотров: 20083 ]
|
Вот схемка на PB3 бузер, S1- вкл/откл, S2-Реле1 и 4(Вкл/откл), S3-Реле2(Вкл/откл) S4-Реле3(Вкл/откл) S5-Реле2-3 по переменно(Вкл/откл), то есть реле 2 срабюотала, реле 3 не сработало и на оборот промежуток 60сек (1мин). Попробую какие нибуть наброски кода сделать, но я чайник в этом((( :!:
|
|
|
 |
Добавлено: 17 май 2014, 23:13 |
|
|
 |
|