Перейти к блогу GetChip.net - блог        JilTE[1] - в разработке     Модификации устройств - модификации

 
Текущее время: 20 апр 2026, 12:51

Часовой пояс: UTC + 3 часа [ Летнее время ]



Начать новую тему Ответить на тему  [ Сообщений: 78 ]  На страницу Пред.  1, 2, 3, 4, 5, 6, 7, 8  След.
Автор Сообщение
 Заголовок сообщения: Re: 087-ATtiny2313 SD Card Talking Device.
СообщениеДобавлено: 22 фев 2015, 20:39 
Не в сети

Зарегистрирован: 17 фев 2015, 23:22
Сообщения: 1
Если кому-то вдруг интересно, написал программку, которая делает из 32/16/mono файла файл 32/8/mono. Так получилось, что если сконвертировать сразу в 32/8/mono, появляется много шумов - очень неприятно. В то же время 32/16/mono слышимого шума не дает. Эта программка откидывает младший байт, получается 8 бит. Я думал, что шума не будет - ошибся))) Но по сравнению с обычным конвертером, на мой взгляд, шума немного меньше + нет провалов звука в тихих местах.
Прожект собран на скорую руку в Devcpp. Если кому интересно, можете допилить до более юзабельного вида. У меня, к сожалению ни времени, ни тяму забабахать нормальное приложение не наберется.
В архиве сам прожект, файл приложения. Нужно рядом с файлом положить 32/16/mono файл с именем "in.wav", запустить File.exe, рядом должен появиться файл out.wav(искомый).
Файл 8.wav я заюзал, как шапку для выходного файла.


Вложения:
File.rar [107.27 КБ]
Скачиваний: 1213
Вернуться к началу
 Профиль Отправить личное сообщение  
Ответить с цитатой  
 Заголовок сообщения: Re: 087-ATtiny2313 SD Card Talking Device.
СообщениеДобавлено: 09 мар 2015, 01:56 
Доброго времени суток, уважаемый GetChip ! В Вашей статье Вы даете ссылку на вот эту схему http://www.getchip.net/wp-content/plugi ... php?id=206. Но на рисунке схема немного другая. Я недавно в мире микроконтроллеров ,не судите строго, прошивка в конце статьи дается все таки на нарисованную или на ту, которая по ссылке? Кстати, по ссылке самое то, что нужно- это плеер, проигрывающий один из шести звуковых файлов в зависимости от той или иной нажатой кнопке.


Вернуться к началу
  
Ответить с цитатой  
 Заголовок сообщения: Re: 087-ATtiny2313 SD Card Talking Device.
СообщениеДобавлено: 09 мар 2015, 02:10 
Прошу прощения за опечатку, GetChiper.


Вернуться к началу
  
Ответить с цитатой  
 Заголовок сообщения: Re: 087-ATtiny2313 SD Card Talking Device.
СообщениеДобавлено: 10 мар 2015, 22:20 
Не в сети
Администратор
Аватара пользователя

Зарегистрирован: 15 май 2011, 23:00
Сообщения: 1904
Схема по ссылке правильная.


Вернуться к началу
 Профиль Отправить личное сообщение  
Ответить с цитатой  
 Заголовок сообщения: Re: 087-ATtiny2313 SD Card Talking Device.
СообщениеДобавлено: 12 мар 2015, 01:34 


Вернуться к началу
  
Ответить с цитатой  
 Заголовок сообщения: Re: 087-ATtiny2313 SD Card Talking Device.
СообщениеДобавлено: 12 мар 2015, 21:01 
Не в сети
Администратор
Аватара пользователя

Зарегистрирован: 15 май 2011, 23:00
Сообщения: 1904
В этой статье http://www.getchip.net/posts/087-attiny ... ng-device/
что рисунок в самой статье, что файл под ним - это одно и тоже (один к одному). Я так понимаю Вы открываете файл схемы с какого-то мода устройства, где выводы ЮАРТ пущены на другие цели. В любом случае, рисунок в статье, там где есть UART, соответствует прошивке в статье.


По поводу регистрации на форуме:
- может в браузере отключены какие модули? (ява например)
- картинка капчи собирается перед регистрацией?
- попробуйте оставлять язык интерфейса (или что там не помню) при регистрации английский.
- если не получиться - дайте логин и мыло, я зарегистрирую вручную


Вернуться к началу
 Профиль Отправить личное сообщение  
Ответить с цитатой  
 Заголовок сообщения: Re: 087-ATtiny2313 SD Card Talking Device.
СообщениеДобавлено: 13 мар 2015, 00:53 
Не в сети
Аватара пользователя

Зарегистрирован: 13 мар 2015, 00:17
Сообщения: 21
Уважаемый GetChiper! Вынужден признать свою невнимательность. Вы правы, просто скопировал нужную мне схему в одно место с Вашим устройством.Вот та схема, которая в идеале подходит под мой проект. Я над ним корплю уже битые полгода, но как попалась на глаза эта схема- как кондёром заряженным ударило. Хочу максимально приблизить салон своей Ауди к кабине Боинга-737. В проекте у меня будет Overhead,( панель над головой пилотов), но для полного реализма должен быть речевой информатор. Поэтому для меня так важно, чтобы файлы каждый от своего наступившего события. Если все получится, выложу на обсуждение. Думаю, многих этот проект заинтересует. Вот эта схема.Буду весьма признателен, если поможете с прошивкой.Вполне возможно, что брал это все с одной из веток теперь уже Нашего форума. Кстати, спс, помогли с советом по регистрации. attiny2313_player_button.jpg
attiny2313_player_button.jpg [ 248.9 КБ | Просмотров: 20398 ]


Вернуться к началу
 Профиль Отправить личное сообщение  
Ответить с цитатой  
 Заголовок сообщения: Re: 087-ATtiny2313 SD Card Talking Device.
СообщениеДобавлено: 14 мар 2015, 00:25 
Не в сети
Администратор
Аватара пользователя

Зарегистрирован: 15 май 2011, 23:00
Сообщения: 1904
Вот эта модификация может озвучивать 15 событий
viewtopic.php?f=24&t=247
Двоичный код, для простоты можно формировать при помощи диодов.


Вернуться к началу
 Профиль Отправить личное сообщение  
Ответить с цитатой  
 Заголовок сообщения: Re: 087-ATtiny2313 SD Card Talking Device.
СообщениеДобавлено: 17 мар 2015, 01:39 
Не в сети
Аватара пользователя

Зарегистрирован: 13 мар 2015, 00:17
Сообщения: 21

_________________
Всегда на взлёте


Вернуться к началу
 Профиль Отправить личное сообщение  
Ответить с цитатой  
 Заголовок сообщения: Re: 087-ATtiny2313 SD Card Talking Device.
СообщениеДобавлено: 18 мар 2015, 00:22 
Не в сети
Администратор
Аватара пользователя

Зарегистрирован: 15 май 2011, 23:00
Сообщения: 1904
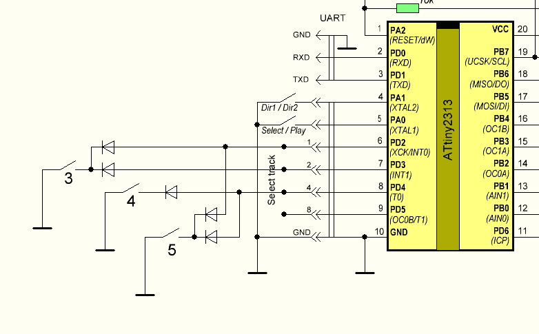
Вот так выставляется двоичный код на ножках "Селект трек" в моде запуск без подтверждения кнопкой "плей"
Остальные кнопки также через диоды согласно двоичному коду


Вложения:
sshot-1.png
sshot-1.png [ 19.61 КБ | Просмотров: 20289 ]
Вернуться к началу
 Профиль Отправить личное сообщение  
Ответить с цитатой  
Показать сообщения за:  Поле сортировки  
Начать новую тему Ответить на тему  [ Сообщений: 78 ]  На страницу Пред.  1, 2, 3, 4, 5, 6, 7, 8  След.

Часовой пояс: UTC + 3 часа [ Летнее время ]


Кто сейчас на конференции

Сейчас этот форум просматривают: нет зарегистрированных пользователей и гости: 2


Вы не можете начинать темы
Вы можете отвечать на сообщения
Вы не можете редактировать свои сообщения
Вы не можете удалять свои сообщения
Вы не можете добавлять вложения

Найти:
Перейти:  
cron
Powered by phpBB © 2000, 2002, 2005, 2007 phpBB Group
Русская поддержка phpBB