Перейти к блогу GetChip.net - блог        JilTE[1] - в разработке     Модификации устройств - модификации

 
Текущее время: 10 мар 2026, 16:04

Часовой пояс: UTC + 3 часа [ Летнее время ]



Начать новую тему Ответить на тему  [ Сообщений: 522 ]  На страницу Пред.  1 ... 21, 22, 23, 24, 25, 26, 27 ... 53  След.
Автор Сообщение
 Заголовок сообщения: Re: автоматика полива огорода
СообщениеДобавлено: 13 янв 2017, 10:01 
Не в сети
Аватара пользователя

Зарегистрирован: 29 май 2011, 17:59
Сообщения: 3769
Откуда: Россия


Вернуться к началу
 Профиль Отправить личное сообщение  
Ответить с цитатой  
 Заголовок сообщения: Re: автоматика полива огорода
СообщениеДобавлено: 13 янв 2017, 10:13 
Не в сети

Зарегистрирован: 03 ноя 2015, 09:38
Сообщения: 870
понятно жду результат.
А чего про тип корпуса спрашивал?

У меня запасы резисторов и прочей мелочи со времен ссср есть. вот как то надо их изводить


Вернуться к началу
 Профиль Отправить личное сообщение  
Ответить с цитатой  
 Заголовок сообщения: Re: автоматика полива огорода
СообщениеДобавлено: 13 янв 2017, 10:29 
Не в сети
Аватара пользователя

Зарегистрирован: 29 май 2011, 17:59
Сообщения: 3769
Откуда: Россия


Вернуться к началу
 Профиль Отправить личное сообщение  
Ответить с цитатой  
 Заголовок сообщения: Re: автоматика полива огорода
СообщениеДобавлено: 13 янв 2017, 10:34 
Не в сети

Зарегистрирован: 03 ноя 2015, 09:38
Сообщения: 870
понял


Вернуться к началу
 Профиль Отправить личное сообщение  
Ответить с цитатой  
 Заголовок сообщения: Re: автоматика полива огорода
СообщениеДобавлено: 13 янв 2017, 11:32 
Не в сети
Аватара пользователя

Зарегистрирован: 29 май 2011, 17:59
Сообщения: 3769
Откуда: Россия
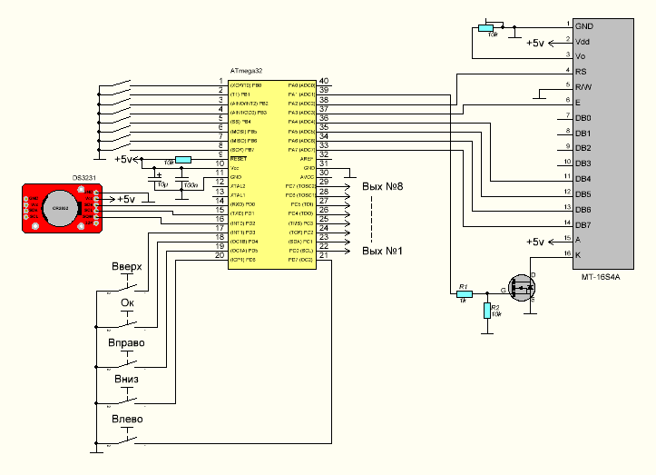
Вот схема:
Схема.png
Схема.png [ 27.96 КБ | Просмотров: 11866 ]

На каждый вывод порта РВ желательно поставить неполярную ёмкость 0,1 мкФ (на схеме не указанно).
styxbbc.zip [10.16 КБ]
Скачиваний: 742

Можешь уже собирать устройство. Прошивка почти готова (проходит общее тестирование).


Вернуться к началу
 Профиль Отправить личное сообщение  
Ответить с цитатой  
 Заголовок сообщения: Re: автоматика полива огорода
СообщениеДобавлено: 13 янв 2017, 12:05 
Не в сети

Зарегистрирован: 03 ноя 2015, 09:38
Сообщения: 870
Спасибо.

PB0-PB7 тумблеры на этих входах эмитируют сигнал запрета от внешних датчиков. Правильно понимаю?
В положении как на схеме все каналы будут активны а в замкнутом запрещены.

Транзистор в управлении подсветкой какой?
Выхода управления, может на всякий пожарный резистор поставить?

Ну и момент если все таки не удастся приобрести модуль можно будет собрать его по схеме, скидывал ссылку. и соответственно подключить его?

Как то вот скока сразу вопросов возникло


Вернуться к началу
 Профиль Отправить личное сообщение  
Ответить с цитатой  
 Заголовок сообщения: Re: автоматика полива огорода
СообщениеДобавлено: 13 янв 2017, 12:26 
Не в сети
Аватара пользователя

Зарегистрирован: 29 май 2011, 17:59
Сообщения: 3769
Откуда: Россия


Вернуться к началу
 Профиль Отправить личное сообщение  
Ответить с цитатой  
 Заголовок сообщения: Re: автоматика полива огорода
СообщениеДобавлено: 13 янв 2017, 12:44 
Не в сети

Зарегистрирован: 03 ноя 2015, 09:38
Сообщения: 870
Я уточняю моменты. то что я написал я помню.
То что касается чем управлять. Да я буду именно эту мс использовать. Где то в статьях читал что выхода управления лучше подключать к нагрузке через резистор. Поставить резистор не проблема.
По контактным группам, уточнил логику работы. Так как внешнии датчики должны будут выдавать соответствующие сигналы.
По поводу часов, это в большей степени на случай если захочется поизвращаться с печаткой.


Вернуться к началу
 Профиль Отправить личное сообщение  
Ответить с цитатой  
 Заголовок сообщения: Re: автоматика полива огорода
СообщениеДобавлено: 13 янв 2017, 12:59 
Не в сети
Аватара пользователя

Зарегистрирован: 29 май 2011, 17:59
Сообщения: 3769
Откуда: Россия


Вернуться к началу
 Профиль Отправить личное сообщение  
Ответить с цитатой  
 Заголовок сообщения: Re: автоматика полива огорода
СообщениеДобавлено: 13 янв 2017, 13:10 
Не в сети

Зарегистрирован: 03 ноя 2015, 09:38
Сообщения: 870
Как в таком случае защитить выход МК
Это типа ручное управление


Вложения:
qqq.GIF
qqq.GIF [ 7.15 КБ | Просмотров: 11859 ]
Вернуться к началу
 Профиль Отправить личное сообщение  
Ответить с цитатой  
Показать сообщения за:  Поле сортировки  
Начать новую тему Ответить на тему  [ Сообщений: 522 ]  На страницу Пред.  1 ... 21, 22, 23, 24, 25, 26, 27 ... 53  След.

Часовой пояс: UTC + 3 часа [ Летнее время ]


Кто сейчас на конференции

Сейчас этот форум просматривают: нет зарегистрированных пользователей и гости: 11


Вы можете начинать темы
Вы можете отвечать на сообщения
Вы не можете редактировать свои сообщения
Вы не можете удалять свои сообщения
Вы не можете добавлять вложения

Найти:
Перейти:  
cron
Powered by phpBB © 2000, 2002, 2005, 2007 phpBB Group
Русская поддержка phpBB