Перейти к блогу GetChip.net - блог        JilTE[1] - в разработке     Модификации устройств - модификации

 
Текущее время: 26 окт 2025, 20:23

Часовой пояс: UTC + 3 часа [ Летнее время ]



Начать новую тему Ответить на тему  [ Сообщений: 51 ]  На страницу 1, 2, 3, 4, 5, 6  След.
Автор Сообщение
 Заголовок сообщения: Mod#087 Озвучивание состояний линий охранной сигнализации.
СообщениеДобавлено: 29 июл 2012, 01:26 
Не в сети
Администратор
Аватара пользователя

Зарегистрирован: 15 май 2011, 23:00
Сообщения: 1904
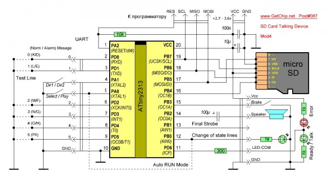
Модификация

Модификация предназначена для озвучивания состояния линий. 087-SDC_Talking_Device_Mod4.JPG
087-SDC_Talking_Device_Mod4.JPG [ 122.36 КБ | Просмотров: 54451 ]

Логика работы воспроизведения треков осталась прежней, отличие в способе запуска треков.
При нажатии на кнопку Select/Play начинается процедура опроса линий и выдачи сообщений (запуска соответствующих треков) о их состоянии.
Процедура выдачи сообщении следующая:
1 Запускается стартовый трек (с буквой A в начале названия файла. Например A_начало проверки.wav) - сообщение о начале проверки линий (Например, "Начало проверки линий");
2 Далее проверяется общее состояние линий и если все в норме (замкнуты на землю) запускается C-файл, или если все линии в "воздухе" - B-файл. После сообщения о общем состоянии линий следует конечный трек (пункт 9). В случае если одна или несколько линий в обрыве начинается сканирование линий индивидуально;
3 проверяется линия 0. Норма - K-файл, обрыв - D-файл;
4 проверяется линия 1. Норма - L-файл, обрыв - E-файл;
5 проверяется линия 2. Норма - M-файл, обрыв - F-файл;
6 проверяется линия 3. Норма - N-файл, обрыв - G-файл;
7 проверяется линия 4. Норма - O-файл, обрыв - H-файл;
8 проверяется линия 5. Норма - P-файл, обрыв - I-файл;
9 Проигрывается J-файл - сообщение о завершении опроса линий.

Если какие то сообщения не нужны (например, о том что линии в порядке или стартовый и финишный треки) - просто не создавайте файл с соответствующим именем.

Плюшки:
1 Если при воспроизведении треков нажать переключатель Brake, то после окончания текущего трека процедура сканирования прерывается.
2 Очень интересно применение Dir1/Dir2 (выбор папки воспроизведения). Можно создать разные варианты опроса линий. Например подробный или быстрый, обычный или скрытный-тихий и т.д.
3 Final Strobe - устанавливается в низкий уровень при проигрывании финального сообщения (нормально - высокий уровень). Если файла последнего сообщения нет, то строб все равно будет, но очень короткий. Эта функция нужна для запуска каких либо процедур или механизмов по факту окончания сканирования линий.
4 Change of state lines - сбрасывает свое состояние в ноль (длина строба 0,1с) по факту каких либо изменений на контролируемых линиях (нормально - высокий уровень). Частота проверки линий - 10 раз в секунду. Если соединить выхода Change of state lines и Select/Play, то при каждом изменении на линиях будет автоматически запускаться озвучивание состояний линий.


Вложения:
Комментарий к файлу: Исходник
SDC_Talking_Mod4.zip [41.6 КБ]
Скачиваний: 2619
Комментарий к файлу: Прошивка мода 087
SDC_Talking.hex [5.59 КБ]
Скачиваний: 3370
Вернуться к началу
 Профиль Отправить личное сообщение  
Ответить с цитатой  
 Заголовок сообщения: Re: Мод #087 Озвучивание состояний линий охранной сигнализац
СообщениеДобавлено: 29 июл 2012, 08:26 
Не в сети
Аватара пользователя

Зарегистрирован: 29 май 2011, 17:59
Сообщения: 3769
Откуда: Россия
Евгений, а можно увидеть исходник? :-)


Вернуться к началу
 Профиль Отправить личное сообщение  
Ответить с цитатой  
 Заголовок сообщения: Re: Мод #087 Озвучивание состояний линий охранной сигнализац
СообщениеДобавлено: 29 июл 2012, 10:15 
Не в сети
Администратор
Аватара пользователя

Зарегистрирован: 15 май 2011, 23:00
Сообщения: 1904
Запросто. Его нет по причине того, что прошивка не обкатана. Нужно проверить прошивку, если все в порядке - выложу исходник. Иначе его еще нужно буде править.


Вернуться к началу
 Профиль Отправить личное сообщение  
Ответить с цитатой  
 Заголовок сообщения: Re: Мод #087 Озвучивание состояний линий охранной сигнализац
СообщениеДобавлено: 29 июл 2012, 11:10 
Не в сети
Аватара пользователя

Зарегистрирован: 29 май 2011, 17:59
Сообщения: 3769
Откуда: Россия
Понял, спасибо. С удовольствием проверил бы, но сейчас в отпуске на море грею старые «косточки», вернусь только к концу следующего месяца. :-)


Вернуться к началу
 Профиль Отправить личное сообщение  
Ответить с цитатой  
 Заголовок сообщения: Re: Мод #087 Озвучивание состояний линий охранной сигнализац
СообщениеДобавлено: 29 июл 2012, 17:41 
Не в сети

Зарегистрирован: 24 июл 2012, 01:58
Сообщения: 33
:cool:
Все режимы ещё не обкатал, но сразу несколько замечаний:

1. думаю, в таком серьёзном девайсе кнопками Monster и Helium можно пожертвовать- ради ещё 2 линий сигнализации.

2. на РВ0, как вариант, можно повесить светодиод, который загорался бы на 1 сек после проигрывания J_файла- как сигнал на отбой линии связи после проверки, или как сигнал управления "TALKING" говорящими часами с термометром, чтобы узнать температуру на объекте (актуально в зимнее время на загородном доме)... ;) :idea:

3.нужно заблокировать кнопку select/play на весь процесс выдачи сообщений, т.к. пока кнопка нажата, повторяется всё время трек А_.


Вернуться к началу
 Профиль Отправить личное сообщение  
Ответить с цитатой  
 Заголовок сообщения: Re: Мод #087 Озвучивание состояний линий охранной сигнализац
СообщениеДобавлено: 29 июл 2012, 21:39 
Не в сети
Администратор
Аватара пользователя

Зарегистрирован: 15 май 2011, 23:00
Сообщения: 1904
Учел Ваши пожелания, плюс добавил пару своих плюшек :OK:

Необходимо тестирование в железе.


Вернуться к началу
 Профиль Отправить личное сообщение  
Ответить с цитатой  
 Заголовок сообщения: Re: Мод #087 Озвучивание состояний линий охранной сигнализац
СообщениеДобавлено: 29 июл 2012, 21:57 
Не в сети
Аватара пользователя

Зарегистрирован: 29 май 2011, 17:59
Сообщения: 3769
Откуда: Россия


Вернуться к началу
 Профиль Отправить личное сообщение  
Ответить с цитатой  
 Заголовок сообщения: Re: Мод #087 Озвучивание состояний линий охранной сигнализац
СообщениеДобавлено: 29 июл 2012, 22:29 
Не в сети

Зарегистрирован: 24 июл 2012, 01:58
Сообщения: 33
:arrow:


Последний раз редактировалось EVG 30 июл 2012, 21:25, всего редактировалось 1 раз.

Вернуться к началу
 Профиль Отправить личное сообщение  
Ответить с цитатой  
 Заголовок сообщения: Re: Мод #087 Озвучивание состояний линий охранной сигнализац
СообщениеДобавлено: 29 июл 2012, 22:42 
Не в сети

Зарегистрирован: 24 июл 2012, 01:58
Сообщения: 33
Здорово!
Ещё не тестировал в железе, но плюшки мне понравились. Особенно пунктик "Change of state lines"- что-то подобное я хотел попросить реализовать по-позже - оказывается, наши мысли совпадают...


Вернуться к началу
 Профиль Отправить личное сообщение  
Ответить с цитатой  
 Заголовок сообщения: Re: Мод #087 Озвучивание состояний линий охранной сигнализац
СообщениеДобавлено: 30 июл 2012, 00:05 
Не в сети

Зарегистрирован: 24 июл 2012, 01:58
Сообщения: 33
;)


Последний раз редактировалось EVG 07 авг 2012, 16:41, всего редактировалось 1 раз.

Вернуться к началу
 Профиль Отправить личное сообщение  
Ответить с цитатой  
Показать сообщения за:  Поле сортировки  
Начать новую тему Ответить на тему  [ Сообщений: 51 ]  На страницу 1, 2, 3, 4, 5, 6  След.

Часовой пояс: UTC + 3 часа [ Летнее время ]


Кто сейчас на конференции

Сейчас этот форум просматривают: нет зарегистрированных пользователей и гости: 1


Вы можете начинать темы
Вы можете отвечать на сообщения
Вы не можете редактировать свои сообщения
Вы не можете удалять свои сообщения
Вы не можете добавлять вложения

Найти:
Перейти:  
cron
Powered by phpBB © 2000, 2002, 2005, 2007 phpBB Group
Русская поддержка phpBB