Перейти к блогу GetChip.net - блог        JilTE[1] - в разработке     Модификации устройств - модификации

 
Текущее время: 14 фев 2026, 18:28

Часовой пояс: UTC + 3 часа [ Летнее время ]



Начать новую тему Ответить на тему  [ Сообщений: 419 ]  На страницу Пред.  1, 2, 3, 4, 5 ... 42  След.
Автор Сообщение
 Заголовок сообщения: Re: Мод #084 (Двуканальный термометр-термостат на ATmega8)
СообщениеДобавлено: 08 ноя 2012, 21:01 
Не в сети
Аватара пользователя

Зарегистрирован: 29 май 2011, 17:59
Сообщения: 3769
Откуда: Россия
Это хорошо, что сам сделал, то что необходимо, но если задействовать термостат именно для отопления, то нерационально опускать уставки ниже 60 градусов. А высшим пилотажём в системе отопления считается когда дополнительно измеряется температура обратного теплоносителя + температура окружающей среды (на улице), вычисляется съём тепла и по заданному графику регулируется температура на подаче, когда температура на подаче доходит до своего минимума, система переходит в дежурный режим. Это делается для того, чтобы получить максимальную экономию и отличный комфорт.


Вернуться к началу
 Профиль Отправить личное сообщение  
Ответить с цитатой  
 Заголовок сообщения: Re: Мод #084 (Двуканальный термометр-термостат на ATmega8)
СообщениеДобавлено: 25 ноя 2012, 21:01 
Собрал МОД2, fuse как у первоисточника. Заработало сразу и без мерцаний.Правда ещё не подключал блок питания и реле, не могу найти схему.Сначала пробовал первую прошивку, есть заметные мерцания и вообще она мне не подходит т.к. собираю для аквариума, там расчитано на низкие тем-ры, а мне нужно 23-25 градусов.Ток потребления без реле 90-110мА, греется 78L05, хотя в корпусе ТО-220. Буду ставить радиатор. Хочу от первого датчика сделать включение кулеров от компа для охлаждения воды летом, а то тем-ра доходит до 30-32 гр. Пока ищу подходящий корпус.


Вернуться к началу
  
Ответить с цитатой  
 Заголовок сообщения: Re: Мод #084 (Двуканальный термометр-термостат на ATmega8)
СообщениеДобавлено: 25 ноя 2012, 21:26 
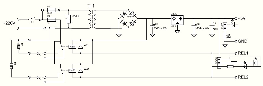
И ещё.Светодиодный индикатор FYQ-5641ahr-21 заменил полным аналогом CC56-12swra. Вопрос к автору. Что за элементы на плате блока питания WF-2 и WF-3? Какой тип выпрямительной сборки на выходе трансформатора и что за элемент на его входе? Пожалуйста, выложите схемку БП. Спасибо.


Вернуться к началу
  
Ответить с цитатой  
 Заголовок сообщения: Re: Мод #084 (Двуканальный термометр-термостат на ATmega8)
СообщениеДобавлено: 25 ноя 2012, 23:52 
Не в сети
Аватара пользователя

Зарегистрирован: 29 май 2011, 17:59
Сообщения: 3769
Откуда: Россия
WF-2 и WF-3, это разъёмы для светодиодов (их хорошо видно на фото в блоге). Диодный мост DB207 (2А, 1000В). Перед трансформатором установлен варистор FNR-14K431 (срабатывания – 275 VAC) .
Схема БП


Вложения:
БП.jpg
БП.jpg [ 49.14 КБ | Просмотров: 17261 ]
БП.spl7 [38.48 КБ]
Скачиваний: 1556
Вернуться к началу
 Профиль Отправить личное сообщение  
Ответить с цитатой  
 Заголовок сообщения: Re: Мод #084 (Двуканальный термометр-термостат на ATmega8)
СообщениеДобавлено: 26 ноя 2012, 11:32 
Спасибо за схему БП, теперь всё встало на свои места. В настройках заметил интересную деталь. После выбора уставок первого датчика нажимаю ОК и гаснут все цифры. Уставки сохранились, светодиод не горит.Ток потребления в этот момент около 20мА. Затем ОК, появляются уставки второго датчика, светодиод опять не горит, уставки сохранились. Немного неясно, какой датчик ты сейчас программируешь первый или второй. Верхние уставки перебираются по кольцу, например, от 0.0 до 90.0 затем снова 0.0 и т.д. Но на следующем круге могут появиться уставки с десятыми, например 30.7 или 40.3 и сохраняются в памяти. Как сбросить? Я десятые как-то сбросил беспорядочным нажиманием всех кнопок и вкл. и выкл. питания. А так прибор очень понравился, спасибо автору. Пока без корпуса использую как термометр, датчик на проводе за окном. И ещё, лично мне было бы удобней вместо трёх кнопок использовать энкодер. Это осуществимо? Для аквариума желательно иметь гистерезис хотя бы 0.5 градуса. Спасибо за внимание. Андрей.


Вернуться к началу
  
Ответить с цитатой  
 Заголовок сообщения: Re: Мод #084 (Двуканальный термометр-термостат на ATmega8)
СообщениеДобавлено: 26 ноя 2012, 16:36 
Не в сети
Аватара пользователя

Зарегистрирован: 29 май 2011, 17:59
Сообщения: 3769
Откуда: Россия
Я правильно понял, МОД2, используешь старый? Попробуй исправленный. Если будут проблемы, пиши. Мне придётся сделать тогда девайс на макетке так как устройство с первым вариантом далеко от меня. Энкодера у меня нет да и времени тоже. Для аквариума, наверное, лучше замутить что-то более серьёзней чем этот термостат.


Вернуться к началу
 Профиль Отправить личное сообщение  
Ответить с цитатой  
 Заголовок сообщения: Re: Мод #084 (Двуканальный термометр-термостат на ATmega8)
СообщениеДобавлено: 26 ноя 2012, 16:59 
Не в сети
Аватара пользователя

Зарегистрирован: 29 май 2011, 17:59
Сообщения: 3769
Откуда: Россия
Но всё равно не ясно, не в одном моде нет уставок от 0 до 90.


Вернуться к началу
 Профиль Отправить личное сообщение  
Ответить с цитатой  
 Заголовок сообщения: Re: Мод #084 (Двуканальный термометр-термостат на ATmega8)
СообщениеДобавлено: 26 ноя 2012, 20:13 
Использую МОД2 с предыдущей страницы. Где лежит исправленный? Пришел домой, попробовал ещё раз настроить уставки. Результат такой: табло не гаснет между настройкой уставок первого и второго датчиков как раньше, и почему-то не появились десятые доли. Странно всё это. Уставки второго датчика идут от 00.0 до 99.0 и потом снова 00.0 и по кругу до 99.0 и так без конца. Сейчас собираю БП. Использовал реле от нерабочей автосигнализации, подбираю трансформатор. Есть всем совет, если табло слишком яркое,что режет глаза (супер красный), то можно его заклеить тонировочной плёнкой от автомобиля. Я, например, попросил обрезки на СТО, где тонируют а/м. Спасибо.


Вернуться к началу
  
Ответить с цитатой  
 Заголовок сообщения: Re: Мод #084 (Двуканальный термометр-термостат на ATmega8)
СообщениеДобавлено: 26 ноя 2012, 20:40 
Собирать более серьёзный термостат не хочется, уж больно этот подкупает своей простотой, да и времени особо нет. Был бы вход в меню настроек длинным нажатием одной кнопки ОК, тогда легко использовать энкодер. Можешь это иcправить программно? Сам не умею, поэтому и обращаюсь. Спасибо.


Вернуться к началу
  
Ответить с цитатой  
 Заголовок сообщения: Re: Мод #084 (Двуканальный термометр-термостат на ATmega8)
СообщениеДобавлено: 26 ноя 2012, 21:56 
Не в сети
Аватара пользователя

Зарегистрирован: 29 май 2011, 17:59
Сообщения: 3769
Откуда: Россия


Вернуться к началу
 Профиль Отправить личное сообщение  
Ответить с цитатой  
Показать сообщения за:  Поле сортировки  
Начать новую тему Ответить на тему  [ Сообщений: 419 ]  На страницу Пред.  1, 2, 3, 4, 5 ... 42  След.

Часовой пояс: UTC + 3 часа [ Летнее время ]


Кто сейчас на конференции

Сейчас этот форум просматривают: нет зарегистрированных пользователей и гости: 11


Вы можете начинать темы
Вы можете отвечать на сообщения
Вы не можете редактировать свои сообщения
Вы не можете удалять свои сообщения
Вы не можете добавлять вложения

Найти:
Перейти:  
cron
Powered by phpBB © 2000, 2002, 2005, 2007 phpBB Group
Русская поддержка phpBB