Перейти к блогу GetChip.net - блог        JilTE[1] - в разработке     Модификации устройств - модификации

 
Текущее время: 07 янв 2026, 16:01

Часовой пояс: UTC + 3 часа [ Летнее время ]



Начать новую тему Ответить на тему  [ Сообщений: 666 ]  На страницу Пред.  1, 2, 3, 4, 5, 6 ... 67  След.
Автор Сообщение
 Заголовок сообщения: Re: адаптируйте прошивку под тини
СообщениеДобавлено: 18 янв 2013, 22:25 
Не в сети
Аватара пользователя

Зарегистрирован: 29 май 2011, 17:59
Сообщения: 3769
Откуда: Россия
Испытания будешь проводить сам, у меня нет такой возможности. С первого раза может и не получится. ;)


Вернуться к началу
 Профиль Отправить личное сообщение  
Ответить с цитатой  
 Заголовок сообщения: Re: адаптируйте прошивку под тини
СообщениеДобавлено: 19 янв 2013, 13:46 
Не в сети
Аватара пользователя

Зарегистрирован: 29 май 2011, 17:59
Сообщения: 3769
Откуда: Россия
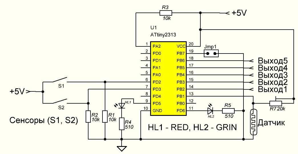
Вот тестовый вариант, схему немного нужно изменить.
Akademik.hex [1.67 КБ]
Скачиваний: 1067

Новая схема:
Akademik_схема.jpg
Akademik_схема.jpg [ 100.02 КБ | Просмотров: 16753 ]

Вход компаратора (РВ1). Верхнее плечё делителя (датчик освещённости), нижнее плечё – подстроечный резистор (20 кОм). Если на входе (РВ1) меньше 1,2 В – запрет (светится красный светодиод), больше 1,2 В – разрешение (светится зелёный светодиод). Перемычка: порт (РВ7). Если не установлена – 5 сек. на зажигание, 10 сек. задержка свечения. Если установлена – 3 сек. на зажигание, 15 сек. задержка свечения.


Последний раз редактировалось SVN 21 янв 2013, 20:14, всего редактировалось 1 раз.

Вернуться к началу
 Профиль Отправить личное сообщение  
Ответить с цитатой  
 Заголовок сообщения: Re: адаптируйте прошивку под тини
СообщениеДобавлено: 19 янв 2013, 17:42 
Не в сети

Зарегистрирован: 08 ноя 2012, 23:06
Сообщения: 300
СПАСИБО большое SVN!!! В понедельник на работе попробую и отпишусь.;) Еще вопрос.В какой программе вы такие схемы рисуете?


Вернуться к началу
 Профиль Отправить личное сообщение  
Ответить с цитатой  
 Заголовок сообщения: Re: адаптируйте прошивку под тини
СообщениеДобавлено: 19 янв 2013, 17:48 
Не в сети
Аватара пользователя

Зарегистрирован: 29 май 2011, 17:59
Сообщения: 3769
Откуда: Россия


Вернуться к началу
 Профиль Отправить личное сообщение  
Ответить с цитатой  
 Заголовок сообщения: Re: адаптируйте прошивку под тини
СообщениеДобавлено: 21 янв 2013, 19:34 
Не в сети

Зарегистрирован: 08 ноя 2012, 23:06
Сообщения: 300
SVN . Спасибо!!! Все работает но светодиоды почемуто когда гаснут,и в одном и другом направлении,последние два - гаснут одновременно... Почему может такое быть,Вроде все проверил,подключенно все правильно. И еще фоторезистор пришлось в обратное плечо с переменником включить,с этим вопросов нет :-) .


Вернуться к началу
 Профиль Отправить личное сообщение  
Ответить с цитатой  
 Заголовок сообщения: Re: адаптируйте прошивку под тини
СообщениеДобавлено: 21 янв 2013, 20:06 
Не в сети
Аватара пользователя

Зарегистрирован: 29 май 2011, 17:59
Сообщения: 3769
Откуда: Россия
Да конечно делитель надо развернуть, я по запарке неправильно нарисовал. :oops: Схему исправил. Что касается программы, ошибки нет, должно работать правильно. Необходимо ещё раз проверить подключение нагрузок или попробовать прошить другой МК.


Вернуться к началу
 Профиль Отправить личное сообщение  
Ответить с цитатой  
 Заголовок сообщения: Re: адаптируйте прошивку под тини
СообщениеДобавлено: 21 янв 2013, 20:44 
Не в сети

Зарегистрирован: 08 ноя 2012, 23:06
Сообщения: 300
Хорошо! :-) Спасибо! Сегодня уже не успею... :( Домой собираюсь... Завтра буду пробовать еще... :-)


Вернуться к началу
 Профиль Отправить личное сообщение  
Ответить с цитатой  
 Заголовок сообщения: Re: адаптируйте прошивку под тини
СообщениеДобавлено: 24 янв 2013, 21:09 
Не в сети
Аватара пользователя

Зарегистрирован: 29 май 2011, 17:59
Сообщения: 3769
Откуда: Россия


Вернуться к началу
 Профиль Отправить личное сообщение  
Ответить с цитатой  
 Заголовок сообщения: Re: адаптируйте прошивку под тини
СообщениеДобавлено: 25 янв 2013, 19:30 
Не в сети

Зарегистрирован: 08 ноя 2012, 23:06
Сообщения: 300
Прошу прощения ,что пропал.... :oops: . Проблеммы были небольшие,небыло времени опробовать... :cry: . Завтра точно начну испытания,так как на работе будет много свободного времени. :-)


Вернуться к началу
 Профиль Отправить личное сообщение  
Ответить с цитатой  
 Заголовок сообщения: Re: адаптируйте прошивку под тини
СообщениеДобавлено: 25 янв 2013, 21:07 
Не в сети

Зарегистрирован: 08 ноя 2012, 23:06
Сообщения: 300
SVN. Добрый вечер!!!

Уже попробовал. Работает отлично! перемычка на светодиод на макетке коротила... :oops: .

Возникло еще несколько траблов... :cry: ...

Вот накидал побыстрому схему по которой все планирую собрать.(сильно не ругайте,в SPLAN рисовал первый раз) .

Почемуто при включении всей этой конструкции,начинается самопроизвольное зажигание светодиодов в одну сторону. Подключен этот так называемый "IR барьер" к PD2. Я так пологаю,что это генерит какую то помеху генератор на NE555. Подскажите пожалуйста,как это все организовать более адекватно. Емкости по питанию ставил - не помогло. :( Просто уже голова даже на элементарные вещи не соображает. :-) .


Вложения:
cсхема.JPG
cсхема.JPG [ 154.97 КБ | Просмотров: 16671 ]


Последний раз редактировалось Akademik 26 янв 2013, 10:39, всего редактировалось 3 раз(а).
Вернуться к началу
 Профиль Отправить личное сообщение  
Ответить с цитатой  
Показать сообщения за:  Поле сортировки  
Начать новую тему Ответить на тему  [ Сообщений: 666 ]  На страницу Пред.  1, 2, 3, 4, 5, 6 ... 67  След.

Часовой пояс: UTC + 3 часа [ Летнее время ]


Кто сейчас на конференции

Сейчас этот форум просматривают: нет зарегистрированных пользователей и гости: 12


Вы можете начинать темы
Вы можете отвечать на сообщения
Вы не можете редактировать свои сообщения
Вы не можете удалять свои сообщения
Вы не можете добавлять вложения

Найти:
Перейти:  
cron
Powered by phpBB © 2000, 2002, 2005, 2007 phpBB Group
Русская поддержка phpBB