Перейти к блогу GetChip.net - блог        JilTE[1] - в разработке     Модификации устройств - модификации

 
Текущее время: 13 дек 2025, 20:07

Часовой пояс: UTC + 3 часа [ Летнее время ]



Начать новую тему Ответить на тему  [ Сообщений: 28 ]  На страницу Пред.  1, 2, 3
Автор Сообщение
 Заголовок сообщения: Re: Управление мощным двигателем постоянного тока.
СообщениеДобавлено: 07 апр 2013, 21:05 
Не в сети

Зарегистрирован: 12 мар 2013, 19:30
Сообщения: 27
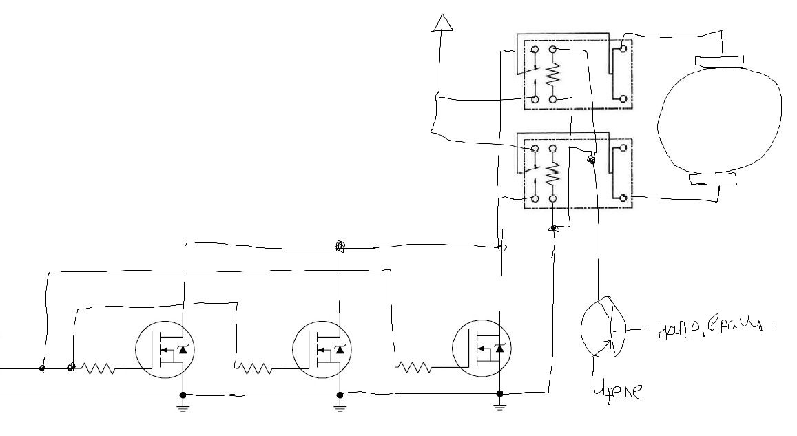
я вот щас подумал: ведь реле тут нельзя использовать только из-за их недостаточного для ШИМа быстродействия. А с реле работать просто, и токами с их помощью можно управлять огромными.
Дак вот, нельзя ли с помощью полевых транзисторов управлять током только в одном направлении, еще и поставить их штуки 3 параллельно для большей пропускной спообности, а при помощи двух реле управлять направлением вращения. вот так:
121212.jpg
121212.jpg [ 76.85 КБ | Просмотров: 19360 ]

в таком случае и полевыми транзисторами будет управлять просто- без всяких специальных драйверов подключить их затвор к микроконтроллеру через резистор и допустим BC547. А если частота ШИМа низкая, то и просто через резистор.
Что скажете?


Вернуться к началу
 Профиль Отправить личное сообщение  
Ответить с цитатой  
 Заголовок сообщения: Re: Управление мощным двигателем постоянного тока.
СообщениеДобавлено: 07 апр 2013, 21:48 
Не в сети
Аватара пользователя

Зарегистрирован: 13 янв 2013, 03:35
Сообщения: 161
В этом случае я бы взял 2 реле вместо верхних полевиков.
И 2 нижних полевика, но всё же через драйвер ир4427 - при таких токах чем быстрее они будут открыты, тем меньше они будут греться. А при параллельном включении общая емкость затворов увеличивается.

Опытным путем было установлено, что при 1 Ампере ножки МК хватает только до 1 кГц. Выше - отпаивается провод от полевика :)

_________________
Оно и не что-либо как и не как-либо что. А что касательно относительно - то безусловно. Оно и не надо было бы, но доведись такое дело - вот я вам и пожалуйста. Я все.

PS: используйте вышеприведенную информацию на свой страх и риск..


Вернуться к началу
 Профиль Отправить личное сообщение  
Ответить с цитатой  
 Заголовок сообщения: Re: Управление мощным двигателем постоянного тока.
СообщениеДобавлено: 07 апр 2013, 21:53 
Не в сети

Зарегистрирован: 12 мар 2013, 19:30
Сообщения: 27


Вернуться к началу
 Профиль Отправить личное сообщение  
Ответить с цитатой  
 Заголовок сообщения: Re: Управление мощным двигателем постоянного тока.
СообщениеДобавлено: 07 апр 2013, 22:03 
Не в сети
Аватара пользователя

Зарегистрирован: 13 янв 2013, 03:35
Сообщения: 161
http://radiokot.ru/forum/viewtopic.php?p=143489
Я себе эту тему в закладки кинул. Грубо говоря, полевик желательно не только включать, но и выключать силой :)

При этом 547 и 557 рассчитаны до 500мА вроде. Полевикам желательно 2-3А в затвор вкачивать

_________________
Оно и не что-либо как и не как-либо что. А что касательно относительно - то безусловно. Оно и не надо было бы, но доведись такое дело - вот я вам и пожалуйста. Я все.

PS: используйте вышеприведенную информацию на свой страх и риск..


Вернуться к началу
 Профиль Отправить личное сообщение  
Ответить с цитатой  
 Заголовок сообщения: Re: Управление мощным двигателем постоянного тока.
СообщениеДобавлено: 08 апр 2013, 18:24 
Не в сети

Зарегистрирован: 12 мар 2013, 19:30
Сообщения: 27
вобщем решил переделать ту схему, которая не заработала в ту, которую нарисовал.
поставил два параллельных полевика и IR2104 (без диода и конденсатора т.к. используется только ее нижнее плечо).
Вопрос такой: IR2104 да и вообще драйвер полевика безопасно для микроконтроллера подключать к нему без оптопары?


Вернуться к началу
 Профиль Отправить личное сообщение  
Ответить с цитатой  
 Заголовок сообщения: Re: Управление мощным двигателем постоянного тока.
СообщениеДобавлено: 08 апр 2013, 18:25 
Не в сети

Зарегистрирован: 12 мар 2013, 19:30
Сообщения: 27


Вернуться к началу
 Профиль Отправить личное сообщение  
Ответить с цитатой  
 Заголовок сообщения: Re: Управление мощным двигателем постоянного тока.
СообщениеДобавлено: 08 апр 2013, 18:38 
Не в сети
Аватара пользователя

Зарегистрирован: 13 янв 2013, 03:35
Сообщения: 161

_________________
Оно и не что-либо как и не как-либо что. А что касательно относительно - то безусловно. Оно и не надо было бы, но доведись такое дело - вот я вам и пожалуйста. Я все.

PS: используйте вышеприведенную информацию на свой страх и риск..


Вернуться к началу
 Профиль Отправить личное сообщение  
Ответить с цитатой  
 Заголовок сообщения: Re: Управление мощным двигателем постоянного тока.
СообщениеДобавлено: 12 апр 2014, 19:16 
Для регулировки нужно использовать ШИМ регулятор в этом режиме ключи будут работать в импульсном режимк а при помощи шим призводиться регулировка напряжения на выходе , такая схема используется в электрокарах для регулировки скорости движения


Вернуться к началу
  
Ответить с цитатой  
Показать сообщения за:  Поле сортировки  
Начать новую тему Ответить на тему  [ Сообщений: 28 ]  На страницу Пред.  1, 2, 3

Часовой пояс: UTC + 3 часа [ Летнее время ]


Кто сейчас на конференции

Сейчас этот форум просматривают: нет зарегистрированных пользователей и гости: 1


Вы можете начинать темы
Вы можете отвечать на сообщения
Вы не можете редактировать свои сообщения
Вы не можете удалять свои сообщения
Вы не можете добавлять вложения

Найти:
Перейти:  
cron
Powered by phpBB © 2000, 2002, 2005, 2007 phpBB Group
Русская поддержка phpBB